六、电器

六、电器

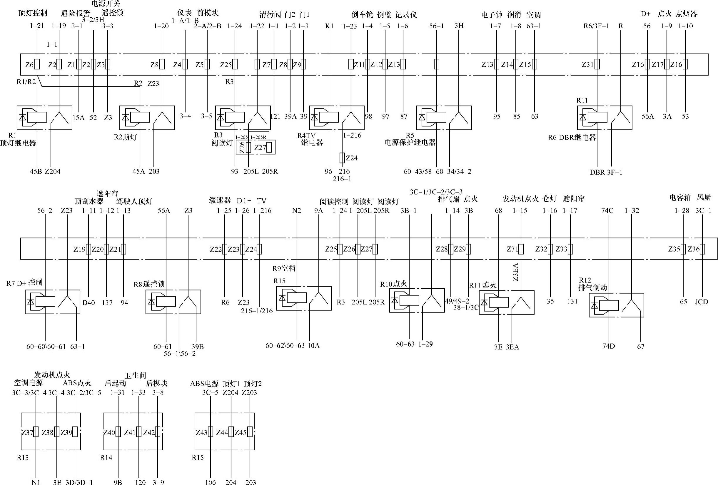
LCK6129HA客车熔丝板接线原理如图4-9所示,VDO CAN原理如图4-10所示。电器常见故障、原因分析及排除方法见表4-15。

978-7-111-43435-1-Chapter04-25.jpg

图4-9 LCK6129HA客车熔丝板接线原理图

978-7-111-43435-1-Chapter04-26.jpg

图4-10 VDO CAN原理图

表4-15 电器常见故障

978-7-111-43435-1-Chapter04-27.jpg