预收账款的账务处理

3 预收账款的账务处理

业务背景

2014年12月25日塞亚瑟电器股份有限公司与承启汽车配件厂签订销售合同,销售机床25台,不含税单价20000元。预收货款300000元,其余款等机床收到后再付。2014年12月31日发出机床,对方验收无误后,支付余款。

业务要求

根据相关原始凭证编制记账凭证和登记预收账款明细账(见表7-34至表7-42)。

表7-34 进账单(收账通知) 3

业务流程

1.收到预收款

(1)会计根据原始凭证填制记账凭证。

表7-35 记账凭证

(2)经相关会计人员复核后在复核栏签字或盖章,并登记应付票据明细账。

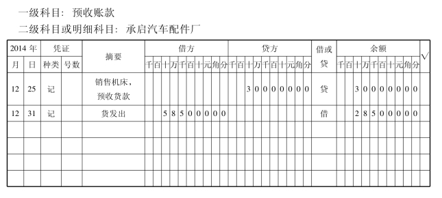
表7-36 预收账款明细账

2.货发出

表7-37 增值税专用发票

(1)会计根据原始凭证填制记账凭证。

表7-38 记账凭证

(2)经相关会计人员复核后在复核栏签字或盖章,并登记预收账款明细账。

表7-39 明细账

3.收到余款

进账单(收账通知)3
表7-40

(1)会计根据原始凭证填制记账凭证。

表7-41 记账凭证

(2)经相关会计人员复核后在复核栏签字或盖章,并登记预收账款明细账。

表7-42 预收账款明细账

业务背景

2014年1月15日,南风电气有限公司销售给泰斗五金生产厂电动机150台,单价450元,增值税率17%。根据供销合同规定采用预付货款方式结算货款,于发货前预收货款2万元,其余货款于收货后20天结清。

业务要求

根据原始凭证填制记账凭证及相关明细账(见表7-43至表7-45)。

表7-43 工商银行信汇凭证(收账通知或取款收据)4 第号

业务流程

(1)南风电气有限公司出纳取得收款凭证。

(2)南风电气有限公司往来会计根据汇款凭证填制记账凭证。

表7-44 记账凭证

(3)南风电气有限公司往来会计将记账凭证提交财务负责人稽核后根据记账凭证登记“预收账款明细账”。

表7-45 预收账款明细账

(4)往来会计将记账凭证传递给出纳岗位,由其登记“银行存款日记账”。