其他业务收入的账务处理

2 其他业务收入的账务处理

业务背景

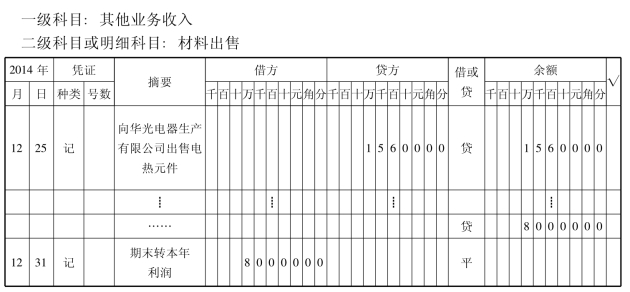
2014年12月25日,天鸿电器生产有限公司向华光电器生产有限公司出售库存原材料电热元件一批,确定的账面成本为12000元,售价15600元,增值税2652元。收到价税款银行本票一张。

业务要求

根据原始凭证填制记账凭证及相关明细账(见表12-12至表12-15)。

表12-12 增值税专用发票

业务流程

(1)达成意向,办理售料手续。根据售料意向,由财务成果核算人员填开售料发票,持单证通知仓库发送材料,并由存货核算人员登记材料明细账(略)。

(2)收取款项,确认收入。出纳员根据收到的银行本票,填开进账单,一并送开户银行,办理划款手续,取得收款回单,并由其登记银行存款日记账(略)。财务成果核算人员根据售料发票、进账单回单等编制记账凭证,并送交财务部负责人稽核。

表12-13 中国工商银行 地名 本票号码

表12-14 记账凭证

(3)登记相关账簿。记账凭证经财务部负责人稽核后,财务成果核算人员据以登记其他业务收入明细账,相关人员登记“应交税费——应交增值税”明细账(略)。

表12-15 其他业务收入明细账

(4)传递凭证,进行总分类核算。将凭证资料归类汇总后,传送总账报表会计,由其据以进行相关总分类核算。