主营业务收入的账务处理

1 主营业务收入的账务处理

业务背景

天鸿电器生产有限公司于12月2日,向华星商厦销售笑得牌电吹风120个,单位售价500元,增值税税率17%,价税款共计70200元,收到转账支票一张,发票开出,商品交付购货方。

业务要求

根据原始凭证填制记账凭证及相关明细账(见表12-1至表12-4)。

表12-1 增值税专用发票

业务流程

(1)填开销货发票。由财务成果核算人员,根据销售部提供售货凭证、单据(购货单位、品名、单价、税号等),开具销货发票,并交由财务部负责人稽核,然后将发票有关联次交购货方及相关岗位人员。

(2)办理收款手续。将销货发票记账联和收到的转账支票(或现金等)交出纳员填开进账单,送交开户银行,取得回单。

表12-2 转账进账单(回单或收账通知) 1

(3)填制记账凭证,办理收入入账手续。由收入、费用、利润核算人员审阅销货发票、“转账进账单”等销货凭单,编制记账凭证,并送交财务部负责人进行稽核。

表12-3 记账凭证

(4)登记相关账簿。记账凭证经财务部负责人稽核后,由出纳员登记“银行存款日记账”(略),由收入、费用、利润核算人员登记收入明细账,见表12-4。(“应交税费——应交增值税”明细账略)

表12-4 主营业务收入明细账

(5)传递相关会计凭证。由总账报表会计按其程序和要求登记总分类账。(略,下同)

业务背景

(1)12月8日,天鸿电器生产有限公司与新世纪商城签订产品购销合同,约定以商业汇票结算销售款项。

(2)12月10日,向新世纪商城销售清空牌吸尘器70台,单位售价1000元,发票开出,收到偿付价税款的为期2个月的商业承兑汇票一张。

(3)2015年2月10日,接开户银行通知,新世纪商城的商业承兑汇票款如数到账。

业务要求

根据原始凭证填制记账凭证及相关明细账(见表12-5至表12-7)。

表12-5 增值税专用发票

业务流程

(1)签订合同,准备售货。12月8日,由公司销售部销售人员与新世纪商城签订购销合同(合同号119007),报送一份至财务部。

(2)发售商品,确认收入。公司根据合同向新世纪商城发售D01产品70台,财务成果核算人员填开发票;价税款共计81900元,收到一张为期2个月的不带息商业承兑汇票,经审核后交出纳员收妥;财务成果核算人员据以确认收入,编制记账凭证,并交财务部负责人稽核。

表12-6 商业承兑汇票(卡片)2

(3)登记相关账簿。记账凭证经财务部负责人稽核后,往来核算人员登记“应收票据明细账”(略);由财务成果核算人员登记收入明细账(见表12-5)。(“应交税费——应交增值税”明细账略)

(4)传递凭证,进行相关总分类核算。财务成果核算人员将凭证资料归类汇总后,传递总账报表会计,由其据以进行相关总分类核算(略)。

(5)商业汇票到期,收到票款。2015年2月10日,上述商业承兑汇票到期,新世纪商城如数承付票款,根据开户银行转来收账通知,编制收款记账凭证(略),登记银行存款日记账(略);由往来核算人员登记应收票据明细账,并将有关凭证传递总账报表会计,由其据以进行相关总分类核算(略)。

业务背景

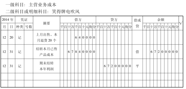
天鸿电器生产有限公司2014年11月10日销售给宏润世纪购物中心的一批笑得牌电吹风,由于产品质量原因,造成部分退货。12月18日宏润世纪购物中心退回产品20个,退货产品已送达公司,并验收入库,签发转账支票退还价税款11700元。

业务要求

根据原始凭证填制记账凭证及相关明细账(见表12-5至表12-7)。

表12-7 记账凭证

业务流程

(1)确认退货业务,办理退货手续。销售人员收到退回货物,凭单办理退货手续,并经销售部负责人审核同意;财务成果核算人员,确认退货业务,将退回产品填单送交仓库,由资产核算人员进行库存商品的明细核算(略)。

(2)支付退货款。由财务成果核算人员填开退货的发票(红字),财务部负责人审核后由出纳员签发转账支票(略),办理退款11700元的手续,并由其登记银行存款日记账(略)。

表12-8 北京增值税专用发票(红字)

(3)编制记账凭证。由财务成果核算人员编制退款冲减收入和退回产品验收入库(单位成本320元)的记账凭证,并送交财务部负责人稽核。

表12-9 记账凭证

表12-10 记账凭证

(4)登记相关账簿。记账凭证经财务部负责人稽核后,由财务成果核算人员据以登记收入明细账和主营业务成本明细账。相关人员登记库存商品明细账和“应交税费——应交增值税”明细账(略)。

表12-11 主营业务成本明细账

(5)传递会计凭证,进行总分类核算。财务成果核算人员将凭证资料归类整理后,传送总账报表会计,由其据以进行相关总分类核算(略)。