1 营业成本的业务实训
实训背景
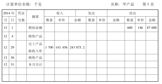
月末采用全月一次加权平均法结转本月产品销售成本,并填制库存商品、主营业务成本明细账。原始凭证如表16-1及表16-2所示。
表16-1 出库单

表16-2 出库单

(提示:本公司采用加权平均法计算发出商品成本,平时会计人员根据出库单凭证单据,在库存商品明细账户中只登记商品发出和结存的数量、不登记单价和金额,期末计算确定商品的加权平均单价后再确定发出商品的成本。因此,平时销售商品时暂不做账务处理,月末一次结转。)
实训要求
根据相关资料结转本月产品销售成本。
(1)填制记账凭证(表16-3)。
表16-3 记账凭证

(2)登记账簿(表16-4、表16-5)。
表16-4 库存商品明细账

表16-5 主营业务成本明细账
