1.1.2 独立基础钢筋平法识图

1.1.2 独立基础钢筋平法识图

1)认识普通独立基础(以下简称独立基础)的平面注写方式

独立基础的平面注写方式是指直接在独立基础平面布置图上进行数据项的标注,可分为集中标注和原位标注两部分内容(见图1.2)。

集中标注:在基础平面布置图上拿出同样基础中的一个,在基础平面布置图上集中引注(一般是基础平面图上看不到的竖向尺寸、基础形式和没有标注的配筋等)基础形式和编号、截面竖向尺寸、配筋三项必注内容,以及基础底面标高(与基底基准标高不同时,单独标注;与基底基准标高相同时,不标注,而用文字统一说明)和必要的文字注解两项选注内容。

原位标注:在同样有集中标注的地方,标注独立基础的平面尺寸、与轴线的关系和细部配筋等,其余相同的只标注基础形式和编号。基础平面布置图上,同样的基础,只标注基础代号和编号。

图1.2 独立基础平面注写方式

图1.3 独立基础集中标注

2)独立基础集中标注

独立基础集中标注包括编号、截面竖向尺寸、配筋3项必注内容(图1.3)。

(1)独立基础编号

表1.2 独立基础编号

基础编号表示独立基础的类型(见表1.2)。例如:DJJ2,表示阶形普通独立基础,序号为2;BJp3,表示杯口坡形独立基础,序号为3。

独立基础的类型包括普通和杯口两类,各又分为阶形和坡形,见表1.1。杯口独立基础一般用于工业厂房,民用建筑一般采用普通独立基础。

(2)独立基础截面竖向尺寸

独立基础截面竖向尺寸由一组或两组用“/”隔开的数字表示,比如h1/h2/h3,…,见表1.3。

表1.3 独立基础截面竖向尺寸

通过学习独立基础的编号及截面尺寸,看到独立基础的平法施工图,就要能够想象出该基础的剖面形状尺寸。这就是识图,下面举例说明。

【例】 图1.4所示是一个独立基础的平法施工图,通过阅读可以得到这些信息:BJJ表示阶形杯口基础,1200/300表示杯口内自上而下的尺寸,800/700表示杯口外自下而上的尺寸。再结合原位标注的平面尺寸,就可以想象出该独立基础的剖面形状尺寸,见图1.5。

图1.5不是平法施工图上绘制的,而是识图得到的。G101平法是指结构施工图的平面整体表示方法,因此独立基础的平面注写方式只绘制基础平面图,这就要求识图时根据制图规则来形成该构件的全貌。

图1.4 BJJ1平法施工图

图1.5 BJJ1识图

(3)独立基础配筋

独立基础配筋的注写形式如图1.6所示。独立基础的配筋有4种情况(表1.4),这4种情况在实际施工图中,有哪种就注写哪种。

图1.6 独立基础配筋注写方式

表1.4 独立基础配筋情况

①独立基础底板底部配筋

独立基础底板底部配筋的表示方式有5种情况,如表1.5所示。各种独立基础的底部配筋以“B”打头,“B”是英文单词“Bottom”的第一个字母。

表1.5 独立基础底板底部配筋

独立基础底板底部配筋识图实例:

a.两向配筋不同,见图1.7,X表示横向钢筋,Y表示纵向钢筋。

图1.7 两向配筋不同的识图

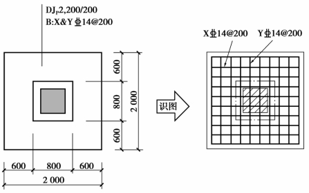
b.两向配筋相同,见图1.8,X表示横向钢筋,Y表示纵向钢筋。

图1.8 两向配筋相同的识图

c.圆形独立基础正交配筋,见图1.9,X表示横向钢筋,Y表示纵向钢筋。

d.圆形独立基础放射状配筋,见图1.10,Rs之后先注写径向钢筋,其间距是指径向钢筋最外端度量的间距,再在“/”后再注写环向钢筋。

e.短向钢筋采用两种配筋,见图1.11。先注写较大配筋,在“/”后注写较小配筋,较大配筋设置在长边中部,布置范围在下一节独立基础钢筋构造中讲解。

②杯口独立基础顶部焊接钢筋网

杯口独立基础顶部焊接钢筋网是以Sn打头的配筋信息(见图1.12),表示杯口顶部每边配置2根14的焊接钢筋网。

图1.9 圆形独立基础正交配筋识图

图1.10 圆形独立基础放射状配筋识图

图1.11 短向钢筋采用两种配筋识图

图1.12 杯口独立基础顶部焊接钢筋网识图

双杯口独立基础顶部焊接钢筋网见图1.13,表示杯口每边及中间杯壁均配置2根14的焊接钢筋网。

图1.13 双杯口独立基础顶部焊接钢筋网识图

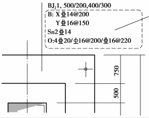
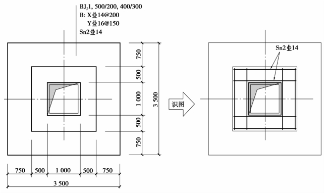
③高杯口独立基础侧壁外侧和短柱配筋

高杯口独立基础侧壁外侧和短柱配筋,以O打头,先注写杯壁外侧及短柱纵筋,再注写横向箍筋。

杯壁外侧及短柱纵筋注写格式为:“角筋/长边中部筋/短边中部筋”,见图1.14。

横向箍筋注写时,先注写杯口范围内箍筋间距,再注写短柱范围箍筋间距,见图1.15。

④多柱独立基础底板顶部配筋

独立基础通常为单柱独立基础,也可为多柱独立基础,多柱独立基础底板顶部一般要配置顶部钢筋,同时根据情况可能还会在柱间设置基础梁(基础梁的平法识图及钢筋构造图等内容在本书项目二任务7进行讲解)。多柱独立基础底板顶部配筋情况见表1.6。

图1.14 高杯口独立基础侧壁外侧及短柱配筋识图(1)

图1.15 高杯口独立基础侧壁外侧及短柱配筋识图(2)

表1.6 多柱独立基础底板顶部配筋情况

独立基础集中标注的配筋信息的第4种情况,是以“T”打头的配筋,就是指多柱独立基础的底板顶部配筋。“T”是英语单词“Top”的第一个字母。

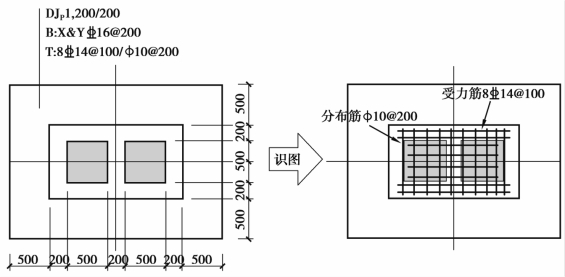
a.双柱独立基础柱间配置顶部钢筋,见图3.16,先注写受力筋,再注写分布筋。例如:814@100表示8根间距100mm的受力筋。

图1.16 双柱独立基础底板顶部钢筋

b.四柱独立基础底板顶部基础梁间配筋(见图1.17),先注写受力筋,再注写分布筋。

图1.17 四柱独立基础底板顶部配筋