8.2.2 剪力墙构件钢筋构造标注识读

8.2.2 剪力墙构件钢筋构造标注识读

1)墙身钢筋构造

(1)墙身水平筋构造

①墙身水平筋构造知识体系见表8.9。

表8.9 墙身水平筋构造知识体系

②墙身水平分布筋在端部无柱、端部暗柱、暗柱转角墙中的锚固构造见表8.10。

表8.10 墙身水平分布筋在端部无柱、端部暗柱、暗柱转角墙中的锚固构造(图集16G101—1第71页)

续表

注:剪力墙分布钢筋配置若多于两排,中间排水平分布钢筋端部构造同内侧钢筋。

③墙身水平分布筋在端柱中的锚固构造,见表8.11。

表8.11 墙身水平分布筋在端柱中的锚固构造(图集16G101—1第72页)

④翼墙墙身水平分布筋锚固构造见表8.12。

表8.12 翼墙墙身水平分布筋锚固构造

⑤墙身水平筋洞口处切断构造,见表8.13。

表8.13 墙身水平筋洞口处切断构造(图集16G101—1第83页)

⑥墙身水平筋根数构造,见表8.14。

表8.14 墙身水平分布筋根数构造(图集16G101—3第64页,图集16G101—1第78页)

续表

(2)墙身竖向筋构造

①墙身竖向筋构造知识体系,见表8.15。

表8.15 墙身竖向筋构造知识体系

②墙身竖向筋连接构造,见表8.16。

表8.16 墙身竖向筋连接构造

续表

③墙身竖向筋基础内插筋构造见表8.17。

表8.17 墙身竖向筋基础内插筋构造(图集16G101—3第64页)

续表

④墙身竖向筋楼层中基本构造,见表8.18。

表8.18 墙身竖向筋楼层中基本构造(图集16G101—1第73页)

⑤墙身竖向筋楼层中变截面构造,见表8.19。

表8.19 墙身竖向筋楼层中变截面构造(图集16G101—1第74页)

续表

⑥墙身竖向筋顶层构造,见表8.20。

表8.20 墙身竖向筋顶层构造(图集16G101—1第74页)

⑦墙身竖向筋根数构造,见表8.21。

表8.21 墙身竖向筋根数构造(图集16G101—1第75页)

(3)墙身拉筋构造(图8.9)。

图8.9 墙身拉筋构造

构造要点:

①墙身拉筋有矩形和梅花布置两种构造。

②墙身拉筋布置。在层高范围内:从楼面以上第二排墙身水平筋,至屋顶板底(梁底)往下第一排墙身水平筋;在墙身宽度范围内:从端部的墙柱边第一排墙身竖向筋开始布置;连梁范围内的墙身水平筋,需布置拉筋。

③一般情况下,墙拉筋间距是墙水平钢筋或竖向钢筋间距的2倍。

2)墙柱钢筋构造(表8.22)

表8.22 墙柱的钢筋构造表

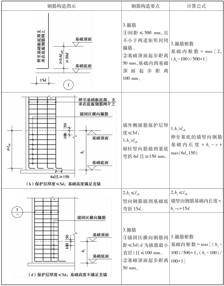
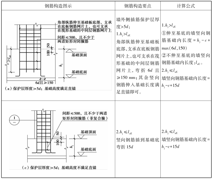
边缘构件(暗柱)纵向钢筋在基础中的构造与墙身钢筋不同,其构造见表8.23。

表8.23 边缘构件(暗柱)纵向钢筋及箍筋在基础中的构造

续表

3)墙梁钢筋构造

(1)墙梁钢筋构造知识体系(表8.24)

表8.24 墙梁钢筋构造知识体系

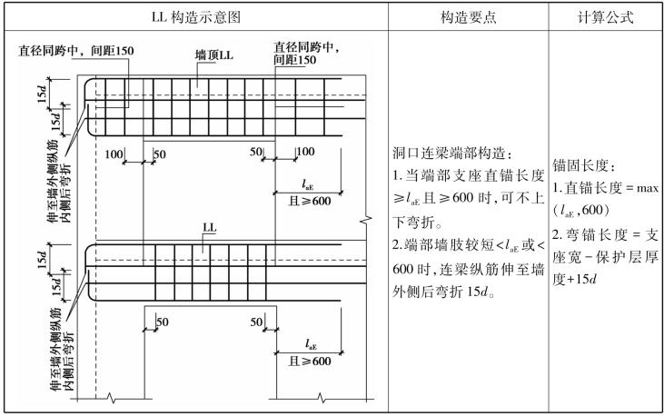
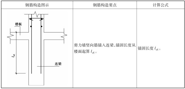
(2)连梁LL的钢筋构造(表8.25)

表8.25 连梁钢筋构造

续表

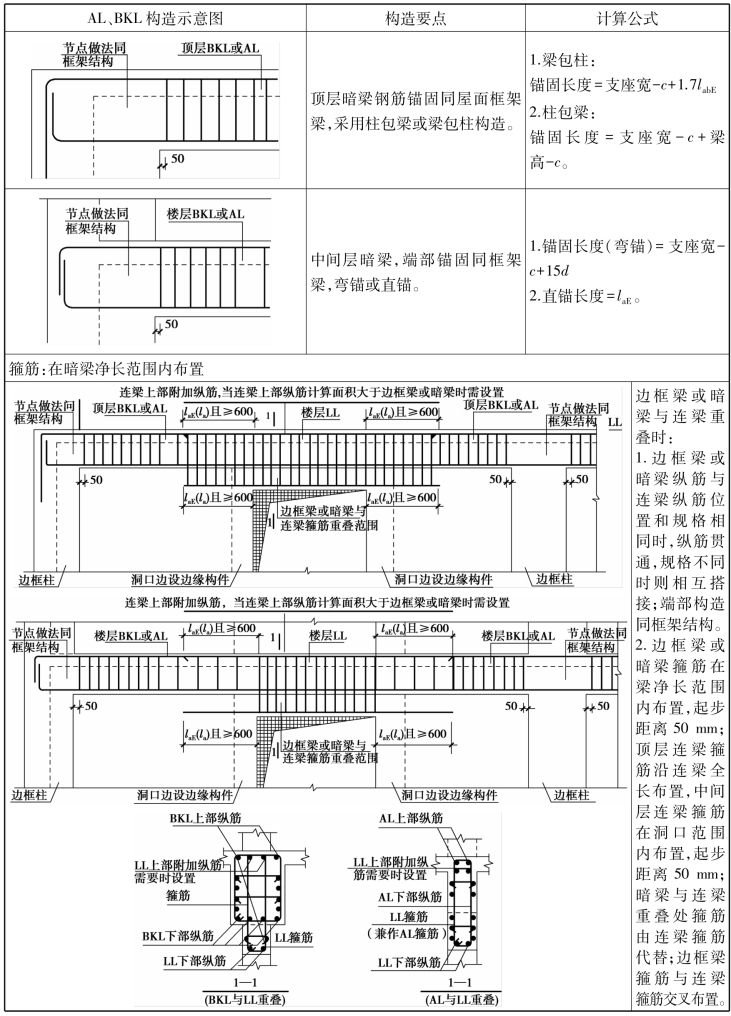
(3)暗梁AL和边框梁BKL的钢筋构造(表8.26)

表8.26 暗梁AL和边框梁BKL的钢筋构造(图集16G101—1第79页)

(4)连梁、暗梁和边框梁侧面纵筋和拉筋构造(表8.27)

表8.27 连梁、暗梁和边框梁侧面纵筋和拉筋构造(图集16G101—1第74页)