任务10 典型钢结构构件工程量计算

任务10 典型钢结构构件工程量计算

学习目标:能够正确识读钢结构施工图,确定计量单位,正确列出相应工程量计算式,准确计算钢结构构件工程量。

能力目标:能够识读钢结构施工图,确定计量单位,准确计算钢结构构件工程量。

知识目标:掌握钢结构图纸制图规则,熟悉钢结构构件标准构造要求,熟练地应用规则计算钢结构构件工程量。

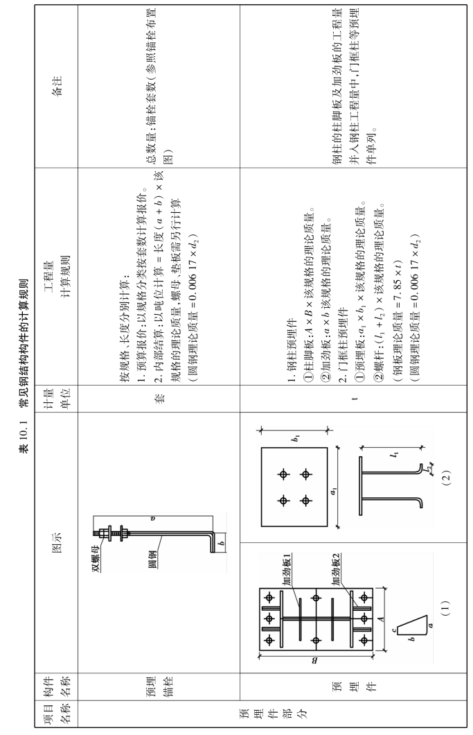
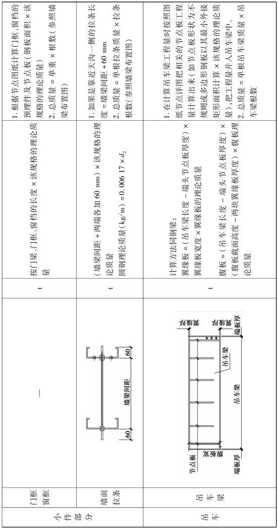
常见钢结构构件的计算规则见表10.1。