3.1.2 梁构件钢筋平法识图

3.1.2 梁构件钢筋平法识图

1)梁平法施工图表达方式

梁平法施工图表达方式有平面注写方式和截面注写方式,在实际工程中,平面注写方式应用较广,故本书主要讲解平面注写方式。

梁平面注写方式,是在梁平面布置图上分别在不同编号的梁中各选一根梁,在其上注写截面尺寸和配筋具体数值的方式来表达梁平法施工图(图3.1)。

梁构件的平面注写方式包括集中标注和原位标注。集中标注表达梁的通用数值,原位标注表达梁的特殊数值。当集中标注中的某项数值不适用于梁的某部位时,则将该项数值原位标注,识图时,原位标注取值优先(图3.2)。

2)梁构件识图方法

梁构件平法识图,主要分为两个层次。第一层次:通过梁构件的编号,在梁平法施工图上识别出是哪一根梁。第二层次:就具体的一根梁,识别集中标注与原位标注每个符号所表达的含义。

图3.1 梁平面注写方式

图3.2 梁构件的平面注写方式

3)梁构件集中标注识图

梁构件集中标注有5项必注值及1项选注值。必注值包括编号、截面尺寸、箍筋、上部通长筋或架立筋、侧面构造筋或受扭钢筋;选注值有梁顶面标高高差(图3.3)。

图3.3 梁构件集中标注

(1)梁构件编号

梁编号由代号、序号、跨数及是否带有悬挑3项组成,见表3.1。

【例】 KL5(3A):表示第5号框架梁,3跨,一端有悬挑。

WKLA(5B):表示第4号屋面框架梁,5跨,两端有悬挑。

(2)梁构件截面尺寸识图

梁构件集中标注的第2项必注值为截面尺寸,平法识图见表3.3。

表3.3 梁构件尺寸识图

续表

(3)梁构件箍筋识图

梁构件集中标注的第3项必注值为箍筋,包括钢筋级别、直径、加密区与非加密区间距及肢数。

基础构件为非抗震构件,因此条形基础中的基础梁、筏板基础中的基础主梁和基础次梁,这些构件的箍筋不设加密区,中部和端部箍筋的根数及间距直接按设计标注。

上部结构梁构件、抗震梁构件设置箍筋加密区,其他梁构件不设箍筋加密区。梁构件箍筋识图见表3.4。

表3.4 梁构件箍筋识图

续表

(4)梁构件上部通长筋(或架立筋)识图

梁上部通长筋可为相同或不同直径采用搭接连接、机械连接或焊接的钢筋,当同排纵筋中既有通长筋又有架立筋时,应用加号“+”将通长筋和架立筋相连,架立筋写在加号后面的括号内(表3.5)。

表3.5 梁构件上部通长筋(或架立筋)识图

(5)梁构件下部通长筋识图

梁构件的下部通长筋,在集中标注的上部通长筋后,用分号“;”隔开表达,少数跨配筋不同,则将该跨配筋信息原位标注(表3.6)。

表3.6 梁构件下部通长筋(或架立筋)识图

(6)梁构件侧面构造钢筋或受扭钢筋识图

当梁腹板高度hw≥450mm时,需配置纵向构造钢筋,以字母“G”打头,注写设置在梁两侧的总配筋值,且对称布置;当梁侧面需配置受扭钢筋时,以字母“N”打头,注写设置在梁两侧的总配筋值,且对称布置(表3.7)。

表3.7 梁构件侧面构造钢筋或受扭钢筋识图

(7)梁顶面标高高差

梁顶面标高高差,是指相对于结构层楼面标高的差值,有高差时写入括号内,无高差时不写。当某梁的顶面高于所在结构层的楼面标高时,其标高高差为正值,反之为负值(表3.8)。

表3.8 梁顶面标高高差

续表

4)梁构件原位标注识图

原位标注区别于集中标注。原位标注指在梁跨的局部,截面、标高、配筋信息不同于集中标注的单独标注,在梁的上部标明支座筋和架立筋,在梁的下部标明下部筋、箍筋、拉筋、腰筋、梁跨截面变化、位置变化、标高变化,还包含其他特殊改变的数值及文字说明。

(1)梁支座上部纵筋(含该部位上部通长筋在内的所有纵筋)

梁支座上部纵筋,是指标注在该支座位置的所有纵筋,包括集中标注的上部通长筋(图3.4)。

图3.4 梁支座上部纵筋

注:320是指该位置共有3根直径20mm的钢筋,其中包括集中标注的上部通长筋,另外1根就是支座负筋。

梁支座上部纵筋识图见表3.9。

表3.9 梁支座上部纵筋识图

续表

(2)原位标注下部钢筋识图

梁构件集中标注中没有标注下部通长筋,则在每跨原位标注各跨的下部钢筋,当下部纵筋多于一排时,用斜线“/”将各排纵筋自上而下分开(表3.10)。

表3.10 原位标注下部钢筋识图

(3)原位标注修正内容

当梁上集中标注的内容不适用于某跨或某外伸部位时,将其修正内容原位标注在该跨或该外伸部位。如图3.5所示,KL-6集中标注的上部通长筋为220,第2跨上部通长筋原位修正为320,表示第2跨上部有3根钢筋贯通本跨。

图3.5 原位标注修正内容(1)

悬挑端若与梁集中标注的配筋信息不同,则在原位进行标注,如图3.6所示。

(4)附加箍筋或吊筋

主、次梁交叉位置,次梁支撑在主梁上,应在主梁上配置附加箍筋或附加吊筋。

图3.6 原位标注修正内容(2)

①附加箍筋:附加箍筋的平法标注直接将其画在平面图中的主梁上,用线引注总配筋值(附加箍筋的肢数注在括号内),如图3.7所示。

图3.7 附加箍筋的平法标注

当多数附加箍筋或吊筋相同时,可在梁平法施工图上统一注明,少数与统一注明值不同时,再原位引注,如图3.8所示。

图3.8 附加箍筋、吊筋文字注写示意

②附加吊筋:附加吊筋的平法标注同附加箍筋,如图3.9所示。

图3.9 附加吊筋的平法标注

5)框架扁梁KBL识图

框架扁梁KBL的识图规则同框架梁。

(1)未穿过柱截面的纵向受力筋

框架扁梁的外形特点是扁梁的宽度通常超过柱子横截面宽度,故需注明上部纵筋和下部纵筋,还需注明未穿过柱截面的纵向受力筋根数(图3.10)。

图3.10 未穿过柱截面的纵向受力筋平法标注

集中标注下部钢筋及原位标注1025(4)表示框架扁梁有4根下部纵向受力筋及4根上部纵向受力筋未穿过柱截面,柱两侧各两根(图3.11)。

图3.11 未穿过柱截面的纵向受力筋示意图

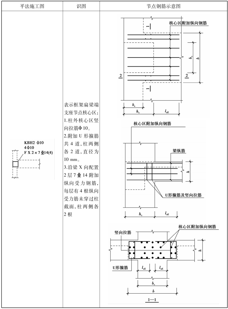
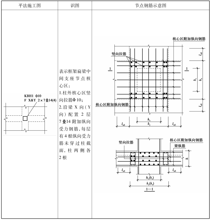
(2)框架扁梁节点核心区附加钢筋

框架扁梁节点核心区代号为KBH,包括柱内核心区和柱外核心区两部分。

节点核心区钢筋有节点核心区附加纵向钢筋、柱外核心区竖向拉筋、框架扁梁节点核心区附加U形箍筋。其表示方法为:

节点核心区附加纵向钢筋:以大写字母“F”打头,用“X”或“Y”表示钢筋设置方向,注明层数,每层的钢筋根数、钢筋级别、直径及未穿过柱截面的纵向受力筋根数。

柱外核心区竖向拉筋:应注写其钢筋级别、直径。

框架扁梁核心区还需注写附加U形箍筋的钢筋级别及根数。

[示例1]KBH1 10,FX&Y2×714(4),表示框架扁梁中间支座节点核心区:柱外核心区竖向拉筋10;沿梁X向(Y向)配置有2层714附加纵向钢筋,每层有4根纵向受力钢筋未穿过柱截面,柱两侧各2根;附加纵向钢筋沿梁高度范围均匀布置。

[示例2]KBH2 10,410,FX2×714(4),表示框架扁梁端支座节点核心区:柱外核心区竖向拉筋10;附加U形箍筋共4道,柱两侧各2道;沿梁X向配置有2层714附加纵向钢筋,每层有4根纵向受力钢筋未穿过柱截面,柱两侧各2根;附加纵向钢筋沿梁高度范围均匀布置。

框架扁梁核心区附加钢筋平法识图见表3.11。

表3.11 框架扁梁核心区附加钢筋识图

续表