导文网
搜索
首页>
图书频道>
艺术>
建筑雕塑
10.2 钢结构梁构件工程量计算
2025年10月13日
版权
10.2 钢结构梁构件工程量计算
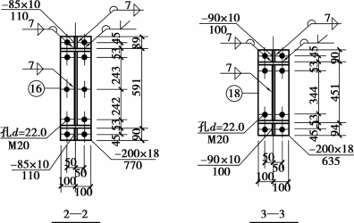
计算参数(图10.1、10.4、10.5,本例只计算梁左边第一段部分)
图10.4 某钢结构工程GJ-1梁部分立面图
图10.5 某钢结构工程GJ-1梁部分剖面图
表10.3 工程量计算步骤
上一章
下一章
目录