思考与练习

思考与练习

1.绘制图1.29的BJJ1在X或Y方向的剖面图,并标注各部位形状尺寸。

图1.29

2.在图1.30的DJP2右侧钢筋示意图中,标注出箭头所指钢筋的配筋信息。

图1.30

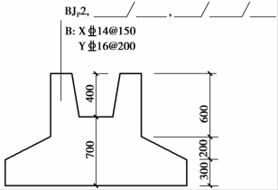
3.在图1.31中填写标注。

图1.31

4.计算图1.32中DJP5基础底板顶部钢筋的长度和根数。

图1.32