思考与练习

思考与练习

1.JL04(5B)的含义是什么?

2.在图6.34中填空。

图6.34 练习2

3.在图6.35中填空。

图6.35 练习3

4.在图6.36中填空。

图6.36 练习4

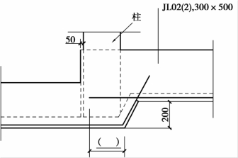
5.在图6.37中填空。

图6.37 练习5

6.在图6.38中填出基础梁底部贯通筋端部弯折长度。

7.在图6.39中填出基础梁等截面外伸底部贯通纵筋端部弯折长度。

图6.38 练习6

图6.39 练习7

8.在图6.40中填出基础梁有高差时,底部贯通纵筋的锚长。

9.在图6.41中填出基础梁底部非贯通纵筋的延伸长度。

图6.40 练习8

图6.41 练习9

10.在图6.42中填出基础梁顶部贯通筋端部弯折长度。

11.在图6.43中填出基础梁顶部第二排钢筋锚长。

图6.42 练习10

图6.43 练习11

12.在图6.44中填出节点内箍筋规格。

13.在图6.45中填出基础底板转角位置,分布筋长度。

图6.44 练习12

图6.45 练习13

14.在图6.46中填空。

图6.46 练习14

15.计算图6.47的TJPP01的钢筋。

图6.47

16.计算图6.48的各条形基础钢筋。图中所有条形基础配筋相同,均为“”。

图6.48