4.2 板构件钢筋构造

4.2 板构件钢筋构造

板构件钢筋在实际工程中可能出现的各种情况,其知识体系如图4.3所示。

图4.3 板构件钢筋知识体系

1)楼板的钢筋构造

(1)楼板端部支座的钢筋构造(表4.5)

表4.5 楼板端部支座的钢筋构造(16G101—1第99和100页)

续表

(2)楼板中间支座的钢筋构造(表4.6)

表4.6 楼板中间支座的钢筋构造(16G101—1第99页)

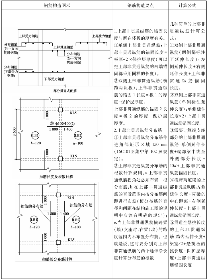
(3)上部非贯通纵筋及其分布筋的构造(表4.7)

表4.7 上部非贯通纵筋及其分布筋的构造

2)悬挑板的钢筋构造

(1)悬挑板XB钢筋构造(表4.8、表4.9)

表4.8 延伸悬挑板上部纵筋的锚固构造(16G101—1第103页)

表4.9 纯悬挑板上部纵筋的锚固构造(16G101—1第103页)

续表

(2)无支撑板端部封边构造(表4.10)

表4.10 无支撑板端部封边构造

(3)板翻边FB构造(表4.11)

表4.11 板翻边FB构造(16G101—1第100页)

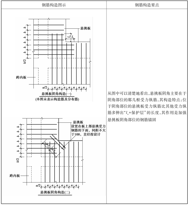
(4)悬挑板阴角构造(表4.12)

表4.12 悬挑板阴角构造(16G101—1第113页)

(5)悬挑板阳角放射筋Ces构造(表4.13)

表4.13 悬挑板阳角放射筋Ces构造(16G101—1第112页)

(6)折板配筋构造(表4.14)

表4.14 折板配筋构造(16G101—1第103页)

3)板开洞与洞边加强钢筋构造(表4.15、表4.16)

表4.15 板开洞BD与洞边加强钢筋构造一(洞边无集中荷载)(16G101—1第110页)

续表

表4.16 板开洞BD与洞边加强钢筋构造二(洞边无集中荷载)(16G101—1第111页)

续表