6.1.1 条形基础平法识图知识体系
1)条形基础平法识图知识体系(表6.1)
表6.1 条形基础平法识图知识体系

续表

2)认识条形基础
条形基础一般位于砖墙或混凝土墙下,用于支承墙体构件(图6.1)。

图6.1 条形基础示意图
(1)条形基础分类
条形基础分为梁板式条形基础和板式条形基础两大类(表6.2)。
表6.2 条形基础分类

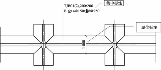
(2)认识条形基础的平面注写方式
条形基础的平法制图,工程中主要采用平面注写方式,故本书也主要讲解平面注写方式。条形基础的平面注写方式是指直接在条形基础平面布置图上进行数据项的标注,标注时分集中标注和原位标注(图6.2)。

图6.2 条形基础平面注写方式
集中标注是在基础平面布置图上集中引注:基础编号、截面竖向尺寸、配筋3项必注内容,以及当基础底面标高、基础底面基准标高不同时的标高高差和必要的文字注解两项选注内容。
原位标注是在基础平面布置图上标注各跨的尺寸和配筋。