5.3 楼梯构件钢筋计算实例

5.3 楼梯构件钢筋计算实例

本节运用楼梯构件构造要求,举例计算构件钢筋。

1)楼梯平法施工图

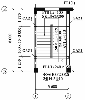
T-1楼梯平面图见图5.3,T-1楼梯剖面图见图5.4。

图5.3 T-1楼梯平面图

图5.4 T-1楼梯剖面图

2)楼梯构件钢筋工程量计算

(1)计算条件(表5.9)

表5.9 计算条件

(2)计算过程

楼梯钢筋计算参数见表5.10。

表5.10 楼梯钢筋计算参数

本书以①~②轴线交Ⓔ~Ⓓ轴的AT1为例计算楼梯钢筋工程量,具体计算过程见表5.11。

表5.11 楼梯钢筋工程量计算过程

续表