7.2.2 梁板式筏形基础次梁(JCL)钢筋的构造
梁板式筏形基础次梁的钢筋构造与基础主梁的钢筋构造类似,主要由纵向钢筋和横向钢筋(箍筋和拉筋)组成,而且对次梁的要求普遍低于主梁,主要反映在端部无外伸不需要包边(成对连通),还有顶部纵筋的锚固长度变成了构造锚固。
与基础主梁类似,基础次梁的纵向钢筋包含:以贯通形式存在的有底部贯通筋、顶部贯通筋、侧面腰筋,以非贯通形式存在的有底部非贯通筋,横向钢筋包含箍筋和拉筋两种。但钢筋在布置过程中,也将会遇见图7.22所示情况。
基础次梁纵筋和箍筋的整体构造见图7.23。

图7.22 基础次梁钢筋构造情况

图7.23 基础次梁(JCL)纵向钢筋与箍筋的整体构造
我们从整体构造中得出下列构造特点,见表7.21。
表7.21 JCL钢筋一般构造总结

续表

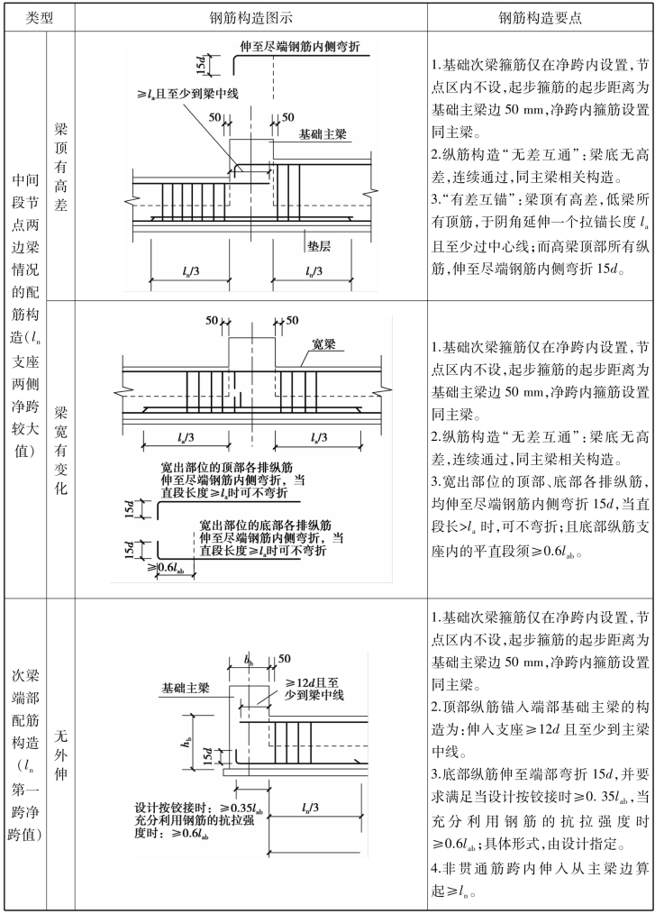
就端部、中间段可能出现的情况,下面做详细说明,见表7.22。
表7.22 基础次梁端部、中间段箍筋及顶部和底部纵筋的构造情况

续表

续表
