6.1.2 条形基础钢筋平法标注

6.1.2 条形基础钢筋平法标注

1)基础梁平法识图

条形基础基础梁分为基础梁和基础圈梁两种。

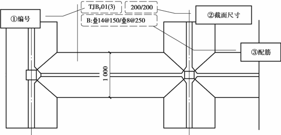
(1)集中标注

①基础梁集中标注示意图

基础梁集中标注包括编号、截面尺寸、配筋3项必注内容(图6.3)。

图6.3 条形基础集中标注

图6.4 基础梁编号平法标注

②基础梁编号识图

a.基础梁编号表示方法。基础梁集中标注第一项必注的内容是基础梁编号,由代号、序号、跨数及是否有外伸3项组成(图6.4),具体表示方法见表6.3。

表6.3 基础梁编号识图

b.基础梁“编号”识图见表6.4。

表6.4 基础梁“编号”实例

③基础梁截面尺寸识图

基础梁截面尺寸用b×h表示梁截面的宽度和高度,当为加腋梁时,用b×h Yc1×c2表示。分别见图6.5和图6.6。

图6.5 基础梁截面尺寸

图6.6 基础梁截面尺寸(加腋)

④基础梁配筋识图

基础梁集中标注的第3项必注内容是配筋。基础梁的配筋有3项内容,见图6.7。

图6.7 基础梁配筋标注内容

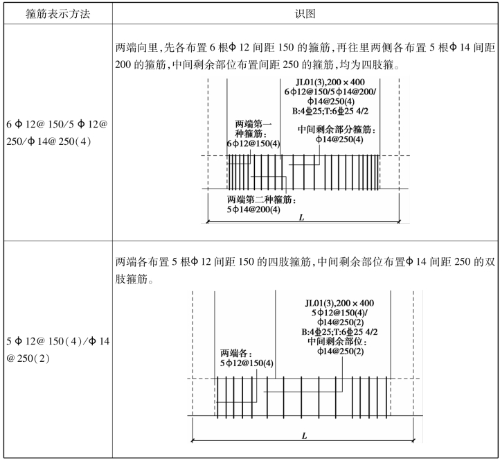
a.箍筋:基础梁箍筋表示方法的平法识图,见表6.5。

表6.5 基础梁箍筋识图

续表

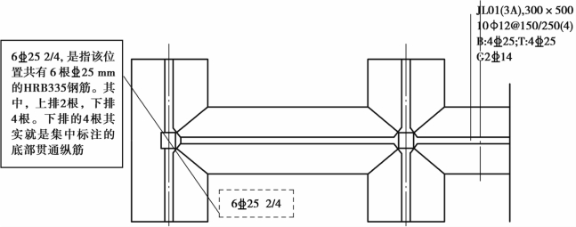
b.底部及顶部贯通纵筋:基础梁底部及顶部贯通纵筋的区别见表6.6。底部贯通纵筋根据需要,多一种带架立筋的表示方法。

表6.6 基础梁底部及顶部贯通纵筋识图

基础梁底部以字母“B”打头,顶部贯通纵筋以字母“T”打头,具体表示方法的平法识图见表6.7。

表6.7 基础梁底部及顶部贯通纵筋识图

当基础梁底部跨中钢筋的根数少于箍筋的肢数时,需要在跨中增设梁底部架立筋以固定箍筋,见图6.8。

图6.8 基础梁底部架立筋识图

c.侧部钢筋:以大写字母“G”打头,注写梁两侧面对称设置的纵向构造钢筋总配筋值(图6.9和图6.10)。侧部纵向构造钢筋的拉筋不进行标注,按构造要求进行配置即可,拉筋的配置详见本章6.2.2条形基础钢筋构造。

图6.9 基础梁侧部钢筋平法表示方法

图6.10 基础梁侧部钢筋施工效果图

(2)原位标注

①梁端部及柱下区域底部全部纵筋

基础梁端部及柱下区域原位标注的纵筋,是指标注该位置的所有纵筋,包括集中标注的底部贯通纵筋(图6.11),一定要理解原位标注的纵筋与集中标注的纵筋的关系。施工效果图见图6.12。

图6.11 认识基础梁端部及柱下区域原位标注

图6.12 基础梁端部及柱下区域原位标注施工效果图

基础梁端部及柱下区域原位标注的识图(表6.8)。

表6.8 基础梁端部及柱下区域原位标注识图

续表

②附加箍筋或吊筋

当两向基础梁十字交叉,且交叉位置无柱时,应配置附加箍筋或附加吊筋,平法标注是直接在平面图相应位置引注总配筋值。

a.附加箍筋。附加箍筋的平法标注见图6.13,表示每边各加4根,共8根附加箍筋。

图6.13 基础梁附加箍筋平法标注

图6.14 基础梁附加吊筋平法标注

b.附加吊筋。附加吊筋的平法标注见图6.14。附加吊筋施工效果图见图6.15。

③外伸部位的变截面高度尺寸

基础梁外伸部位如果有变截面,变截面高度尺寸标注见图6.16。

基础梁外伸部位变截面尽端高度值有两种情况(表6.9)。实际施工图中,应绘制相应的剖面图,以表达清楚是哪种情况。

图6.15 基础梁附加吊筋施工效果图

图6.16 基础梁外伸部位变截面高度尺寸

表6.9 基础梁外伸部位尽端尺寸的两种情况

④原位标注修正内容

当在基础梁上集中标注的内容不适用于某跨或某外伸部位时,将其修正内容原位标注在该跨或该外伸部位,见图6.17,JL01集中标注的截面尺寸为300×500,第3跨原位标注为300×400,表示第3跨发生了截面变化。

(3)基础圈梁平法识图

基础圈梁JQL和基础梁JL的平法标注方法是相同的,只是基础圈梁没有原位标注(表6.10)。

图6.17 原位标注修正内容

表6.10 基础梁JL与基础圈梁JQL平法标注的区别

2)条形基础底板的平法识图

(1)集中标注

条形基础底板集中标注包括编号、截面竖向尺寸、配筋3项必注内容(图6.18)。

图6.18 条形基础底板集中标注示意图

①条形基础底板编号识图

条形基础底板集中标注的第一项必注内容是基础底板编号,由代号、序号、跨数及是否有外伸3项组成,见图6.19。

图6.19 条形基础底板编号平法标注

条形基础底板编号中的代号、序号、跨数及是否有外伸3项符号的具体表示方法,见表6.11。

表6.11 条形基础底板编号

条形基础底板的代号由大写字母“TJB”表示,另加下标“J”和“P”以区别阶形和坡形条形基础底板(表6.12)。

表6.12 条形基础底板的阶形与坡形

条形基础底板编号识图实例,见表6.13。

表6.13 条形基础底板编号实例

②条形基础底板截面竖向尺寸识图

条形基础底板截面竖向尺寸用h1,h2,…自下而上进行标注(表6.14)。

表6.14 条形基础底板截面竖向尺寸识图

③条形基础底板配筋识图

条形基础底板配筋分两种情况:一种是只有底部配筋,另一种是双梁条形基础还有顶部配筋。底部配筋以“B”打头,“B”是英文单词“Bottom”的第一个字母;顶部配筋以“T”打头,“T”是英语单词“Top”的第一个字母。注写时,用“/”分隔条形基础底板的横向受力筋和构造分布筋。条形基础底板底部钢筋识图见图6.20。

图6.20 条形基础底板底部钢筋识图

双梁条形基础平法施工图,见图6.21。

图6.21 双梁条形基础平法施工图

(2)原位标注

条形基础底板的原位标注见图6.22。

图6.22 条形基础底板原位标注