3.2.3 非框架梁L及井字梁JZL钢筋构造

3.2.3 非框架梁L及井字梁JZL钢筋构造

非框架梁L钢筋组成(见表3.26)。

表3.26 非框架梁L钢筋组成

(1)上部钢筋端支座、中间支座变截面断开锚固构造(表3.27)

表3.27 上部钢筋端支座、中间支座变截面断开锚固构造

续表

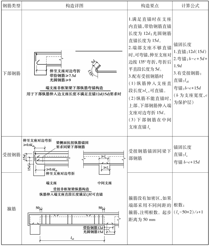
(2)支座负筋、架立筋、下部钢筋、箍筋构造(表3.28)

表3.28 支座负筋、架立筋、下部钢筋、受扭钢筋、箍筋构造(16G101—1第89页)

续表