9.2.2 结构施工图的识读

9.2.2 结构施工图的识读

钢结构施工图的结构施工图部分一般包括:

(1)结构设计总说明

结构设计总说明主要说明:

图9.6 某钢结构工程建筑设计说明

图9.7 某钢结构工程建筑平面图(局部)

图9.8 某钢结构工程建筑立面图(局部)

①各部位(钢柱、梁、檩条、支撑等)构件对应的材质,如Q235、Q345,高强螺栓的强度等级要求等。

②焊接质量要求:焊缝质量等级,无损探伤要求,如拼接焊缝质量等级应达到一级,要求100%探伤,二级焊缝20%探伤等。

③除锈要求:手工和动力工具除锈(St)、喷射或抛射除锈(Sa)。

④油漆(涂装)要求:油漆种类、涂刷遍数、漆膜厚度,防火等级,各部位的耐火极限等。

图9.9 某钢结构工程结构设计说明

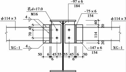
(2)平面布置图、立面图、剖面图、节点详图(图9.10~9.13)

根据图纸可依次计算如下工程量:

①预埋铁件:包括预埋定位板、预埋螺栓、螺母相关情况。

②钢柱、抗风柱、钢梁、吊车梁。

③屋面支撑、系杆、柱间支撑、雨棚骨架。

④屋面檩条、墙面檩条、屋面及墙面檩条的隅撑、拉杆。

图9.10 某钢结构工程平面布置图(局部)

图9.11 某钢结构工程立面布置图(局部)

图9.12 某钢结构工程剖面图(局部)

图9.13 某钢结构工程节点详图

(3)材料表

材料表主要表示各构件组成部分的大小和材料(图9.14)。计算过程中,图纸列有材料表的,应根据材料表所列零件编号依次核对表中零件尺寸、规格、数量是否准确,是否有少算、漏算、错算之处。

图9.14 某钢结构工程构件组成材料表