7.2.1 梁板式筏形基础主梁(JZL)钢筋的构造

7.2.1 梁板式筏形基础主梁(JZL)钢筋的构造

基础主梁的钢筋组成,包含纵向钢筋、横向钢筋(箍筋和拉筋)以及其他钢筋(见图7.18)。它们一般的构造形式见图7.19。

图7.19 基础主梁的钢筋一般构造形式

JZL钢筋一般构造要求总结见表7.14。

表7.14 JZL钢筋一般构造要求总结

续表

续表

下面分3个方面进行具体说明,即基础主梁的纵筋、横向钢筋、其他钢筋。

1)基础主梁的纵向钢筋构造

基础主梁的纵向钢筋包含:以贯通形式存在的有底部贯通筋、顶部贯通筋、侧面腰筋;以非贯通形式存在的有底部非贯通筋。但纵筋在布置过程中,将会遇见图7.20所示情况。

图7.20 基础主梁纵向钢筋构造

将基础主梁的纵筋分为两组:一组为底部和顶部纵筋,一组为侧面腰筋。根据基础梁从梁端到另一端的布置情况,将纵筋分为端部和中间段的构造情况分别进行详细讲解。

(1)基础主梁底部和顶部纵筋构造要点

基础主梁底部和顶部纵筋在梁端部无外伸时的构造,施工中原则上要求:无论贯通或非贯通筋,顶筋和底筋一层和一层、二层和二层成对连通,剩余纵筋伸至梁端部尽端后,皆弯折15d,但考虑到造价和施工的区别,故本任务不做具体介绍。

表7.15 基础主梁底部和顶部纵筋于梁端部的构造要点

同一基础主梁在中间支座两边可能没有差别,也有可能出现差别,这些差别的出现,一般于梁的平法标注中,在梁的上部的原位修正标注中显示出来。中间支座两边顶部和底部的纵向钢筋在支座处,应遵循的原则是:有差互锚,无差互通。

表7.16 基础主梁底部和顶部纵筋于梁中间段的构造要点

续表

(2)基础主梁的侧面腰筋构造要点

基础主梁的侧面腰筋分为两种:一种为带“G”的构造腰筋,另一种为带“N”的抗扭腰筋。它们构造的区别主要反映在连接长度和锚固两个方面,因此平法识图时一定要注意集中或原位标注中侧面腰筋的“带头”情况,见表7.17。

表7.17 基础主梁的侧面腰筋的构造要点

续表

2)基础主梁的横向钢筋构造

基础主梁的横向钢筋包括箍筋和与侧面纵筋相配合的拉筋。

基础主梁的箍筋标注大多包括一种间距和两种间距这两种情况,但都需要考虑位置,见图7.21。

图7.21 基础主梁箍筋布置位置情况

表7.18 基础主梁的横向钢筋构造要点

续表

3)基础主梁的其他钢筋构造

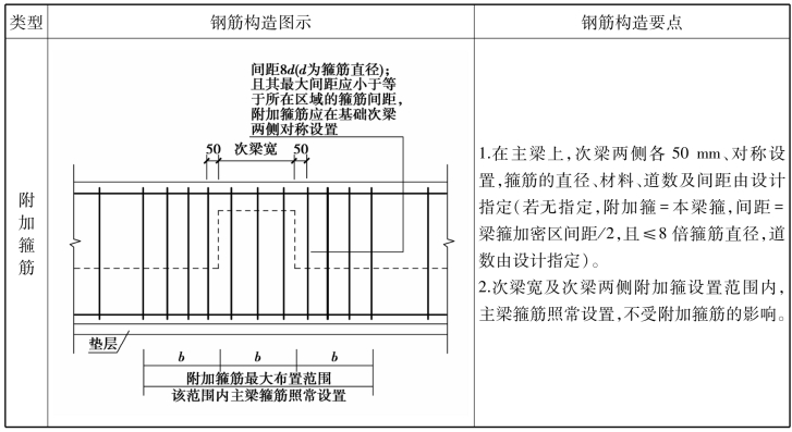
基础主梁的其他钢筋主要包括附加箍筋、附加反扣吊筋和加腋筋。附加箍筋、附加反扣吊筋有一个共同的特点,加在主梁上、主次梁的交汇处、次梁的两侧对称,同时以附加钢筋来作为判别谁是主梁的标志——交汇处,谁加了附加钢筋,谁就是主梁。具体构造见表7.19。

表7.19 附加箍筋、附加反扣吊筋的构造要点

续表

梁板式筏形基础主梁与柱的结合部(节点),除基础梁比柱宽,且完全形成梁包柱的情况外(设计时经常设计成宽扁梁,即基础梁宽大于柱宽尺寸至少100mm,这样就不必加腋了),须对交汇处的梁进行加腋处理,常以侧腋(平腋)居多,结合部的侧腋构造情况分为5种,见表7.20。

表7.20 基础主梁与柱结合部(节点)侧腋钢筋构造情况

续表