3.2.4 框架扁梁钢筋构造
框架扁梁的外形特点是扁梁的宽度通常超过柱子横截面宽度。
框架扁梁KBL钢筋组成(见表3.29)。
表3.29 框架扁梁KBL钢筋组成

(1)框架扁梁KBL纵向钢筋构造
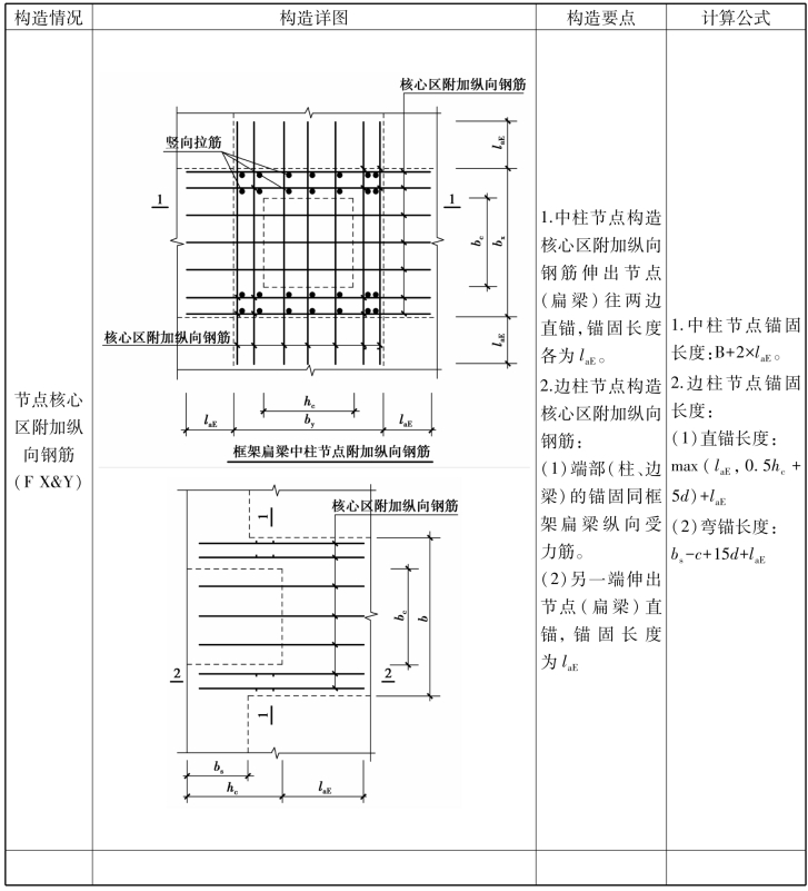
框架扁梁KBL穿过柱截面的纵向钢筋构造同框架梁构造,未穿过柱截面的纵向钢筋及节点核心区附加纵向钢筋构造见表3.30。节点核心区附加纵向钢筋沿梁高度均匀布置。
表3.30 未穿过柱截面的纵向钢筋及节点核心区附加纵向钢筋构造

续表

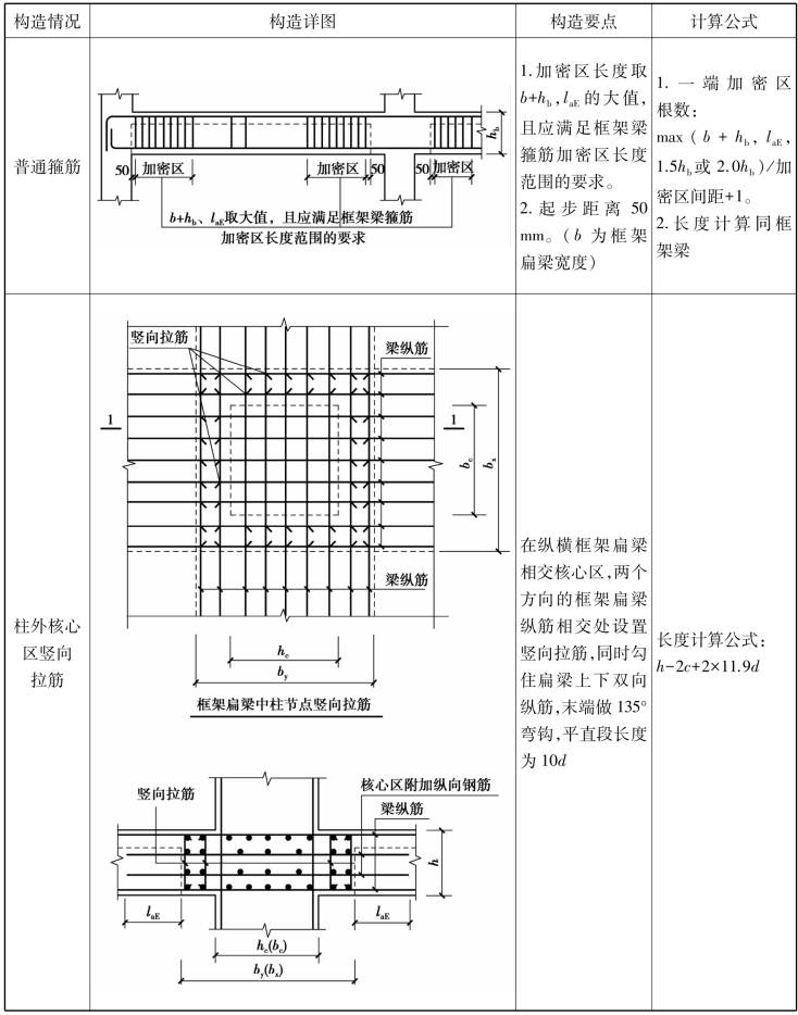
(2)框架扁梁KBL箍筋构造
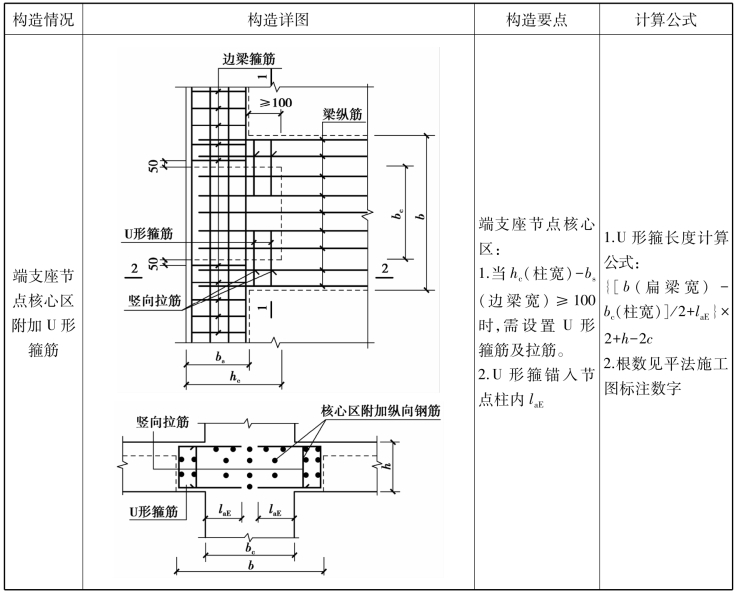
框架扁梁KBL箍筋有普通箍筋、柱外核心区竖向拉筋、端支座节点核心区附加U形箍筋,其构造见表3.31。
表3.31 框架扁梁KBL箍筋构造

续表
