3.4 光电效应和普朗克常数的测量
光电效应充分显示了光的粒子性,它对人们认识光的本性及光量子理论的建立起着极为重大的作用。1887 年赫兹在验证电磁波存在时意外地发现了光电效应现象,它所反映的实验事实是经典电磁理论无法完满解释的。1905 年爱因斯坦把普朗克提出的辐射能量不连续的观点引入光辐射,提出了光量子的概念,成功地解释了光电效应现象。1916 年密立根以精确的光电效应实验证实了爱因斯坦光电效应方程的正确性,并测定了普朗克常数。 当今,利用光电效应制成的光电元器件(如光电管、光电池、光电倍增管等)是生产和科研中不可或缺的,可以运用到诸如光电自动控制、微弱光信号检测等多个领域。
【实验目的】
①通过实验加深对光的量子性的认识。
②研究光电管的伏安特性,了解光电效应的一般规律。
③验证爱因斯坦光电效应方程,并测量普朗克常数。
【实验原理】
1.光电效应及其实验规律

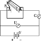
图3.13 光电效应电路图
当一定频率的光照射到某些金属表面上时,可以使电子从金属表面逸出,这种现象称为光电效应,所产生的电子称为光电子。
研究光电效应的实验装置如图3.13 所示,入射光照射到阴极K 时,由光电效应产生的光电子以某一初动能飞出,光电子受电场力的作用向阳极A 迁移而构成光电流。 一定频率的光照射阴极K所得到的光电流I 和两极间的电压U 的实验曲线如图3.14 所示。随着光电管两端电压的增大,光电流趋于一个饱和值Im,当U≤US时,光电流为零,US 称为反向遏止电压。
总结所有的实验结果,光电效应的实验规律可归纳为:
①对一种阴极材料,当照射光的频率确定时,饱和光电流Im 的大小与入射光的强度成正比。
②反向遏止电压US 的物理含义是:当在光电管两端所加的反向电压为US 时,则逸出金属电极K 后具有最大动能的电子也不能到达阳极A,此时
![]()

图3.14 U-I 特性曲线
实验得出光电子的初动能与入射光的强度无关,而只与入射光的频率有关。
③光电效应存在一个阈频率ν0,当入射光的频率ν<ν0 时,不论光的强度如何都没有光电子产生。
④光电效应是瞬时效应,只要照射光的频率大于ν0,一经光线照射,立刻产生光电子,响应时间为10-9s。
对于这些实验事实,经典的波动理论无法给出圆满的解释。 按照电磁波理论,电子从波阵面连续地获得能量。 获得能量的大小应当与照射光的强度有关,与照射的时间长短有关,而与照射光的频率无关。 因此对于任何频率的光,只要有足够的光强度或足够的照射时间,总会发生光电效应。 这些结论是与实验结果直接矛盾的。
2.爱因斯坦光电效应方程和密立根实验
1905 年爱因斯坦受普朗克量子假设的启发,提出了光量子假说,即一束光是一粒一粒以光速C 运动的粒子流,这些粒子称为光子,光子的能量为E=hν(h 为普朗克常数,ν 为光的频率)。 当光子照射金属时,金属中的电子全部吸收光子的能量hν,电子把光子能量的一部分变成它逸出金属表面所需的功W,另一部分转化为光电子的动能,即
![]()
式中 h——普朗克常数,公认值为6.626 07×10-34J·S。
这就是著名的爱因斯坦光电效应方程。
根据这一理论,光电子的能量只决定于照射光的频率,并与之呈线性关系。 由式(3.30)可见,只有当hν≥W 时,才会有光电子发射,我们把W/h 记作ν0,即
![]()
这就是说ν0 是能发生光电效应的入射光的最小频率,显然它的值随金属种类不同而不同,又称“红限”频率。
爱因斯坦光量子理论圆满地解释了光电效应的各条实验规律。
爱因斯坦的光子理论由于与经典电磁理论抵触,一开始受到怀疑和冷遇。 一方面是因为人们受传统观念的束缚;另一方面是因为当时光电效应的实验精度不高,无法验证光电效应方程。 密立根从1904 年开始进行光电效应实验,1912—1915 年,密立根对一些金属进行测量,得出了光电子的最大动能
和入射光频率ν 之间的严格线性关系,如图3.15 所示,直线在横轴上的交点ν0,说明照射光的频率小于ν0 时不会有光电子发射。 不同的金属其ν0 值不同,但所有的金属直线的斜率却是不变的。 密立根于1916 年发表论文证实了爱因斯坦方程的正确性,并直接运用光电方法对普朗克常数h 作了首次测量。
历经十年,密立根用实验证实了爱因斯坦的光量子理论。 两位物理大师因在光电效应等方面的杰出贡献,分别于1921 和1923 年获得诺贝尔物理学奖。
光量子理论创立后,在固体比热、辐射理论、原子光谱等方面都获得成功,人们逐步认识到光具有波动和粒子二象属性。 光子的能量E=hν 与频率有关,当光传播时,显示出光的波动性,产生干涉、衍射、偏振等现象;当光和物体发生作用时,它的粒子性又突出了出来。 后来科学家发现波粒二象性是一切微观物体的固有属性,并发
展了量子力学来描述和解释微观物体的运动规律,使人们对客观世界的认识前进了一大步。
3.普朗克常数的测量原理
根据爱因斯坦光电效应方程[式(3.30)]、截止电压US 与光电子的最大初动能的关系[式(3.29)]及“红限”频率ν0 与逸出金属表面所需的功W 之间的关系[式(3.31)],可得到
![]()

图3.15 最大动能与入射光频率的关系
式(3.32)表明截止电压US 是频率ν的线性函数,相应的曲线如图3.16 所示,可知US-ν 直线的斜率为
![]()

图3.16 照射光频率与截止电压的关系
US-ν 直线的延长线对纵轴的截距为
![]()
US-ν 直线与横轴的交点为阴极材料的“红限”频率ν0。
综上所述,通过用不同频率的光照射阴极,测得相应的截止电压,得出US-ν 关系,即可求得h、ν0、W。
4.影响准确测量截止电压的因素
测量普朗克常数h 的关键是正确的测出截止电压US,但实际上由于光电管制作工艺等原因,给准确测定截止电压带来了一定的困难。实际测量的光电管伏安特性曲线与理论曲线有明显的偏差,引起这种偏差的主要原因有以下几点。
①在无光照时也会产生电流,称为暗电流。 它是由阴极在常温下的热电子发射形成的热电流和封闭在暗盒里的光电管在外加电压下因管子阴极和阳极间绝缘电阻漏电而产生的漏电流两部分组成。(https://www.daowen.com)
②受环境杂散光影响形成的本底电流。
③由于制作光电管时阳极上往往溅有阴极材料,所以当光照射到阳极上和杂散光漫射到阳极上时,阳极上往往有光电子发射,形成阳极反向电流。
其中以漏电流和阳极反向电流影响最大。
由于上述原因,实际测量的光电管伏安特性曲线如图3.17 所示。 实验曲线在负电压区下沉,截止电压并不对应光电流为零,而对应反向电流开始趋于常量的点(拐点)U′S。

图3.17 U-I 实验曲线
【实验仪器】
1.DH-GD-1 型普朗克常数实验仪
①光源:用高压汞灯做光源,配专用镇流器,光谱范围从320. 3 ~872. 0 nm,其中有365.0 nm、404.7 nm、435.8 nm、546.1 nm、577 nm 等谱线可供实验使用。
②滤色片:具有可分别筛选365.0 nm、404.7 nm、435.8 nm、546.1 nm、577 nm 等谱线的能力。
③光电管及暗盒:暗盒前通光孔直径可以分别选择2 mm、4 mm、8 mm 三种。
DH-GD-1 光电效应实验仪结构示意图,如图3.18 所示。

图3.18 DH-GD-1 光电效应实验仪结构示意图
2.DH-GD-1 型微电流测试仪
普朗克常数测试仪(DH-GD-1)面板如图3.19 所示。

图3.19 普朗克常数测试仪(DH-GD-1)面板
电流测量范围为10-8 ~10-13A,分6 挡,三位半数显;电压调节范围-2 ~+2 V 和-2 ~+30 V 共两挡,三位半数显。
【实验内容及步骤】
1.测试前准备
将DH-GD-1 型普朗克测试仪与汞灯、光电管暗盒之间的屏蔽电缆、地线及光电管阳极电源线连接好;汞灯遮光罩关闭,光电管暗盒前通光孔关闭;打开汞灯电源,预热汞灯20 min左右。
2.测量某频率下光电管伏安特性曲线
打开DH-GD-1 普朗克常数测试仪电源开关,电压量程选择“-2 ~+30 V”,通过“电压调零”旋钮调零电压;将“电流量程”旋钮旋至“10-10”挡位,并通过“电流调零”旋钮将电流调零。(调零时可以让数字表头刚巧出现“-”为准)
①测量光电管反向伏安特性:选择“2 mm”光阑口,并将如435.8 nm(紫色)滤色片旋至光电管暗盒通光孔处,打开汞灯前遮光罩,将反向电压从“0 V”增大至“-2 V”,测量光电管反向伏安特性数据,记录于表3.5 中。
②测量光电管正向伏安特性:同步骤①,给电路加上正向电压从“0 V”增大至“30 V”,测量光电管正向伏安特性数据,记录于表3.6 中。
3.测量饱和光电流与入射光强的关系(选作)
测量某频率下饱和光电流Im 与入射光强P 的关系,记录于表3.7 中。
4.测量不同频率光照下光电管所对应的截止电压
将电压量程选择“-2 ~2 V”,通过“电压调零”旋钮调零电压;将“电流量程”旋钮旋至“10-12”挡位,并通过“电流调零”旋钮将电流调零。 测量不同频率照射光电管时所对应的截止电压,记录于表3.8 中。
【数据处理与分析】
1.测量光电管伏安特性曲线
表3.5 435.8 nm 光线照射下光电管加反向电压伏安特性数据

表3.6 435.8 nm 光线照射下光电管加正向电压伏安特性数据

据表3.5 和表3.6 数据画出光电管在435.8 nm 光线照射下的伏安特性曲线。
2.测量饱和光电流Im 与入射光强P 的关系(选作)
表3.7 饱和光电流Im 与入射光强P 的关系(UAK=______V)

3.不同频率光照下光电管所对应截止电压的测量
表3.8 不同入射光线对应截止电压

利用表3.8 数据分别用作图法和线性拟合的方法计算出普朗克常数。
【注意事项】
①滤光片保持清洁,禁止用手触摸光学面。
②每次开机或更换电流量程挡位后,都要进行“调零”。
③汞灯关闭后不要立即开启,必须等待灯丝冷却后再开启。
【课后讨论】
为了减小测量截止电压的误差,实验当中应采取哪些措施?