4.6 铁磁性材料基本特性的研究
磁性材料的应用非常广泛,从常用的永久磁铁、变压器铁芯到录音、录像、计算机存储用的磁带和磁盘等都采用了磁性材料。 磁滞回线和基本磁化曲线反映了磁性材料的主要特征。 本实验通过对铁磁材料动态磁滞回线的测绘,以及对Hc、Br、Bm 和Hm 等参数的测量,研究铁磁性材料的磁化特性。
【实验目的】
①了解铁磁性材料磁滞回线和磁化曲线的概念,加深对矫顽力、剩磁和磁导率的理解,认识铁磁物质的磁化规律。
②利用示波器观察并测绘样品的磁滞回线。
③测定样品的基本磁化曲线
④测量样品的Hc、Br、Hm、Bm 等参数。
【预习思考题】
①什么叫基本磁化曲线? 它和起始磁化曲线有何区别?
②如果测量前没有退磁,会出现什么情况?
③测量时H 是正弦变化的,B 是否按正弦规律变化? 反之,B 按正弦规律变化时,H 是否也按相同规律变化?
【实验原理】
1.磁化性质
一切可被磁化的物质称为磁介质,磁介质的磁化规律可用磁感应强度
、磁化强度
、磁场强度
来描述,它们满足以下关系
![]()

非铁磁性的各向同性的磁介质,H 和B 之间满足线性关系,如图4.26 所示。 铁磁性介质的μ、B、H 之间有着复杂的非线性关系,如图4.27 所示。

图4.26 顺磁质材料的B-H 曲线

图4.27 铁磁质材料的B-H 和μ-H 并系曲线
铁磁质的B-H 曲线反映了铁磁质共同的磁化特点:随着H 的增加,开始时B 缓慢增加,此时μ 较小;而后随H 的增加B 急剧增大,μ 也迅速增加;最后随H 增加,B 趋于饱和,而此时的μ 值在到达最大值后又急剧减小。 图4.27 中的μ-H 曲线表明了磁导率μ 是磁场H 的函数。
2.磁滞性质
铁磁材料除了具有高的磁导率,另一重要的特性是磁滞现象。 当铁磁材料磁化时,磁感应强度B 不仅与当时的磁场强度H 有关,而且与磁化的历史有关,如图4.28 所示。

图4.28 磁化曲线和磁滞回线
曲线OA 表示铁磁材料从没有磁性开始磁化,B 随H 的增加而增加,称为(初始)磁化曲线。 当H 值到达某一个值Hm 时,B 值几乎不再增加,磁化趋于饱和,这时铁磁质的磁化状态称为磁饱和状态;如果使H 减少,B 不会沿着原路返回,而是沿另一条曲线AC′A′下降,即铁磁质的磁化过程不可逆;当H 从-Hm 增加时,B 将沿着A′CA 曲线到达A 形成一闭合曲线,即磁滞回线。 其中当H 由Hm 减小到0 时,B 由Bm 减小到Br,Br 称为剩磁。 要使得B 为零,就必须加一反向磁场,当反向磁场强度增加到H=-Hc 时,磁感应强度B 由Br 减小为零,这个过程称为退磁,Hc 称为矫顽力。 各种铁磁材料有不同的磁滞回线,主要区别在于矫顽力的大小,矫顽力大的称为硬磁材料,矫顽力小的称为软磁材料。
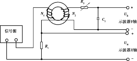
3.用示波器测量动态磁滞回线和基本磁化曲线
测量动态磁滞回线电路如图4.29 所示,研究试样是闭合状的铁磁圆环,铁磁圆环的平均磁路为L,励磁线圈的匝数为N1。 若励磁电流为i1,在试样内根据安培环路定律,有
![]()
示波器X 轴偏转板输入电压UH(即UR1)
![]()
式中的R1、L、N1 均为常数,这表明示波器X 轴输入电压的大小UH(即UR1)与磁场强度H 成正比,所以由UH 可确定H 的瞬时值,即


图4.29 用示波器测量动态磁滞回线电路
设样品的截面积为S,根据法拉第电磁感应定律,在匝数为N2 的次级线圈中,感应电动势为


![]()
![]()
![]()
q 是通过回路的电荷量,也是C2 上的电荷量。 由于q=C2UC,得
![]()
将式(4.34)代入式(4.31),只考虑数值不考虑符号,得
![]()
对上式积分,并考虑到t=0 时UC=0,B=0,得
![]()
上式中R2、C2、N2 和S 均为已知常数,所以Y 轴输入的电压UB(即UC)与磁感应强度B 成正比。 由UB 可确定瞬时B 值,即

综上所述,UB 正比于B,UH 正比于H,只要将图4.29 中的UH 和UB 分别加到示波器的“X输入”和“Y 输入”,便可通过示波器观察样品的B-H 曲线;测出UB 和UH 值,进而可测定样品的饱和磁感应强度Bm、剩磁Br、矫顽力Hc 等参数;也可将UH 和UB 分别加到测试仪的“X”和“Y”信号输入端,同样可测定并直接读取上述各参数值。
【实验仪器】
DH5416 型磁滞回线实验仪、DH5416 型磁滞回线测试仪、双踪示波器、专用连接线若干等。
1.磁滞回线实验仪
DH5416 型磁滞回线实验仪由励磁电源、试样样品、实验面板(附实验接线图)和其他器件组成。
(1)励磁电源
由变压器对220 V、50 Hz 市电进行隔离、降压后,提供样品的磁化电压,共分11 挡,即0、0.5、0.9、1.2、1.5、1.8、2.1、2.4、2.7、3.0 和3.5 V,通过波段开关可选择不同的磁化电压。
(2)试样样品
样品Ⅰ和样品Ⅱ均采用EI 形(指变压器铁芯形状一片是E 形、一片是I 形)铁芯,其尺寸(平均磁路L 和截面积S)相同,但磁导率不同。 两者的励磁绕组匝数N1 和测量绕组的匝数N2 也相等。 参数值详见表4.9。
表4.9 DH5416 型磁滞回线实验仪相关参数

(3)实验面板及其他元件
面板上装有样品Ⅰ和样品Ⅱ,励磁电源“U 选择”和励磁电流的取样电阻“R1 选择”,以及为测量磁感应强度B 所设定的积分电路元件R2、C2 等,以上元件用专用导线连接即可。 面板左边有UB、UH 输出端,用来连接示波器或测试仪。(https://www.daowen.com)
2.磁滞回线测试仪
详见本节后附录。
3.双踪示波器
X-Y 状态下使用。
【实验内容及步骤】
1.电路连接
选样品Ⅰ按实验电路图4.30 连接线路,并选R1=2.5 Ω,“U 选择”置于0 位。 UH、UB 分别接示波器的“X 输入”和“Y 输入”,插孔为公共端。

图4.30 实验电路图
2.样品退磁
开启实验仪电源,对试样进行退磁,即顺时针方向转动“U 选择”旋钮,令U 从0 增至3.5 V,然后逆时针方向转动旋钮,将U 从最大值降为0,其目的是消除剩磁,确保样品处于磁中性状态,即H=0、B=0。
3.观察磁滞回线

图4.31 调节不当引起的畸变
开启示波器电源,令光点位于坐标网格中心,选U=3.0 V,并分别调节示波器X 和Y 轴的灵敏度旋钮,使显示屏上出现图形大小合适的磁滞回线。 若图形顶部出现编织状的小环,如图4.31 所示,这时应检查示波器的通道输入方式,其中X通道打到交流输入,Y 通道打到直流输入,同时适当降低励磁电压予以消除。
4.测绘基本磁化曲线及μ-H 曲线
对样品进行退磁后,从U=0 开始,随着逐挡提高励磁电压,将在显示屏上看到面积由小到大一个套一个的一簇磁滞回线,这些磁滞回线顶点的连线就是样品的基本磁化曲线。 依次测定U=0,0.5,0.9,…,3.0 时10 组磁滞回线的Hm 和Bm 值,绘制基本磁化曲线。 根据关系式μ =
,计算不同H 对应的μ 值,绘制μ-H 曲线。
5.测绘动态磁滞回线
调节U=3.0 V,R1=2.5 Ω,测定样品Ⅰ的一组B 和H 值,测量Br、Hc,绘制B-H 曲线。
6.改变R1 观测不同的磁化曲线
7.观测和比较样品Ⅰ及样品Ⅱ的磁化特性
【数据处理与分析】
1.测绘基本磁化曲线及μ-H 曲线
测绘基本磁化曲线及μ-H 曲线记录表见表4.10。
表4.10 测绘基本磁化曲线及μ-H 曲线(R1=2.5 Ω)

2.测绘动态磁滞回线
测绘动态B-H 曲线记录表见表4.11。
表4.11 测绘动态B-H 曲线(R1=2.5 Ω,U=3.0 V)

注:数据点尽可能均匀地分布在4 个象限。
【课后讨论】
①测量铁磁物质的基本磁化曲线和磁滞回线各有什么意义?
②怎样使样品完全退磁,从而使初始状态在H=0、B=0 的点上?
③通过实验后,能否说明在测量基本磁化曲线和磁滞回线前必须先退磁的原因?
【附】
DH4516(智能型)磁滞回线测试仪使用说明
测试仪与实验仪配合使用,通过定量测量铁磁材料在磁化过程中的H 和B 值,计算其剩磁、矫顽力、磁滞损耗等参数。
1.测试仪基本组成
测试仪由两路输入信号(UB、UH)放大、两路信号数据采集、同步信号采样、数据存储、单片微机控制器(AT89C51 或89C52)及数据采集处理软件、控制键盘、输出液晶显示器、串行通信接口等组成,其结构框图如图4.32 所示。 测试仪面板如图4.33 所示,显示输出选用点阵式液晶显示器。

图4.32 智能型磁滞回线测试仪结构框图

图4.33 DH4516(智能型)磁滞回线测试仪面板
2.使用说明
先用示波器观察磁滞回线图,正常后,将实验仪与测试仪连接,然后分别打开测试仪、实验仪电源。 测试仪液晶显示器显示“欢迎使用磁滞回线测试仪”。
1)测试仪面板按键
①功能键:用于选取操作功能,每按一次键,将在液晶显示器上显示相应的功能;如需重复测量,则可以按功能键循环。
②确认键:当选定某一功能后,按下此键,即可执行功能。
③数字键(0—9):可用于修改参数,当修改完参数后按确认键,修改即有效,否则修改无效。
④复位键:开机后,输出液晶显示器显示“欢迎使用磁滞回线测试仪”。 当测试过程中由于某种干扰,出现工作不正常时,应按此键,使测试仪恢复正常工作,这时设定的参数恢复为出厂默认值。
2)测试仪操作步骤
(1)给定参数的输入
开机或复位后,输出液晶显示器窗口显示“欢迎使用磁滞回线测试仪”,之后依次按功能键,显示器窗口显示被测样品有关给定的实验参数值,详见表4.12。
表4.12 铁磁材料被测样品给定参数的输入及显示

注:上述给定参数如要改写,须在显示此参数时来回操作数字键,将改后的参数输入显示器的相应位置,按确认键后,即认可修改参数。
(2)实验数据的采集和显示
铁磁材料被测样品有关实验数据的采集和显示见表4.13。
表4.13 铁磁材料被测样品有关实验数据的采集和显示

注:按复位键,输出液晶显示器窗口显示恢复到“欢迎使用磁滞回线测试仪”。