5.2 传感器及应用
传感器是一种检测装置,能感受到被测量的信息,并能将感受到的信息按一定规律变换成为电信号或其他所需形式的信息输出,以满足信息的传输、处理、存储、显示、记录和控制等要求。 传感器技术是现代科技的前沿技术,发展迅猛,同计算机技术与通信技术一起被称为信息技术的三大支柱,许多国家已将传感器技术列为与通信技术和计算机技术同等重要的位置。现代传感器技术具有巨大的应用潜力,拥有广泛的开发空间,发展前景十分广阔。
本次实验将对光纤传感器、电阻应变片传感器、霍尔传感器进行了解及应用。
【实验目的】
①了解反射式光纤位移传感器的结构与工作原理。
②了解电阻应变片工作原理。
③了解霍尔式传感器的原理与特性。
【预习思考题】
①光纤位移传感器的工作原理是什么?
②电阻应变片传感器的电桥原理是什么?
③霍尔式传感器工作原理是什么? 有哪些特性?
【供选择的器材】
DH-CG2000 型传感器实验台: 霍尔片、磁路系统、电桥、差动放大器、F/V 表、双平行梁测微头、一片应变片、光纤、直流稳压电源、测微头、振动平台、主(副)电源。
【供选择的研究课题】
①利用电桥研究电阻应变片的特性。
②利用电阻应变片的电桥原理设计电阻应变片测试电路图。
③设计电路研究霍尔传感器直流励磁特性。
④设计用霍尔式传感器在静态测量中的应用。
⑤绘制反射式光纤传感器的输出特性曲线。
【设计要求】
①预习实验报告要求写明实验目的、实验原理,根据霍尔式传感器的原理绘出设计电路图。
②根据电阻应变片传感器的电桥原理设计出电路测试图。
③根据光纤位移传感器的原理设计出测试电路图。
④连接电路,调试仪器,记录数据。
⑤提交规范的实验报告。
【设计原理及方法】

图5.7 光纤的基本结构
1.反射式光纤位移传感器的结构原理
光导纤维是利用光的完全内反射原理传输光波的一种介质。 如图5.7 所示,它是由高折射率的纤芯和包层组成。 包层的折射率小于纤芯的折射率,直径为0.1 ~0.2 mm。 当光线通过端面透入纤芯,在到达与包层的交界面时,由于光线的完全内反射,光线反射回纤芯层。 这样经过不断地反射,光线就能沿着纤芯向前传播。
由于外界因素(如温度、压力、电场、磁场、振动等)对光纤的作用,引起光波特性参量(如振幅、相位、偏振态等)发生变化。 因此,人们只要测出这些参量随外界因素的变化关系,就可以通过光特性参量的变化来检测外界因素的变化,这就是光纤传感器的基本工作原理。
反射式光纤位移传感器是一种传输型光纤传感器,其原理如图5.8 所示。

图5.8 反射式位移传感器原理图
光纤采用Y 形结构,两束光纤一端合并在一起组成光纤探头,另一端分为两支,一支前端装有光源,称为光源光纤;另一支前端装有光电转换器,称为接收光纤。 光从光源耦合到光源光纤,通过光纤传输,射向反射片,再被反射到接收光纤,最后由光电转换器接收,转换器接受到的光源与反射体表面性质、反射体到光纤探头距离有关。 当反射表面性质确定后,接收到的反射光光强随光纤探头到反射体的距离的变化而变化。 显然,当光纤探头紧贴反射片时,接收器接收到的光强为零。 随着光纤探头离反射面距离的增加,接收到的光强逐渐增加,到达最大值点后又随两者的距离增加而减小。

图5.9 反射式光纤位移传感器的输出特性
图5.9 是反射式光纤位移传感器的输出特性曲线,利用这条特性曲线可以通过对光强的检测得到位移量。 反射式光纤位移传感器是一种非接触式测量,具有探头小,响应速度快,测量线性化(在小位移范围内)等优点,可在小位移范围内进行高速位移检测。
2.电阻应变片工作原理
电阻应变片也称电阻应变计或应变计或应变片,是一种能将机械构件上应变的变化转换为电阻变化的传感元件。 以电阻应变片为核心元件可以制成应变式传感器。 应变式传感器是利用电阻应变效应制成的传感器,是常用的传感器之一。 电阻应变效应,是指金属导体的电阻值随其机械变形而发生变化的现象。
金属电阻应变片的工作原理是吸附在基体材料上应变电阻随机械形变而产生阻值变化的现象,称为电阻应变效应。 金属导体的电阻值可用式(5.6)表示

式中 ρ——金属导体的电阻率,Ω·cm2/m;
S——导体的截面积,cm2;
L——导体的长度,m。
当金属丝受外力作用时,其长度和截面积都会发生变化,从式(5.6)中可很容易看出,其电阻值会发生改变,假如金属丝受外力作用而伸长时,其长度增加而截面积减少,电阻值便会增大。 当金属丝受外力作用而压缩时,其长度减小而截面增加,电阻值则会减小。 只要测出加载电阻的变化(通常是测量电阻两端的电压),即可获得应变金属丝的应变情况。 描述电阻应变效应关系式为

![]()
金属箔式应变片就是通过光刻、腐蚀等工艺制成的应变敏感元件,通过它转换被测部位受力状态变化。 电桥的作用是完成电阻到电压的比例变化,电桥的输出电压反映了相应的受力状态。 对于单臂电桥,输出电压为
![]()
3.霍尔式传感器原理
霍尔式传感器是基于霍尔效应的一种传感器,它广泛用于电磁测量、压力、加速度、振动等方面的测量。
将霍尔元件(半导体材料)置于磁场中,两端通一电流,当电流方向与磁场方向不一致时,电荷在运动过程中受磁力的影响积聚于两端,因而在平行于电流和磁场方向的两个端面间产生电动势,这一现象称为霍尔效应,该电势称为霍尔电势,此电势正比于磁场强度B。
本实验所用霍尔式传感器是由两个环形磁钢形成梯度磁场和位于梯度磁场中的霍尔元件组成。 当霍尔元件通以恒定电流时,霍尔元件就有电势输出。 霍尔元件在梯度磁场中上下移动时,输出的霍尔电势取决于其在磁场中的位移量,所以测得霍尔电势的大小便可获知霍尔元件的静位移。 根据法拉第电磁感应定律,当传感器线圈通以正弦交变电流时,线圈周围空间必然产生正弦交变磁场,它使置于此磁场中的金属导体表面感应出电涡流,又产生新的交变磁场,与方向相反,并力图削弱,从而导致线圈的电感量和阻抗相应地发生变化。 其变化程度取决于被测金属导体的电阻率ρ、磁导率μ、厚度t、线圈与金属导体的距离x,以及线圈激励电流的角频率ω 等参数,若固定其中若干参数,就可按电涡流大小测量其他参数。
【实验仪器】(https://www.daowen.com)
DH-CG2000 型传感器实验台等。
【实验内容及步骤】
1.反射式光纤位移传感器
(1)安装调节实验装置
①观察光纤位移传感器结构,它由两束光纤混合后,组成Y 形光纤,探头固定在Z 形安装架上,外表为螺丝的端面为半圆分布。
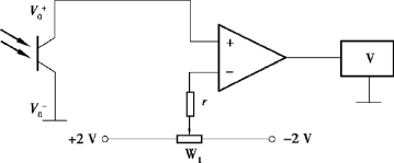
②按照图5.10 连接装置,光/电转换器内部已安装好,可将电信号直接经差动放大器放大。

图5.10 反射式光纤位移传感器电路图
③在仪器支架上安装光纤探头,探头对准镀铬反射板,调节光纤探头端面与反射板平行,距离适中;F/V 显示表的切换开关置2 V(或20 V)挡,开启主、副电源。
(2)旋转测微头观察电压读数的变化
旋动测微器,使反射板与光纤探头端面紧密接触,调节差动放大器增益适中,此时调W1光纤变换器输出电压尽可能接近零。 然后用调零旋钮将输出电压调零。 旋转测微头使贴有反射纸的被测体慢慢离开探头,观察电压读数由小→大→小的变化。
(3)测量输出特性曲线
旋转测微头使F/V 表电压指示重新回零;旋转测微头,增大反射板到光纤探头之间的距离,每隔0.05 mm(或0.1 mm)读出电压表的读数,记录于表5.3 中。
2.电阻应变片
(1)观察了解实验仪器
了解所需单元、部件在实验仪上的所在位置,观察梁上的应变片,应变片为棕色衬底箔式结构小方薄片。 上下两片梁的外表面各贴两片受力应变片和一片补偿应变片,测微头在双平行梁前面的支座上,可以上、下、前、后、左、右调节。
(2)调零
用连线将差动放大器的正(+)、负(-)、地短接。 将差动放大器的输出端与F/V 表的输入插口Vi相连;开启主、副电源;调节差动放大器的增益到最大位置,然后调整差动放大器的调零旋钮使F/V 表显示为零,关闭主、副电源。
(3)连接线路
按图5.11 接线R1、R2、R3 为电桥单元的固定电阻。 R4 为应变片;将稳压电源的切换开关置±4 V 挡,F/V 表置20 V 挡。 调节测微头脱离双平行梁,开启主、副电源,调节电桥平衡网络中的W1,使F/V 表显示为零,然后将F/V 表置2 V 挡,再调电桥W1(慢慢地调),使F/V 表显示为零。

图5.11 电阻应变片测试电路
(4)安装调试
将测微头转动到10 mm 刻度附近,安装到双平等梁的自由端(与自由端磁钢吸合),调节测微头支柱的高度(梁的自由端跟随变化)使F/V 表显示最小,再旋动测微头,使F/V 表显示为零(细调零),这时的测微头刻度为零位的相应刻度。
(5)测量随梁的自由端产生位移而电压相应变化
往下或往上旋动测微头,使梁的自由端产生位移记下F/V 表显示的值。 建议每旋动测微头一周即Δx=0.5 mm 记一个数值填入表5.4 中。
3.霍尔式传感器
①了解霍尔式传感器的结构及实验仪上的安装位置,熟悉实验面板上霍尔片的符号。 霍尔片安装在实验仪的振动圆盘上,两个半圆永久磁钢固定在实验仪的顶板上,两者组合成霍尔传感器。
②开启主、副电源将差动放大器调零后,增益置最小,关闭主电源,根据图5.12 接线,W1、r 为电桥单元的直流电桥平衡网络。

图5.12 霍尔式传感器接线图
③装好测微头,调节测微头与振动台吸合并使霍尔片置于半圆磁钢上下正中位置。
④开启主、副电源,调整W1 使电压表指示为零。
⑤上下旋动测微头,记下电压表的读数,建议每0.1 mm 读一个数,将读数填入表5.5 中。
【数据处理与分析】
1.反射式光纤位移传感器
表5.3 反射式光纤传感器的输出特性曲线数据记录表

①利用表5.3 中的数据绘制U-x 曲线。
②确定U-x 曲线的线性范围,求出位移传感器的测量灵敏度。
2.电阻应变片(表5.4)
表5.4 电阻应变片数据记录表

![]()
3.霍尔式传感器
做出U-x 曲线指出线性范围。
表5.5 霍尔传感器U-x 数据记录表

【注意事项】
①实验结束,要关闭主、副电源,把所有旋钮复原到初始位置。
②数据测量过程中沿顺时针一个方向旋转测微头,避免引入回程误差。
【课后讨论】
根据光纤位移传感器的输出特性,可以看出其有何缺点?