5.3.4 运算符指令
运算符类功能块指令也是Micro800控制器的主要指令类,该大类指令主要用于转换数据类型以及比较,其中比较指令在编程中占有重要地位,它是一类简单有效的指令。运算符类功能块指令的分类描述见表5-85。
表5-85 运算符类功能块指令分类

1.数据转换(Data Conversion)
数据转换功能块指令主要用于将源数据类型转换为目标数据类型,在整型、时间类型、字符串类型的数据转换时有限制条件,使用时须注意。该类功能块具体描述见表5-86。
表5-86数据转换功能块指令用途

下面举例说明该类功能块的应用:
(1)布尔转换(ANY TO BOOL)
如图5-98所示。

图5-98 转换成布尔变量功能块
将变量转换成布尔变量。其参数描述见表5-87。
表5-87 转换成布尔变量功能块参数列表

(2)短整型转换(ANY TO SINT)
如图5-99所示。

图5-99 转换成短整型功能块
把输入变量转换为8位短整型变量,其参数描述见表5-88。
表5-88 转换成短整型功能块参数列表

(3)时间转换(ANY TO TIME)
如图5-100所示。

图5-100 转换成时间功能块
把输入变量(除了时间和日期变量)转换为时间变量,其参数描述见表5-89。
表5-89 转换成时间功能块参数列表

(4)字符串转换(ANY TO STRING)
如图5-101所示。

图5-101 转换成字符串功能块
把输入变量转换为字符串变量,其参数描述见表5-90。
表5-90 转换成字符串功能块参数列表

2.比较(Comparators)
比较功能块指令主要用于数据之间的大小、等于比较,是编程中的一种简单有效的指令。其用途描述见表5-91。
表5-91 比较功能块指令用途

下面举例说明该类功能块的具体应用:
等于(Equal)
如图5-102所示。

图5-102 等于功能块
对于整型、实数、时间型、日期型和字符串型输入变量,比较第一个输入和第二个输入,并判断是否相等。其参数描述见表5-92。
表5-92 等于功能块参数列表

提示:由于TON,TP和TOF功能块作用,不推荐比较TIME变量是否相等。
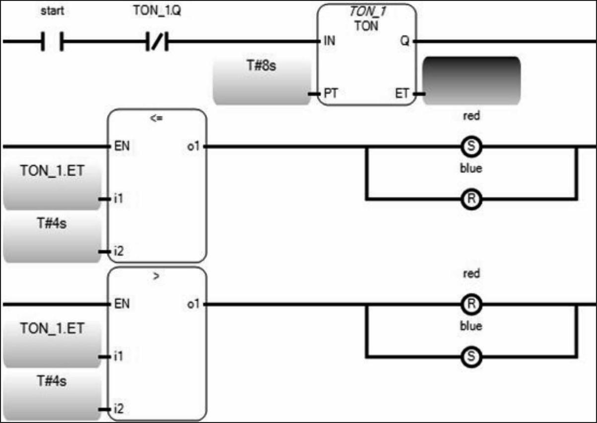
下面通过一个例子,介绍比较指令的使用方法。
如图5-103,这个程序用来控制红灯和蓝灯的亮灭,红灯前4s亮,后4s灭;蓝灯前4s灭,后4s亮。梯级一为自复位计时器,用来实现8s循环计时。当TON 1.ET小于等于4s时,置位red,复位blue。当TON 1.ET大于4s时,置位blue,复位red。

图5-103 比较指令应用