10.1.2 PowerFlex 525变频器的硬件接线
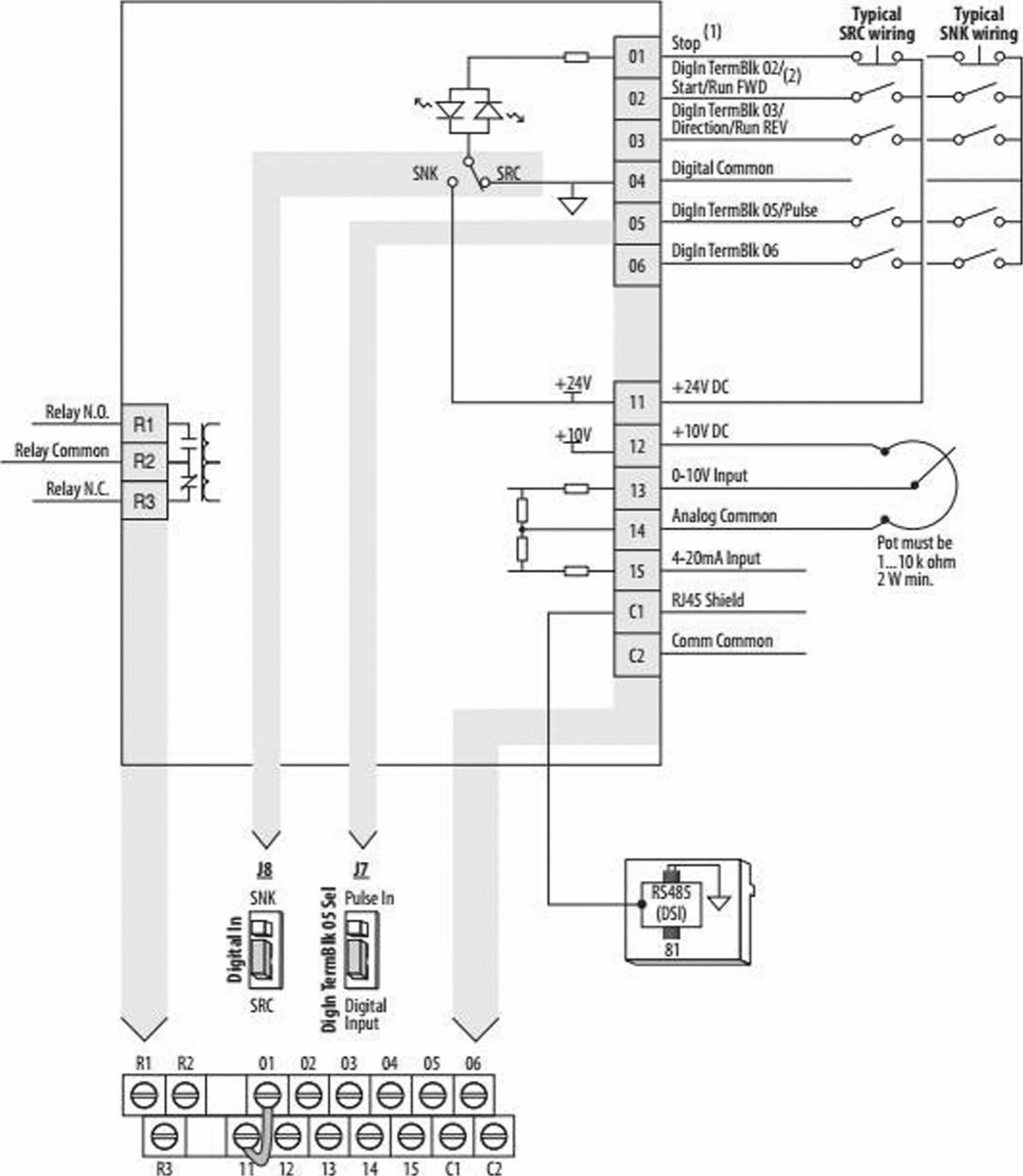
PowerFlex 525变频器的控制端子接线方式如图10-2所示,各端子说明见表10-2。

图10-2 PowerFlex 525变频器控制端子接线图
表10-2 PowerFlex 525变频器控制I/O端子

(续)

(续)

在电动机起动前,用户必须检查控制端子接线。
1)检查并确认所有输入都连接到正确的端子且很安全。
2)检查并确认所有的数字量控制电源是24V。
3)检查并确认灌入(SNK)/拉出(SRC)DIP开关被设置与用户控制接线方式相匹配。
注意:默认状态DIP开关为拉出(SRC)状态。I/O端子01(停止)和11(DC+24V)短接以允许从键盘启动。如果控制接线方式改为灌入(SNK),该短接线必须从I/O端子01和11间去掉,并安装到I/O端子01和04之间。