7.2.1 Kinetix 3驱动器硬件连线
本次实验选用的Kinetix 3系列伺服驱动器的具体型号是2071-AP1,该驱动器的外观如图7-2所示。

图7-2 K3驱动器的外观
依据上图的标号,该驱动器上的各个端口及功能见表7-2。
表7-2 驱动器端口及功能

1.Kinetix 3通信口硬件连线
本次实验中使用的通信口为上表中的12号串行接口(Comm0A),该口为6针的口,具体引脚分布如图7-3所示。

图7-3 串行接口引脚分布
每个引脚的含义见表7-3。
表7-3 串行接口引脚含义

因为Kinetix 3使用RS-232与Micro850进行通信,因此需要用到六根引脚中的1、2、4号引脚,并且需要将2080-SERIALISOR通信模块接成RS-232通信。具体的接线如图7-4所示。
2.Kinetix 3 I/O(IOD)硬件连线
Kinetix 3驱动器中除了有通信接口可以和外部设备进行通信,还提供了50个引脚的I/O接口用来和控制器进行信号传输。控制器可以通过该I/O接口实现对驱动器的控制,但是在进行控制之前需要对该驱动器进行参数配置,具体的配置方法将在后面进行介绍。I/O接口引脚分布如图7-5所示。

图7-4 RS-232通信接线

图7-5 I/O口引脚分布
表7-4中列出了I/O口各个引脚的含义。
表7-4 I/O接口引脚含义

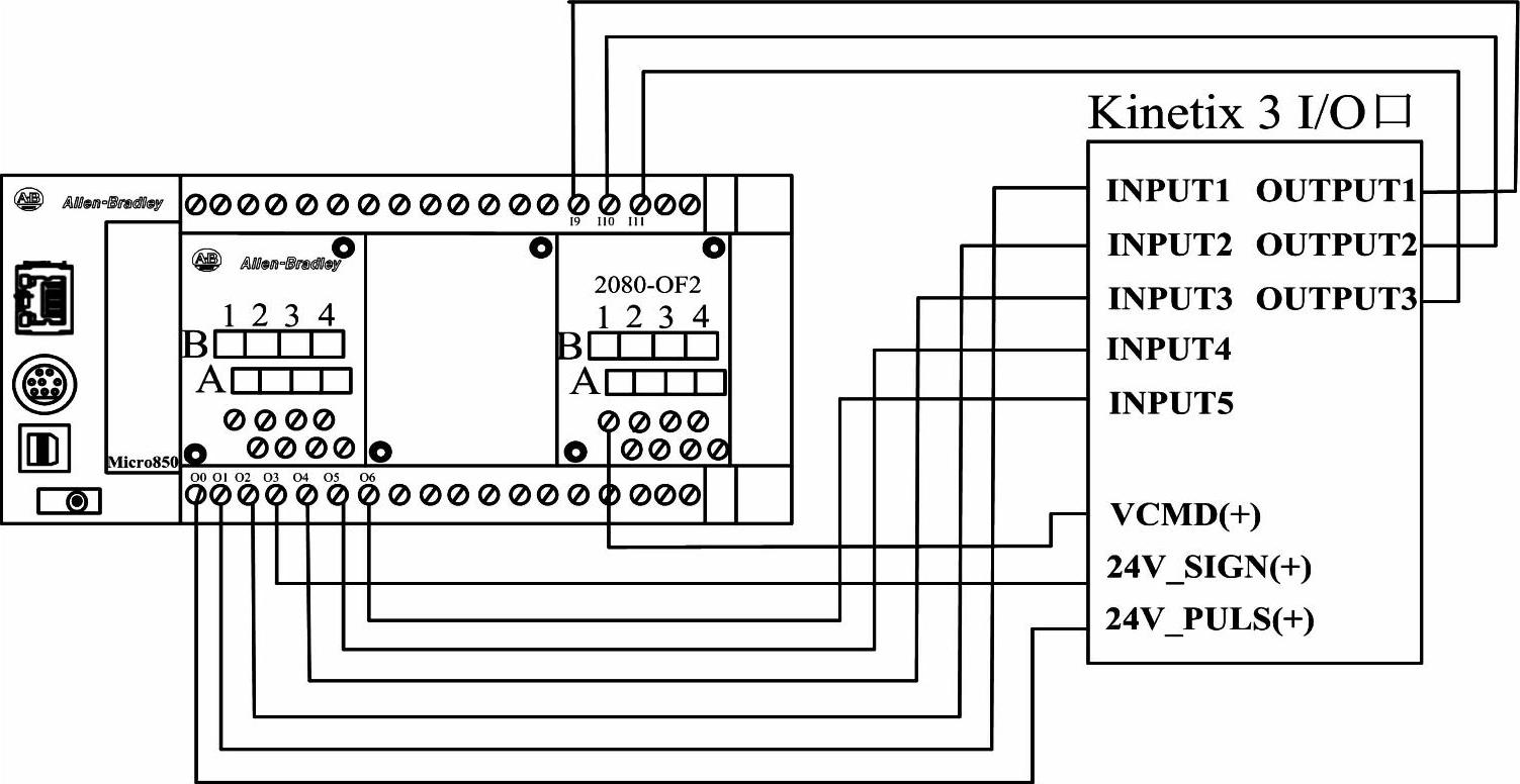
数字量输入/输出可以直接接到Micro850的本地I/O点上,具体的功能可以依据需要对Kinetix 3驱动器中的相关参数进行配置。本例中,INPUT1~INPUT5直接接到了Micro850的本地输出点O.00~O.06上,其中,输出点O.00和O.03被PTO接口占用,O.00接到K3的24V PULS(+)上,O.03接到K3的24V SIGN(+)上,原因将在后面进行说明。K3 I/O接口数字量输出接口1~3分别接到了Micro850控制器本地输入点9~11号接口上,Mi-cro850的模拟量(电压)输出点1接到了K3的速度命令输入接口VCMD(+)上。
具体的接线如图7-6所示。

图7-6 I/O与Micro850接线图