6.6 速度控制系统设计
本章的第一节讲述了速度控制系统的硬件连接,本节主要讲述速度控制系统的设计。本系统通过触摸屏PVC 600来控制Micro850控制器向变频器PowerFlex 525发出指令,从而控制电动机的运行方式和运行速度。整个速度控制系统的设计主要包括以下两个部分:
1)变频器控制(DRIVE CTRL),它是整个程序设计最核心的部分。
2)PanelView Component 600画面制作。
整个系统的设计思路为:在编写程序之前,首先要完成控制器、变频器和触摸屏之间在通信时所需要的设置,触摸屏PVC 600和控制器Micro850使用以太网进行CIP通信;控制器Micro850和变频器PowerFlex 525使用基于RS-485的Modbus协议通信。接着设计变频器的控制程序,主要通过MSG指令来控制电动机的运行方式和运行速度。然后设计屏幕画面。在设计屏幕画面的时候将添加的标签和控制程序中的控制变量和反馈变量对应起来,然后再把相关的按钮和文本与相应的标签关联,最终达到通过触摸屏来控制电动机的运行方式和运行速度的目的。
1.变频器的控制
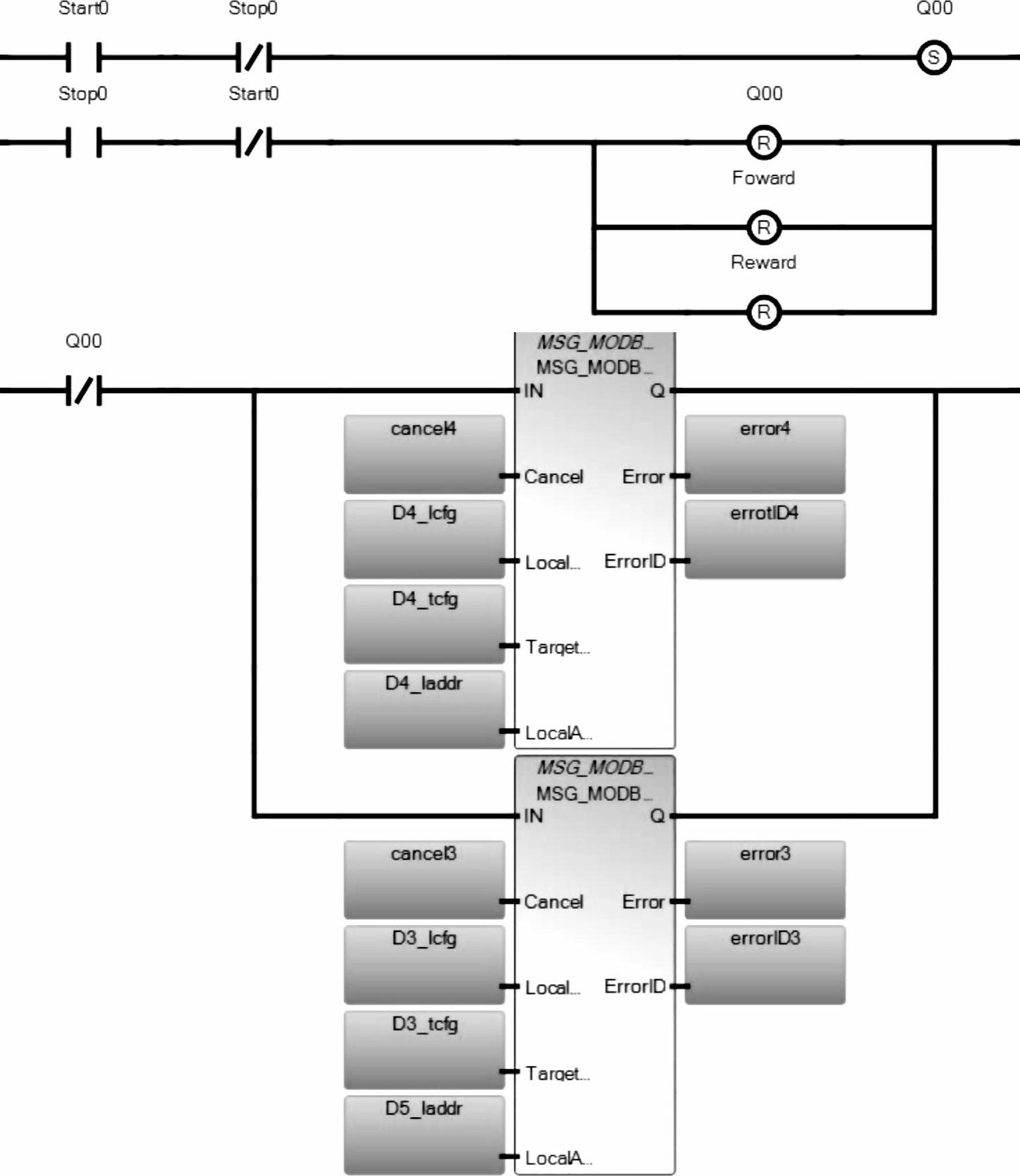
首先建立编写程序所需要的变量,见表6-13。建立变量以后,按照前面章节介绍的方法创建程序,并建立MSG MODBUS指令梯级,由于这些内容在前面的控制器通信中已经介绍过了,这里不再赘述。
表6-13 速度控制系统程序变量列表

系统的程序如图6-54所示,通过触摸屏上的相应按钮可以控制电动机的起动、停止,正转和反转的切换。在程序最后两梯级的编写目的是为了将电动机的运行状态表示出来,以便于在屏幕画面设计时监控电动机的运行状态。

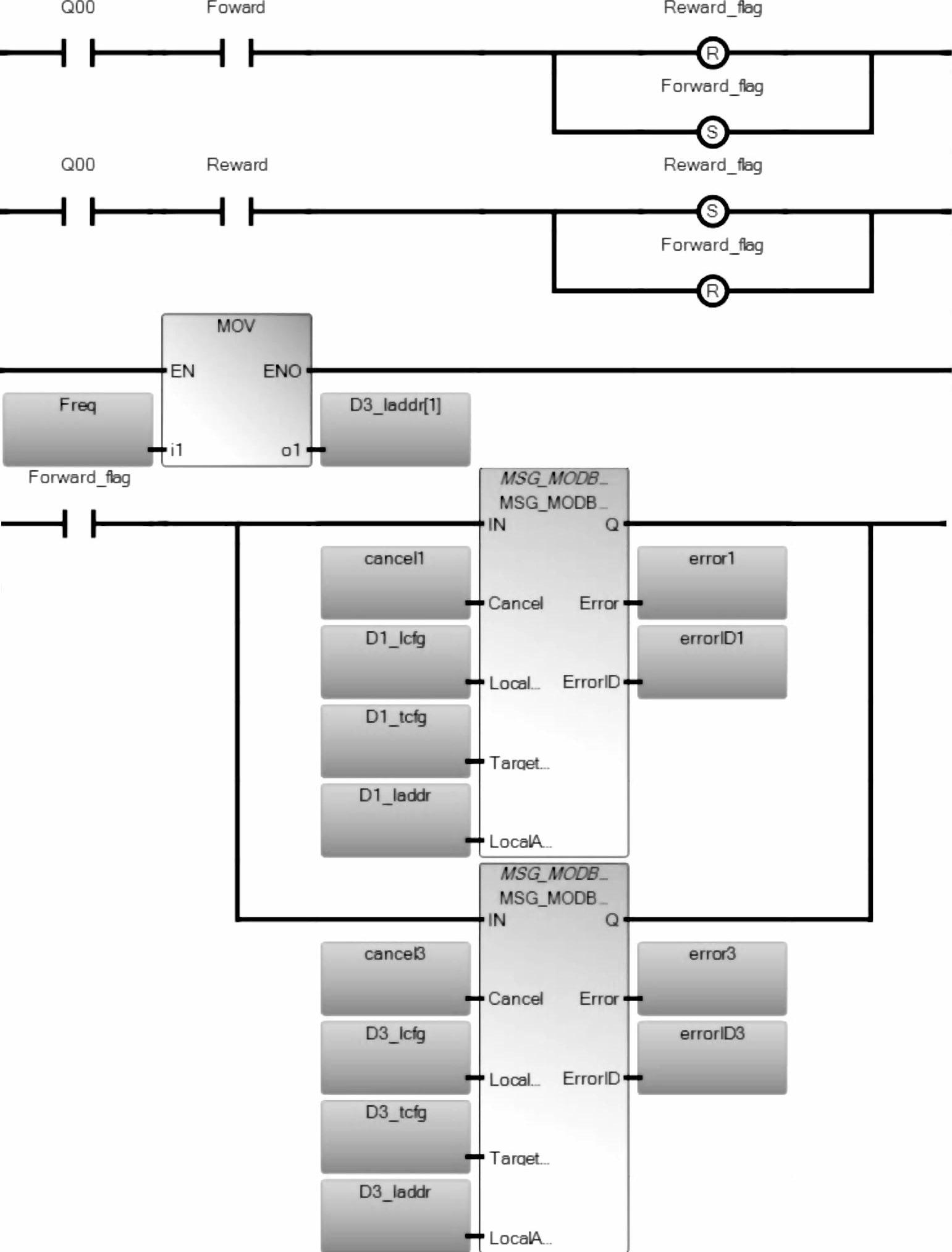
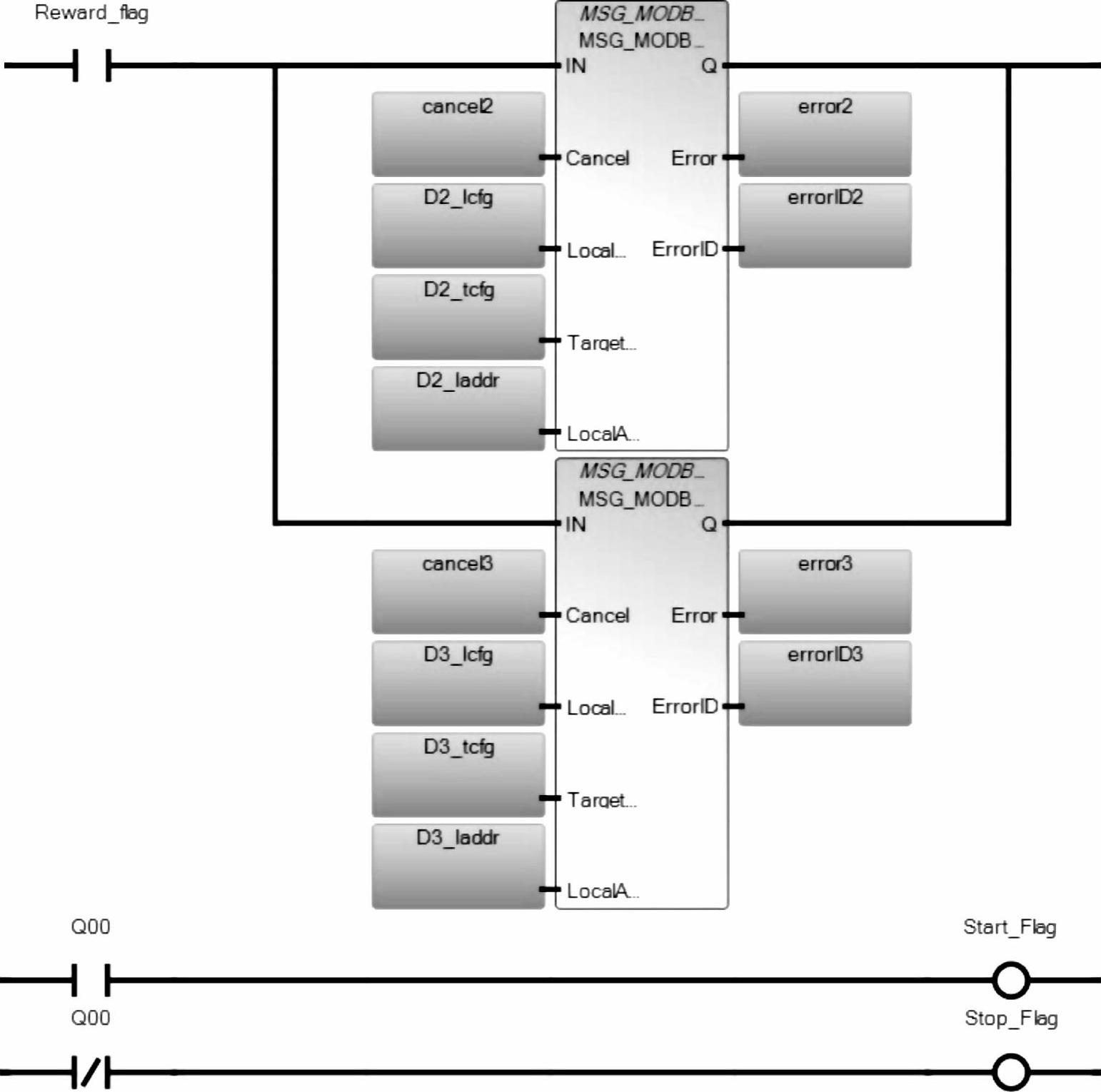
图6-54 电动机控制程序

图6-54 电动机控制程序(续一)

图6-54 电动机控制程序(续二)
2.PVC 600的设计
按照上一节的步骤创建完成的画面如图6-55所示,其中起动与停止、正转与反转重合在一起,电动机控制运行如图6-56所示。其中使用的按钮、变量和标签对应关系见表6-14。

图6-55 电动机控制界面

图6-56 电动机运行界面
表6-14 标签、变量、按钮对应关系

在屏幕上按下起动按钮,梯级1的Start0变为1,Q0.0被置1。此时按下正转按钮,正转标志位被置1,开始向变频器发送指令,但是此时的频率为0,电动机不会转。通过电动机可以给出频率,实际给变频器的频率为屏上显示的数值乘以0.01。电动机开始正转,屏上会显示出电动机正在运行,且为正转。此时按下反转按钮,电动机就会减速,然后开始反转;按下停止按钮,电动机就会停止转动。