二、比例
图形与其实物相应的线段尺寸之比称为比例。《技术制图》标准中图样(GB/T 14690—1993)对图样中的比例大小和注写方式都作了规定。
绘制图样时,应根据物体的大小及其形状的复杂程度,如表1-3所示规定的系列中选取适当的比例。
无论采用何种比例,图中所注尺寸均应是物体的真实尺寸,与比例无关。

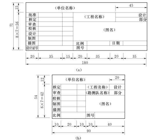
图1-17 水工图样中图标的格式和尺寸
(a)A0、A1图幅中的图标;(b)A2、A3、A4图幅中的图标

图1-18 学生作业中图标的格式和尺寸
表1-3 比 例

注 n为正整数。
在图纸上必须注明比例,当整张图纸只用一种比例时,应统一注写在图标中的比例栏内。否则,应在各视图中分别注写。