平面体斜二测的画法
2025年10月13日
二、平面体斜二测的画法
斜二测的画法与正等测基本相同,区别仅在于两者轴间角与轴向伸缩系数不同。
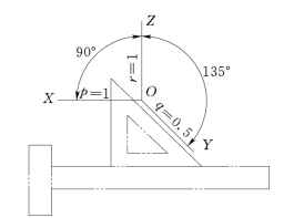
如图5-8所示,斜二测的轴间角∠XOZ=90°,∠ZOY=∠XOY=135°。OZ轴为垂直位置,OX轴水平,OY轴可用45°三角板配合丁字尺画出。斜二测的轴向伸缩系数p=r=1,q=0.5。
图5-8 斜二测的轴间角和轴向伸缩系数
因为斜二测的XOZ坐标面平行于轴测投影面,所以斜二测的特点是:物体上正平面的斜二测反映实形。
图5-9所示是用特征面法画柱类形体的斜二测的作图步骤。
图5-10所示是用叠加法画挡土墙斜二测的作图步骤。
图5-9 用特征面法画柱类形体斜二测的示例
(a)视图;(b)特征面为正平面的凹形柱的斜二测图的画法;(c)特征面为侧平面的L形柱的斜二测图的画法;(d)特征面为水平面的T形柱的斜二测图的画法
图5-10 用叠加法画挡土墙的斜二测
(a)视图;(b)画参照轴测轴。以A为起画点,用特征面法画直十棱柱;(c)以B为起画点,用特征面法画前三棱柱;(d)以C为起画点,用特征面法画后三棱柱;(e)擦去被遮挡的图线,检查,加深,完成作图