圆柱体的投影及表面上的点线

一、圆柱体的投影及表面上的点线

1.圆柱体的投影

图3 10 回转面的形成

图3-11 圆柱体的投影图

圆柱体由圆柱面和上、下底平面所围成,如图3-11(a)所示。图3-11(b)为一轴线垂直于水平投影面的正圆柱体的三面投影图。其中上、下两底平面为水平面,它的水平投影仍为圆,正面投影和侧面投影均积聚为直线;圆柱体轴线垂直于水平投影面,圆柱面的水平投影有积聚性,在正立投影面上画出轮廓素线AA 1和BB 1的投影;在侧立投影面上画出轮廓素线CC 1和DD 1的投影。应注意的是,轮廓素线AA 1和BB 1的侧面投影及CC 1和DD 1的正面投影与轴线的投影重合均不必画出。同时,应在投影图中用点画线画出圆柱体轴线的投影和圆的中心线。

2.圆柱体投影图的画法

圆柱体投影图的画法如图3-12所示。

3.圆柱体表面上的点和线

在圆柱体表面上取点,可利用圆柱表面的积聚性投影来作图。

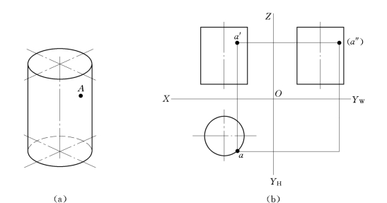
如图3-13所示,在圆柱体右前方表面上有一点A,其水平投影a在水平中心线的下半个圆周上。正面投影a′在矩形的右半边,并且为可见。侧面投影a″也在矩形的右半边,为不可见。

如果已知点A的正面投影a′,求其他两投影时,可利用圆柱面的积聚投影,先过a′作OX轴的垂线,与水平投影下半个圆周交于a,即为点A的水平投影,再利用已知点的两个投影求出点A的侧面投影a″。

图3-12 圆柱体投影图的画法

(a)画中心线及反映底面实形的投影;(b)按投影关系画其他两投影;(c)检查底图,整理并描深图线

图3-13 正圆柱体表面上点的投影

(a)直观图;(b)投影图

图3-14 正圆柱体表面上线段的投影

(a)直观图;(b)投影图

如图3-14所示,在圆柱体前方表面上有一线段MK N,其水平投影mkn在水平中心线的下半个圆周上。正面投影m′k′n′在矩形线框内,并且为可见。侧面投影m″k″n″在矩形的右半边。由于K点在圆柱面最前的轮廓素线上,所以k″为m″k″n″可见部分与不可见部分的分界点,n″为不可见,所以k″n″不可见,用虚线表示。

如果已知线段MKN的正面投影或侧面投影,求其他两投影时,可先在线段的已知投影上定出若干点,求出各点的其他投影,再依次光滑地连接其同面投影,并判别其可见性,即为所求。