Pline(多段线)命令
PLINE命令用于绘制二维多段线。多段线中的“多段”指的是单个对象中包含多条直线或圆弧。在执行修改命令时,多段线是作为一个对象处理的。PLINE命令还可以绘制不同宽度、线型、宽度渐变和填充的圆。
在默认状态,PLINE命令绘制的是优化的多段线,优化的多段线包含二维多段线的绝大部分功能而且占用较小的硬盘空间。顶点参数是作为信息的阵列保存在一个单独的对象中。当使用PEDIT命令对多段线进行样条拟合或圆弧拟合时,多段线将失去其优化特征,其顶点参数由各自独立单元保存。但使用修改命令编辑多段线时,多段线仍保持单个对象特性。
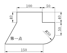
【例11-5】 利用多段线命令绘制图11-14,其中线宽为0.3mm。

图11-14
命令:pl(pline的别名)
PLINE
指定起点:20,50(第一点的坐标,绝对坐标)
当前线宽为0.0000
指定下一点或[圆弧(A)/闭合(C)/半宽(H)/长度(L)/放弃(U)/宽度(W)]:150(方向距离)
指定下一点或[圆弧(A)/闭合(C)/半宽(H)/长度(L)/放弃(U)/宽度(W)]:a(画圆弧)指定圆弧的端点或
[角度(A)/圆心(CE)/闭合(CL)/方向(D)/半宽(H)/直线(L)/半径(R)/第二点(S)/放弃(U)/宽
度(W)]:ce(指定圆心)
指定圆弧的圆心:@0,50(相对坐标,圆心相对直线端点的坐标)
指定圆弧的端点或[角度(A)/长度(L)]:a(指定圆弧的角度)
指定包含角:70(圆弧角度设定为70度)
指定圆弧的端点或
[角度(A)/圆心(CE)/闭合(CL)/方向(D)/半宽(H)/直线(L)/半径(R)/第二点(S)/放弃(U)/宽
度(W)]:l(接着画直线)
指定下一点或[圆弧(A)/闭合(C)/半宽(H)/长度(L)/放弃(U)/宽度(W)]:50(方向距离)
指定下一点或[圆弧(A)/闭合(C)/半宽(H)/长度(L)/放弃(U)/宽度(W)]:50
指定下一点或[圆弧(A)/闭合(C)/半宽(H)/长度(L)/放弃(U)/宽度(W)]:40
指定下一点或[圆弧(A)/闭合(C)/半宽(H)/长度(L)/放弃(U)/宽度(W)]:100
指定下一点或[圆弧(A)/闭合(C)/半宽(H)/长度(L)/放弃(U)/宽度(W)]:40
指定下一点或[圆弧(A)/闭合(C)/半宽(H)/长度(L)/放弃(U)/宽度(W)]:c