导文网
搜索
首页>
图书频道>
工学>
环境科学
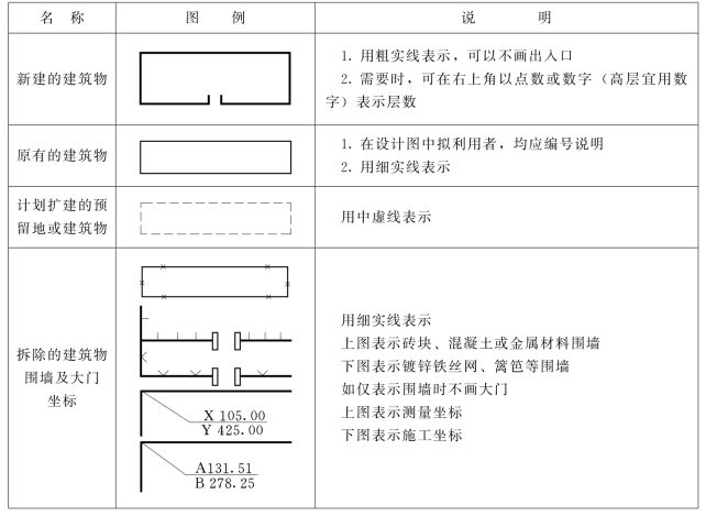
总平面图图例(图10-3)
2025年10月13日
版权
八、总平面图图例(图10-3)
图10-3 图例
上一章
下一章
目录