五、内容和方法
(一)藻类
1.蓝藻门
1)颤藻属(Oscillatoria)
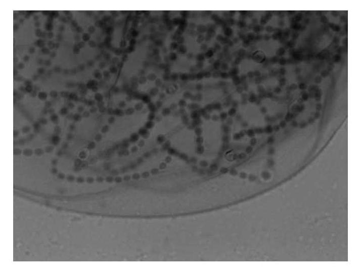
颤藻属隶属颤藻目(Oscillatoriales)颤藻科(Oscillatoriaceae)。分布广,常生长在富含有机质的浅水沟渠中或潮湿的土表,外观为蓝绿色的膜状物。其藻丝有特征性的滑行及摆动运动,因而得名。实验前的一两天将采来的材料放置在小烧杯中,加适量水,以不淹过材料为宜,它们可借滑行、摆动移到杯壁上。
用镊子或解剖针挑取颤藻丝状体制成临时装片,置于显微镜下观察。低倍镜下,可见到许多由一列短圆形、方形或盘形的细胞组成的不分支的丝状体(图6-1)。注意观察藻体的运动方式,颤藻属的许多种类能纵向爬行,并围绕纵轴做旋转运动。旋转的方向是不变的,有些种类是按逆时针方向旋转,有些则是按顺时针方向旋转。冬季可用酒精灯适当微热促其运动。
2)念珠藻属(Nostoc)
念珠藻属隶属念珠藻目(Nostocales)念珠藻科(Nostocaceae)。具异形胞,以厚壁孢子和藻殖段繁殖,为固氮蓝藻,常生于潮湿的岩面及土表。念珠藻属种类均具胶质包被,胶质体形态多样,有球状、片状或丝状。普通念珠藻(N.commune Vanch.,图6-2),又名地木耳,为片状胶质体,显微镜下观察,可见胶质内有许多念珠状细胞串连成的不分支丝状体。

图6-1 颤藻

图6-2 普通念珠藻
2.绿藻门
1)水绵属(Spirogyre)
它是接合藻纲(Conjugatophyceae)双星藻目(Zygnematales)双星藻科(Zygnemataceae)最常见的属。多分布于淡水池塘、稻田、沟渠等水体中,生长繁盛时外观呈碧绿色、棉絮状,其细胞外壁具丰富的果胶质,用手触摸有黏滑感。取少量新鲜水绵藻丝制作临时装片,于低倍镜下观察,其植物体为一列柱状细胞构成的不分支丝状体(图6-3)。水绵的有性生殖有侧面接合、梯形接合两种方式,最常见的为梯形接合(图6-4)。
若条件允许,可在水绵发生接合生殖的春、秋季节采集新鲜材料观察。水绵接合生殖时期藻体颜色由碧绿色转变为黄绿色,采集漂浮于水面上的黄绿色丝状体,为进一步确认,可用放大镜在阳光下观察,若隐约可见藻体上有黑褐色的点(为已经形成的合子),说明水绵处于接合生殖期间。也可室内诱导水绵接合生殖。新鲜材料有利于观察水绵接合生殖的一系列动态过程:接合管的产生与形成、原生质体的浓缩与运动、配子的结合与合子的形成。
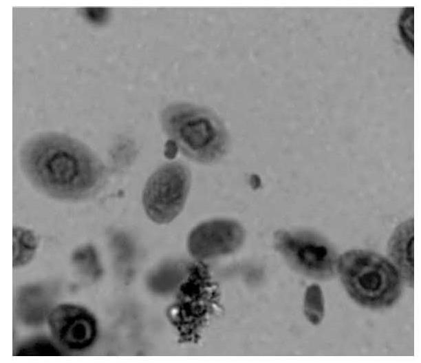
2)衣藻属(Chlamydomonas)
衣藻属隶属绿藻纲(Chlorophyceae)团藻目(Volvocales)衣藻科(Chlamydomonadaceae),如图6-5所示。在有机质丰富的淡水水体或潮湿的土壤中普遍分布。取衣藻永久制片(或含衣藻的水样)观察,在低倍镜下可看到卵形、球形或梨形的绿色单细胞植物体。将视野调暗观察,两条等长鞭毛位于细胞前端,在经碘液染色后,鞭毛因吸碘加粗可较清楚观察到;眼点呈红色,位于鞭毛基部附近。

图6-3 水绵丝状体

图6-4 水绵接合生殖

图6-5 衣藻
3.硅藻门
硅藻(图6-6)在水中分布广泛,是鱼类和其他水生动物的食物。藻体通常为单细胞。硅藻区别于其他藻类的最典型特征是硅质构成的细胞壁,细胞壁由2个半壳套合而成,高倍镜下可见壳面上的花纹。取含有硅藻的池塘水进行观察,区分常见的淡水硅藻种类。在显微镜下观察时,可用铅笔头轻敲盖玻片翻转细胞,观察壳面观、带面观形态,壳缝、硅质纹、载色体等。
观察硅藻装片,常见的硅藻有直链藻属(Melosira)、舟形藻属(Navicula)、羽纹藻属(Pinnularia)等。
4.红藻门——紫菜(Porphyra tenera)
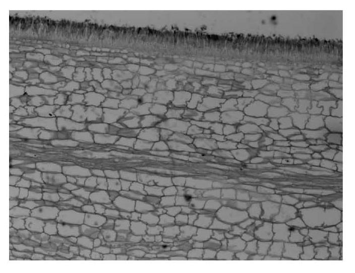
取紫菜浸泡标本,观察藻体(配子体)形状和颜色。植物体为薄的扁平不规则叶状体,基部具有一个固着器。由于具果胶、海萝胶等果胶化合物,触摸植物体时有黏滑感。新鲜植物体呈紫红色,晒干的紫菜为黑绿色。(为什么?)取紫菜横切永久制片(图6-7),观察营养细胞、果胞、果孢子和精子囊切面,从形状、大小、数目以及排列方式四个方面进行比较。

图6-6 各种硅藻

图6-7 紫菜横切面结构
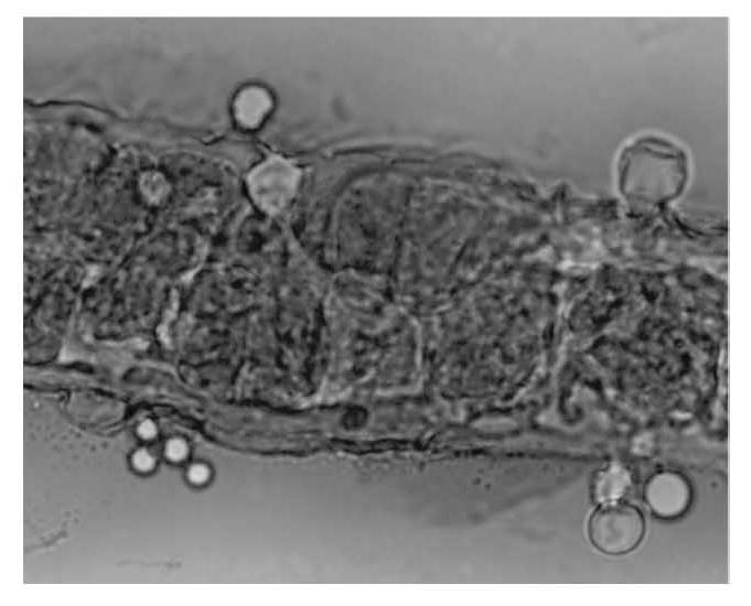
5.褐藻门——海带(Laminaria japonica)
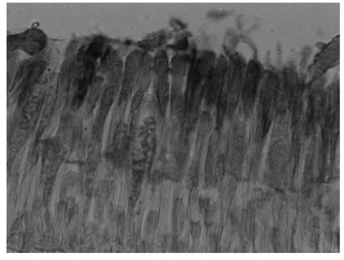
取浸泡过的海带观察植物体(孢子体)的带片、柄及固着器三部分。固着器为基部分支的假根,假根的上方为一个短的圆柱状的柄,柄的上方为扁平的带片(主要食用的部分)。取带片做徒手切片,辨识表皮、皮层和髓三部分。注意髓部类似筛管的输导结构喇叭丝。取海带孢子囊或孢子囊制片在显微镜下观察。海带带片两面略微高出表皮的突起的区域即为孢子囊区,过孢子囊区做带片横切,观察孢子囊及孢子囊之间混生的隔丝(图6-8、图6-9)。

图6-8 海带横切面结构

图6-9 海带孢子囊及隔丝
(二)菌类
(1)酵母菌属(Saccharomyces):本属为子囊菌亚门单细胞代表。夹取新鲜甜酒酿中的酒米在载玻片中央的水滴中轻轻涮几下,然后去掉酒米,盖上盖玻片,制成临时装片,置于显微镜下,观察细胞形态、大小及出芽繁殖的方式。思考何为拟菌丝及其形成原因。
(2)青霉属(Penicillium):子囊菌亚门,为有隔菌丝构成的菌丝体。用镊子挑取贴近橘皮的白色或淡绿色的菌丝体部分,制作临时装片,于显微镜下观察。先于低倍镜下观察青霉扫帚状形态。再转换至高倍镜下,注意观察菌丝有无横隔,然后进一步观察分支情况,区分分生孢子梗、分生孢子小梗及其上长出的一连串的青绿色的分生孢子。
(3)根霉属(Rhizopus):接合菌亚门,为无隔菌丝构成的菌丝体。从发霉的馒头上挑取少量白色的菌丝体制作临时装片。在低倍镜下观察菌丝有无分支和横隔(图6-10)。注意区分基部分支的假根,横走的匍匐菌丝、直立的孢子囊梗及其顶端膨大的球形孢子囊。成熟孢子囊内有许多黑色孢囊孢子。
(4)担子菌类:担子菌是真菌中的高等类型,常见的食用菌有香菇(Lentinus edodes)、蘑菇(Agaricus campestris)、平菇(Pleurotus ostreatus)及木耳(Auricularia auricula)等。取蘑菇或平菇的菌褶做纵切,制成临时装片,观察子实层的结构,区分无隔担子、担孢子及隔丝(图6-11)。取平菇的菌盖,用镊子挑取火柴头大小的菌肉,尽量捣碎分散,制作临时装片,观察锁状联合。
观察常见大型真菌腊叶标本或浸泡标本,如虫草属(Cordyceps)、羊肚菌属(Morchella)、灵芝属(Ganoderma)、鬼笔目(Phallales)、马勃目(Lycoperdales)等。
(三)地衣
地衣是真菌和藻类的共生体。形态通常有以下3种。
(1)壳状地衣(彩图1):菌丝牢固贴在树皮或岩石上,很难从基质上剥离。
(2)叶状地衣(彩图2):植物体呈叶状,有背、腹之分,以假根附着于基质上,易采下。

图6-10 根霉属

图6-11 平菇无隔担子及担孢子
(3)枝状地衣(彩图3):植物体呈树枝状,直立或下垂,仅基部附着于基质上。观察壳状、叶状和枝状地衣标本,比较它们的形态。
取同层地衣和异层地衣永久制片,观察地衣解剖结构,比较二者的异同。