(二)变速器拆检

(二)变速器拆检

下面以MA5变速器为例介绍变速器的拆装与检修。

1.MA5变速器的技术参数与要求

1)识别

图2-1所示为MA5变速器。

图2-1 MA5变速器

标记区域“a”“b”:“a”为部件参考号,“b”为序列号。

2)数据

变速器各部件参数如表2-2所示。

表2-2 变速器各部件参数

3)润滑

需要润滑油型号为:ESSO 75W 80 EZL 848或TOTAL 75W 80 H6965,机油容量2L,终身润滑(不需要检查液面)。

任何加注只需排空变速器后加注正确油量即可,在变速器排空之后,由通气孔充填。

4)拧紧扭矩

各紧固件的标准拧紧扭矩如表2-3所示。

表2-3 各紧固件的标准拧紧扭矩

(∗)将螺栓螺纹涂LOCTITE防松胶。

5)变速器清洁及安装条件

(1)禁止在接合面上使用磨料或锋利工具。

(2)使用丝锥清洁气缸体上的螺纹孔。

(3)仅安装干净且无故障(划痕、毛边、撞痕)的零件。

(4)给安装零件涂润滑油。

(5)拆卸后必须更新:油封、密封圈、销、轴承、轴承导板、弹簧圈及卡环、弹簧垫圈、限位导向紧固螺栓、离合器轴轴承、轴锁紧螺母、中间板紧固螺栓、差速器行星齿轮轴和弹性挡圈。

(6)需要保持相匹配的部件为:离合器壳和中间板、选择杆和轴、离合器杆和轴、啮合块和杆、拨叉和轴。

2.从车上拆变速器

拆装变速器所用专用工具如表2-4所示。

表2-4 拆装变速器所用专用工具

1)拆卸

(1)将车辆放到双柱斜面上,升起并支撑住车辆,断开蓄电池。

①使用夹钳拆下进气口软管环,取下曲轴箱通气管,拆下进气口共振器和空气滤清器。

②拆下蓄电池及蓄电池支架,同时拆下发动机速度传感器。

(2)拆开发动机接地电缆,拔下倒挡开关接头和发动机速度传感器。

(3)拆下发动机转速传感器。

(4)图2-2所示为离合器拉索,拉动离合器拉线,将其从自拉线套管止推支架的离合器拉线上拆下,取下拉索套管尾端件2和衬垫1。拆下前轮、发动机下护板和左前挡泥板。

图2-2 离合器拉索

1—衬垫;2—拉索套管尾端件

(5)排空变速器,拆下驱动轴、排气管和发动机飞轮下部外壳的关闭面板。

(6)如图2-3所示,松开齿轮选择连杆;使用球节解除工具,拆下扭矩反作用螺柱,拿下反作用连杆,松开起动机螺栓。

图2-3 松开齿轮选择连杆

1—10mm的球节解除工具;2—13mm的球节解除工具

(7)将起动机移至一旁(不拆下起动机);松开将变速器固定在引擎上的螺栓(无须拆下)。

使用一个千斤顶支撑发动机,使用链条、车间升降机吊起变速器,拧下螺母,取下螺栓,拆下柔性支承,如图2-4所示。

图2-4 拆下柔性支承

1—螺栓;2—柔性支承;3—螺母

(8)使用千斤顶支撑,然后拆下动力传动系统的零部件;拆下螺母取下固定支架2,如图2-5所示。将变速器固定在引擎上的螺栓拆下,拆下变速器。

图2-5 拆下固定支架

1—螺母;2—固定支架

2)检修

使用左、右传动轴油封安装工具,更换密封圈(在密封唇之间的间隙涂抹润滑脂),检查变速器上有无定位销。

(1)检查。

①检查分离轴承导向油封有无漏油现象。

②检查曲轴密封圈处有无泄漏现象。

③检查离合器和离合器轴承磨损状态。

(2)如出现上述现象,进行必要修理。

(3)清洁和润滑,如果再次使用离合器从动盘,从动盘轮毂必须无任何氧化痕迹。

①用一块布擦掉凹槽顶端和输入轴尾端多余的润滑脂,防止离合器箱内部溅入润滑脂。

②使用MOLYCOTE-RAPID PLUS润滑脂润滑离合器拨叉。润滑脂过量会污染离合器摩擦片并导致齿轮空挡有噪声、离合器打滑或振动。

③清洁螺栓螺纹。

3)安装

安装顺序与拆卸顺序相反。

重新安装时,变速器设置在空挡位置,通过分离拨叉进行定位,止块必须处于其导轨上。

(1)将变速器固定到发动机上。安装支架用(40±4)N·m扭矩拧紧,螺母拧紧扭矩为(25±4)N·m。

(2)使用一个千斤顶安装动力传动装置。安装柔性支承,拧紧螺栓,拧紧扭矩为(30±3)N·m,螺母拧紧到(65±6)N·m,装上起动机和反作用连杆,分别拧紧到(22±3)N·m和(50±5)N·m。

(3)夹紧齿轮选择连杆。安装发动机飞轮下部外壳的关闭面板、气管和驱动轴(参见相关操作)。

(4)注满变速器油。安装左前挡泥板、发动机下护板。

①装上前轮,拧紧扭矩为(90±9)N·m。

②装上衬垫和拉索套管尾端件。

③安装电缆套管止推支架上的离合器电缆和离合器杆上的离合器拉索。

(5)充分踩下并释放离合器若干次,检查踏板的位置是否无阻力点。

(6)安装发动机转速计,连接倒挡开关和发动机速度传感器。

(7)安装发动机速度传感器、蓄电池、空气滤清器进气口共振器、曲轴箱通气管、进气口软管环;使用夹钳连接发动机接地电缆。

(8)连接蓄电池,将车辆降到地面上。

3.检查和分解变速器

1)检查变速器壳体

变速器壳体的主要损伤表现为:壳体的变形、裂纹,定位销孔、轴承孔、螺纹磨损等。

(1)变速器壳体不能有裂纹。对应力不大的裂纹,可用环氧树脂粘接或焊接修复。如轴承座孔、定位销孔、螺纹孔等重要部位出现裂纹,则必须更换壳体。

(2)变速器壳体的变形将破坏齿轮的正常啮合,引起变速器故障;检查时,对于三轴式变速器要用专用量具检查以下项目。

①上下两孔轴线间的距离。

②上下两孔轴线的平行度。

③上下轴线上平面间的距离。

④前后两端面的平面度。

两轴式变速器壳体由前后两部分组成,其变形检查是检查输入轴与输出轴的平面度及前后壳体接合面的平面度。超过规定时要进行修复。

当变速器轴承孔磨损超限、变形,可采用镶套、刷镀的方法修复或更换;当壳体平面度误差超限时,可采用铲、刨、锉、铣等方法修复或更换。

2)分解变速器壳

图2-6所示为变速器外围件。

图2-6 变速器外围件

1—分离轴承;2—支承和车速表输出齿轮;3—倒挡开关;4—球头杆;5—支架;6—连接板;7—变速转换杆

(1)拆下离合器分离轴承,把变速器放置到木块上(H=180mm)(最小)。

(2)拆下支承和车速表输出齿轮、倒挡开关和变速器排空塞。

(3)拧下油位螺塞,拆下几个驱动输出密封件。

(4)拆下球头杆、支架和连接板。

(5)拆下变速转换杆。

4.拆卸变速器外壳

拆卸变速器外壳所用专用工具如表2-5所示。

表2-5 拆卸变速器外壳所用专用工具

1)拆卸变速器盖

(1)拆卸变速器附件。

(2)拆下端盖,如图2-7所示。

资源2-6 拆下端盖

图2-7 拆下端盖

1—端盖

(3)如图2-8所示,将5挡拨叉销冲出,拆去5挡组件(MA5)。

资源2-7 5挡拨叉销

图2-8 冲出5挡拨叉销

(4)如图2-9所示,使2挡接合,将输出轴固定。

图2-9 使2挡接合并固定输出轴

A—选择;B—接合倒挡;C—按下5挡换挡拨叉,挂5挡

(5)如图2-10所示,拧松螺母,将5挡同步器置于空挡。拆下螺母,取下止推垫圈。

①识别轮毂和同步毂套,用一块布罩住套管来回收球形部件、弹簧和销钉。

②拆下5挡套管及其拨叉。

图2-10 拆下5挡组件

1—螺母;2—止推垫圈;3—5挡套管;4—拨叉;5—轮毂;6—同步毂套

资源2-8 拆下5挡组件

(6)如图2-11所示,用三卡爪拔取器拔出5挡从动齿轮和同步器轮毂总成。

图2-11 拔出5挡从动齿轮和同步器轮毂总成

1—三卡爪拔取器

(7)如图2-12所示,在输入轴上,拆下卡环和弹簧垫圈;在输出轴上,拆下滚针轴承、隔套环、间隔垫圈。

图2-12 取下输入、输出轴轴承组件

1—卡环;2—弹簧垫圈;3—滚针轴承;4—隔套环;5—间隔垫圈

资源2-9 输入轴轴承组件

(8)如图2-13所示用三卡爪拔取器拔出5挡驱动齿轮。

图2-13 拔出5挡驱动齿轮及5挡组件

(a)用拔取器拔出5挡驱动齿轮;(b)5挡组件
1—拨叉销;2—轴承挡圈;3—挡板;4—轮毂;5—同步毂套;6—拨叉;7—5挡齿轮

(9)分解5挡组件。

①将5挡拨叉销冲出。拆下轴承挡圈、挡板;识别轮毂和同步毂套(拆卸前在两个部件上)。

②拆下总成,拆下同步器套管、拨叉、5挡齿轮、同步器轮毂和挡圈(输入轴)。

③拆去5挡输出齿轮。

(10)如图2-14所示,拆卸变速器端盖,拆下螺栓,取下轴承固定半开口环。

资源2-10 固定螺栓

资源2-11 轴承固定半开口环

图2-14 拆卸变速器端盖(MA4/MA5)

1—螺栓;2—轴承固定半开口环

最后,拆下盖罩固定螺钉,取下变速器壳体,如图2-15所示。如果变速器装有柱形固定螺栓,对其在壳体上的位置进行标记。

2)变速器盖的检修

变速器盖应无裂纹,当其与变速器壳体接合面的平面度公差超限时,可采用铲、刨、锉、铣等方法修复;当拨叉轴与轴承孔的间隙超限时,应更换。

图2-15 拆下盖罩,取下变速器壳体

1—变速器壳体

资源2-12 取下变速器壳体

5.拆卸输入轴、输出轴和差速器

(1)如图2-16所示,拆下倒挡中间轴1,取下塑料衬套2和倒挡滑动齿轮3。

图2-16 拆下倒挡滑动齿轮

1—倒挡中间轴;2—塑料衬套;3—倒挡滑动齿轮

资源2-13 取下倒挡

(2)如图2-17所示,拆下倒挡拨叉轴(轻压拨叉来松开轴)。

图2-17 拆下倒挡拨叉轴

1—倒挡拨叉轴

(3)如图2-18所示,拆下倒挡拨叉。

图2-18 拆下倒挡拨叉

1—倒挡拨叉

(4)如图2-19所示,朝变速器外侧冲出齿轮接合指状固定销。

图2-19 冲出齿轮接合指状固定销

1—指状固定销

(5)如图2-20所示,拆下齿轮接合轴、齿轮接合轴密封件、弹簧及两个止推环。

图2-20 拆下齿轮接合轴组件

1—齿轮接合轴密封件;2—齿轮接合轴;3—止推环;4—弹簧

(6)如图2-21所示,拆下内部互锁键。

图2-21 拆下内部互锁键

1—内部互锁键

资源2-14 内部互锁键实体

(7)如图2-22所示,拆下输入轴、输出轴、拨叉和轴总成。

图2-22 拆下输入轴、输出轴、拨叉和轴总成

(8)如图2-23所示,拆下必须保持匹配的中间板螺栓和下中间盘。

图2-23 拆下下中间盘

1—下中间盘

(9)如图2-24所示,拆下倒挡拨叉锁止销、弹簧和差速器。

图2-24 拆下倒挡拨叉锁止销

1—倒挡拨叉锁止销;2—弹簧;3—差速器

6.输入轴拆检

分解、组装输入轴所用专用工具如表2-6所示。

表2-6 分解、组装输入轴所用专用工具

1)分解

(1)如图2-25所示,使用万用拔取器拔出4挡齿轮端部的轴承。

图2-25 拔出4挡齿轮端部的轴承

1—万用拔取器;2—轴承

(2)如图2-26所示,拔出1挡齿轮端部的轴承。

图2-26 拔出1挡齿轮端部的轴承

1—轴承

2)检修

(1)轴承的检修。

检查1、4挡齿轮端部轴承,更换有损伤的轴承。

(2)轴的检修:一般为阶梯轴,其主要损伤是轴径与轴承的磨损;花键、固定齿的磨损;轴的弯曲变形;半圆键的磨损与折断。

①轴的弯曲变形用百分表来测量,如图2-27所示,弯曲变形量不应超过0.05mm,否则应更换或校正。

图2-27 百分表测量轴的弯曲变形

②用千分尺检查轴颈的磨损程度,其磨损达到规定值时,可堆焊后修磨、镀铬修复或更换。

③检查轴上定位凹槽的磨损,超过规定磨损量应更换。

④轴出现任何形式的裂纹和破碎时,应更换。

⑤用探伤仪检查轴,若有内部损伤,应更换。

3)组装

已拆下的轴承严禁再次使用;安装时应对部件进行润滑;确认轴上的接合面处于理想状态,无任何撞击或划痕;组装时,应遵照匹配方式、安装方向、所标记的相对可复用部件位置进行安装;使用清洁、无任何瑕疵的部件。

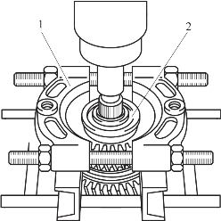
(1)如图2-28所示,使用输入轴轴承装配工具安装1挡齿轮端部的新轴承。

(2)如图2-29所示,使用输入轴轴承装配工具给导槽“a”定向安装4挡齿轮端部的新轴承1。

图2-28 安装1挡齿轮端部的新轴承

1—输入轴轴承装配工具;2—新轴承

图2-29 安装4挡齿轮端部的新轴承

1—新轴承;2—输入轴轴承装配工具;a—导槽

7.输出轴的拆检

分解、组装输出轴所用专用工具如表2-7所示。

表2-7 分解、组装输出轴所用专用工具

1)分解

(1)如图2-30所示,使用拔取器拆下轴承。

图2-30 使用拔取器拆下轴承

1—轴承;2—拔取器

(2)如图2-31所示,拆下垫圈、4挡从动齿轮、4挡齿轮同步器环毂、3/4挡同步器和3挡齿轮同步器环毂。不要拆卸3/4挡齿轮同步器环毂,以避免把滚珠和弹簧弹出。

图2-31 输出轴3/4挡部件分解图

1—垫圈;2—4挡从动齿轮;3—4挡齿轮同步器环毂;4—3/4挡同步器;5—3挡齿轮同步器环毂

(3)如图2-32所示,使用挡圈冲头冲出止动环。

图2-32 使用挡圈冲头冲出止动环

1—挡圈冲头;2—止动环

(4)如图2-33所示,分解输出轴1/2挡部件,拆下3挡从动齿轮、挡圈2、2挡从动齿轮、2挡齿轮同步器环毂、1/2挡同步器、1挡齿轮同步器环毂、挡圈7、1挡从动齿轮、挡圈9和润滑套。

图2-33 输出轴1/2挡部件分解图

1—3挡从动齿轮;2,7,9—挡圈;3—2挡从动齿轮;4—2挡齿轮同步器环毂;5—1/2挡同步器;6—1挡齿轮同步器环毂;8—1挡从动齿轮;10—润滑套

(5)如图2-34所示,拆下轴承。

图2-34 拆下轴承

1—轴承

2)输出轴各部件的检修

(1)输出轴检修同前输出轴的检修。

(2)齿轮与花键的检修。

①齿轮的检修。一般损伤有齿面磨损斑点和金属剥落、断齿或裂纹。滑动齿轮齿长方向磨损不能多于1/3齿长;齿厚最大磨损不应超过0.40mm;若常啮合齿轮配合间隙已超过0.80mm或有较严重的表面磨损或疲劳剥落,则应成对更换齿轮。装好滚针轴承和内座圈后,用百分表检查齿轮与内座圈之间的间隙,如图2-35所示。标准间隙为0.009~0.060mm,极限间隙为0.15mm,超过极限应更换轴承。

图2-35 用百分表检查齿轮与内座圈之间的间隙

②花键的检修。检查花键齿的磨损,在进行轴的检修的同时进行轴上花键的检修,花键齿达到损伤的程度时应更换。

3)组装

已拆下的轴承严禁再次使用;安装时应对部件进行润滑;确认轴上的接合面处于理想状态,无任何撞击或划痕;按照拆卸时所做的标记进行安装;使用清洁、无任何瑕疵的部件。

(1)如图2-36所示,使用安装输出轴1挡齿轮侧轴承的工具安装新轴承和垫片。

图2-36 安装新轴承

1—新轴承;2—垫片;3—安装输出轴1挡齿轮侧轴承的工具

(2)如图2-37所示,使用钳子安装新的止动环和新塑料润滑套。

图2-37 安装新止动环和塑料润滑套

1—止动环;2—塑料润滑套

(3)如图2-38所示,安装输出轴各部件。

①安装1挡从动齿轮、新的止动环、1挡齿轮同步器环毂。

②凹槽“c”朝下安装1/2挡同步器、2挡齿轮同步器环毂、2挡从动齿轮、新的止动环8、3挡从动齿轮、新的止动环6、3挡齿轮同步器环毂。

③凹槽“d”朝上安装3/4挡同步器、4挡齿轮同步器环毂和4挡从动齿轮和垫圈。

图2-38 输出轴各部件组装图

1—垫圈;2—4挡从动齿轮;3—4挡齿轮同步器环毂;4—3/4挡同步器;5—3挡齿轮同步器环毂;6,8,13—新的止动环;7—3挡从动齿轮;9—2挡从动齿轮;10—2挡齿轮同步器环毂;11—1/2挡同步器;12—1挡齿轮同步器环毂;14—1挡从动齿轮;a—同步环的凸耳;b—滑块;c,d—凹槽

(4)如图2-39所示,凹槽“e”朝上装上新轴承。

图2-39 装上新轴承

1—轴承;2—用于安装输入轴4挡齿轮侧轴承的工具;e—凹槽

8.同步器的拆检

分解、组装同步器所用专用工具如表2-8所示。

资源2-15 两轴变速器各挡位传递路线

表2-8 分解、组装同步器所用专用工具

1)分解

如图2-40、图2-41、图2-42所示,在容器中分离花键毂和套管,这样有利于回收球形部件、弹簧和锁销。如果花键毂和套管要再利用,需标记其相关位置。

图2-40 常规的1/2挡齿轮同步器环毂

1—套管;2—花键毂;3—圆球;4—弹簧;5—滑块

图2-41 带空挡的1/2挡同步器

1—套管;2—花键毂;3—圆球;4—滑块;5—球座;6—弹簧

图2-42 常规的3/4/5挡齿轮同步器环毂

1—套管;2—花键毂;3—滑块;4—弹簧;5—圆球

2)同步器的检修

(1)如图2-43所示,将同步环压在各自齿轮的锥面上,按压转动同步环时要有阻力,用塞尺测量环齿与轮齿之间的间隙a,如果不符合规定,应更换同步环。

图2-43 用塞尺测量环齿与轮齿之间的间隙a

(2)如图2-44所示,用塞尺测量锁环和换挡齿轮端面之间的间隙。

图2-44 用塞尺测量锁环和换挡齿轮端面之间的间隙

3)组装

(1)如图2-45所示,1/2挡齿轮同步器环毂的装配方向:环毂上凹槽“A”朝向套管上的拨叉槽“B”的同一边。

图2-45 常规的第1/2挡齿轮同步器环毂装配方向

A—凹槽;B—拨叉槽

(2)如图2-46所示,组装遵守拆卸时所做的标记。

(3)如图2-47所示,对于三个装置的安装按如下步骤进行:

图2-46 组装遵守拆卸时所做的标记

1—接合套;2—花键毂;C—花键毂凹槽;D—花键毂孔

图2-47 安装示意图

1—接合套;2—花键毂;3—圆球;4—弹簧;5—滑块;D—花键毂孔

①安装并固定滑块。

②将弹簧插入滑块内,并完全插入花键毂孔“D”。

③将小球放到弹簧上。

④按下钢球将弹簧压紧,并使其嵌入接合套内。

4)带空挡的1/2挡同步器组装

(1)如图2-48所示,第1/2挡齿轮同步器环毂的装配方向:环毂上凹槽“E”朝向套管上的拨叉槽“F”同一边。注意拆卸时所做的标记。

(2)如图2-49所示,环毂的凹槽“G”对着同步器组装圈的第1个孔的位置。

图2-48 第1/2挡齿轮同步器环毂的装配方向

E—凹槽;F—拨叉槽

图2-49 同步器组装圈和环毂的凹槽安装位置

1—同步器组装圈;2—环毂;G—凹槽

(3)如图2-50所示,安装定位弹簧和钢球座。

(4)如图2-51所示,使用销冲头冲下钢球座和安装滑块。

图2-50 安装定位弹簧和钢球座

1—钢球座;2—定位弹簧

图2-51 销冲头冲下钢球座和安装滑块

1—钢球座;2—滑块

(5)如图2-52所示,将钢球放置到孔内,使用销冲头按下钢球,在工具内旋转花键毂。

①使保险装置固定到位。

②使第2个凸头“H”对准第2个孔。

③安装另外两个滑块。

图2-52 使用销冲头按下钢球

1—花键毂;2—钢球;H—凸头

(6)如图2-53所示,将同步器组装圈固定到套筒上,通过主减速器左输出轴油封安装工具卡住花键毂,套管的轮齿侧朝向工作台放置,应按拆卸时所做的标记将花键毂和组装工具安装到套管上。如图2-54所示拆下专用工具。

图2-53 组装花键毂和套管

1—套管

图2-54 拆下专用工具

5)常规的第3/4/5挡齿轮同步器环毂的组装

(1)如图2-55所示,第3/4挡齿轮同步器环毂的装配方向:环毂的凹槽“J”朝向套管拨叉槽“K”的反向一边。

图2-55 第3/4挡齿轮同步器环毂的装配方向

J—凹槽;K—拨叉槽

(2)如图2-56、图2-57所示,组装5挡同步器时,因花键毂对称,没有规定其在套管中的安装方向。组装时按拆卸时所做的标记位置面朝套管的凹槽“L”和环毂凹槽“M”组装两个部件。

图2-56 花键毂无安装方向

图2-57 组装标记

1—环毂;L,M—凹槽

(3)如图2-58所示,安装三个装置:

①安装并固定滑块。

②将弹簧插入滑块内,并完全插入花键毂孔“N”。

③将钢球放到弹簧上。

④按下钢球将弹簧压紧,并使其嵌入接合套内。

图2-58 同步器部件组装图

1—花键毂;2—滑块;3—弹簧;4—钢球;5—接合套;N—花键毂孔

9.安装输入轴、输出轴和差速器

(1)检修完毕,进行清洁。如需修理则修理,否则更换。

(2)安装。

①如图2-59所示,安装差速器、弹簧和倒挡拨叉锁止销。

②如图2-60所示,安装中间板。用E12(专用密封垫)罩住中间板的接触面和离合器外壳的接触面,将选挡拨叉插入中间板的孔“A”,安装中间板。将螺栓安装到原位置,拧紧扭矩为(50±5)N·m。

生产时,非加固型变速器的中间板由9个螺栓固定,在售后服务时必须重新安装螺栓。拧紧中间板螺栓后,除去轴承座和叉轴孔座上多余的胶合剂。

图2-59 安装差速器、弹簧和倒挡拨叉锁止销

1—差速器;2—弹簧;3—倒挡拨叉锁止销

图2-60 安装中间板

1—中间板;A—孔

③如图2-61所示,组装总成,将拨叉插入同步器套管内,连接输出轴与输入轴,总成安装到外壳。

④如图2-62所示,组装换挡拨块和互锁块,将换挡拨块插入互锁块。

图2-61 组装总成

图2-62 组装换挡拨块和互锁块

1—换挡拨块;2—互锁块

⑤如图2-63、图2-64所示,装配拨叉,安装拨叉轴凸耳“B”处换挡拨叉的总成和选择轴拨叉“C”中的框架“D”处的总成;同时安装拨叉轴凸耳“E”处换挡拨叉的总成。

图2-63 装配拨叉

B—拨叉轴凸耳;C—选择轴拨叉;D—框架

图2-64 安装换挡拨叉的总成

E—拨叉轴凸耳

⑥如图2-65所示,安装齿轮接合轴组件。安装弹簧及两个止推环(取决于安装情况)。首先润滑内部,然后装上新的轴密封圈和齿轮接合轴。

图2-65 安装齿轮接合轴组件

1—轴密封圈;2—齿轮接合轴;3—止推环;4—弹簧

⑦如图2-66所示,用坚固的新槽销固定啮合指形部件。

图2-66 用坚固的新槽销固定啮合指形部件

1—啮合指形部件

⑧如图2-67、图2-68所示,安装倒挡拨叉。将倒挡拨叉安装到拨叉架中,轻轻按下倒挡拨叉,并将拨叉轴完全插入到位。

图2-67 将倒挡拨叉安装到拨叉架中

1—倒挡拨叉

图2-68 安装倒挡拨叉的方法

1—倒挡拨叉;2—拨叉轴

⑨如图2-69所示,安装倒挡齿轮。安装倒挡滑动齿轮、惰轮轴和塑料垫片。旋转惰轮轴直到凸耳“F”卡进其位置。在装有倒挡限位器的变速器上,检查并确认1/2挡拨叉轴上的弹性挡圈和倒挡制动弹簧已安装。

图2-69 安装倒挡装置

1—倒挡滑动齿轮;2—惰轮轴;3—塑料垫片;4—倒挡制动弹簧;5—弹性挡圈;F—惰轮轴凸耳

10.安装变速器端盖

安装变速器端盖所用专用工具如表2-9所示。

表2-9 安装变速器端盖所用专用工具

1)安装

在装有倒挡限位器的变速器上,检查并确认1/2挡拨叉轴上的弹性挡圈和倒挡制动弹簧已安装。

(1)如图2-70所示,安装变速器壳体。在变速器外壳的接合面均匀地涂上一层薄薄的E15(专用密封胶)。安装换挡轴油封以及离合器分离杠杆。根据标记安装柱形螺栓,拧紧扭矩为(17.5±1)N·m。

图2-70 安装变速器壳体

1—换挡轴油封;2—离合器分离杠杆

(2)如图2-71所示,使用丝锥清洁壳体的螺纹孔,安装左侧支撑和装配固定右下部发动机,拧紧到(17.5±1)N·m。

图2-71 安装支撑和装配固定右下部发动机

1—卡环;2—柱形螺栓

(3)如图2-72所示,把输入轴的“A”端与压力机台面接触。

图2-72 把输入轴的“A”端与压力机台面接触

(4)如图2-73所示,使用输入轴5挡变速齿轮的安装工具安装5挡驱动齿轮。

(5)如图2-74所示,安装新的弹簧垫圈,将新卡环安装到轴末端。

(6)如图2-75所示,使用输入轴弹性卡环安装工具将卡环安装到其凹槽底部,安装到合适位置。

图2-73 安装5挡驱动齿轮

1—5挡驱动齿轮;2—输入轴5挡变速齿轮的安装工具

图2-74 安装新的弹簧垫圈

1—弹簧垫圈;2—卡环

图2-75 把卡环安装到合适位置

2)5挡驱动齿轮(MA5):安装在滚针轴承上

(1)图2-76所示为安装5挡组件。安装间隔垫圈、隔套环、滚针轴承、5挡从动齿轮和同步器同步环。

图2-76 安装5挡组件

1—间隔垫圈;2—隔套环;3—滚针轴承;4—5挡从动齿轮;5—同步器同步环

(2)图2-77所示为装配叉和同步器环。安装止推垫圈、止动垫圈和带槽螺母。

把同步器环毂环“C”与凸耳“B”定位。使用新的锁止垫圈和开槽螺母,更换输出轴螺钉;此外,如果止推垫圈不带凹槽“D”,也要将其更换。把插入垫圈对面凹槽“F”的垫圈固定夹“E”就位;装上凹槽螺母,斜面在锁止垫圈侧。

(3)图2-78所示为试挡,将两个挡啮合,以使输出轴固定。

图2-77 装配叉和同步器环

1—装配叉;2—同步器环;3—止推垫圈;4—止动垫圈;5—带槽螺母;B—凸耳;C—同步器环毂环;D,F—凹槽;E—固定夹

图2-78 试挡

G—选择;H—挂倒挡;J—按下5挡换挡拨叉,挂5挡

(4)如图2-79所示,拧紧凹槽螺母至(137.5±13)N·m,如有必要,稍稍拧紧,使垫圈凸片与螺母凹槽对准;将换挡控制机构移至空挡位置。

图2-79 拧紧凹槽螺母

1—凹槽螺母;2—输出轴螺母紧固套筒

(5)如图2-80所示,提起面对螺母凹槽“L”的锁止垫圈的夹子来锁定凹槽螺母。

图2-80 锁定凹槽螺母

1—凹槽螺母;2—夹子;L—凹槽

(6)如图2-81所示,用一个新张紧销固定5挡拨叉。

图2-81 用一个新张紧销固定5挡拨叉

3)5挡驱动齿轮(MA5):安装(无滚针轴承)

(1)如图2-82所示为5挡驱动齿轮组件。安装输入轴止动环、从动齿轮、同步器集线器、同步器环套管、固定叉、挡板、轴承挡圈;固定带新柱形插销的拨叉。

图2-82 5挡驱动齿轮组件

1—挡板;2—同步器集线器;3—轴承挡圈;4—同步器环套管;5—从动齿轮;6—柱形插销;7—固定叉

(2)如图2-83所示为钢制油底壳。在金属外壳上装上新油封。安装带新油封的金属外壳和螺栓,拧紧到(2.3±2)N·m。不要给金属外壳的密封件上油。

图2-83 钢制油底壳

1—金属外壳;2—油封

11.组装变速器附件

组装变速器附件所用专用工具如表2-10所示。

表2-10 组装变速器附件所用专用工具

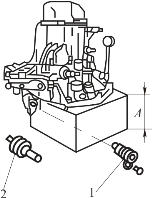
安装步骤:

(1)将变速器置于一个木块上(A=180mm)。安装速度计驱动小齿轮和倒挡开关,如图2-84所示。

图2-84 安装速度计驱动小齿轮和倒挡开关

(2)如图2-85所示,安装(首次安装)连接板、支架和球节杆,球节上涂了润滑油。

图2-85 安装连接板和支架

1—支架;2—连接板;3—球节杆

(3)如图2-86所示,安装选择杆(二次安装)。

图2-86 安装选择杆

1—选择杆

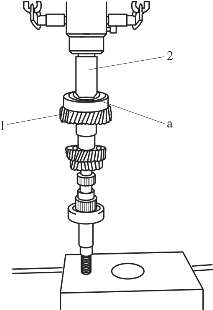
(4)如图2-87所示,安装变速器主轴花键和离合器导承。给变速器主轴花键(“a”处)和离合器导承(“b”处)薄薄涂上一层油脂MOLYKOTE BR2 PLUS(G10),安装离合器轴承。

图2-87 安装变速器主轴花键和离合器导承

1—离合器轴承;a—变速器主轴花键;b—离合器导承

变速器主轴花键涂油过量会导致离合器损坏。

(5)如图2-88所示,安装右传动轴油封和左传动轴油封。给传动轴油封的唇口上润滑油,使用左、右传动轴油封安装工具分别安装左、右传动轴油封。

图2-88 安装右传动轴油封和左传动轴油封

1—右传动轴油封安装工具;2—左传动轴油封安装工具