自动变速器故障分析与诊断

(五)自动变速器故障分析与诊断

自动变速器的常见故障主要为换挡冲击过大、换挡正时不当、不能升挡、不能减挡、不能行驶或加速性不良、自动变速器过热及液力变矩器无锁止作用等。

1.日产自动变速器故障分析

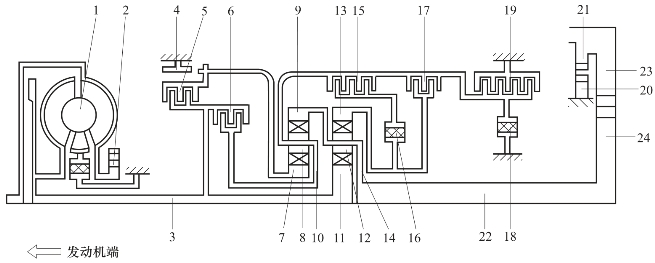
进行自动变速器故障分析,应充分掌握自动变速器整体结构与原理,自动变速器结构如图3-93、图3-94所示。然后通过进行基础检查、性能试验后,对自动变速器故障进行分析,确定主要故障原因和排查步骤。如表3-10所示为自动变速器离合器和制动带工作表。

图3-93 自动变速器结构剖视图

1—变矩器壳体;2—油泵;3—制动带;4—倒挡离合器;5—高速挡离合器;6—前行星齿轮;7—低速挡单向离合器;8—后行星齿轮;9—前进挡离合器;10—超越离合器;11—低速挡和倒挡制动器;12—输出齿轮;13—制动带伺服活塞;14—倒挡离合器鼓;15—侧盖;16—惰轮;17—前进挡单向离合器;18—变速器壳;19—减速小齿轮;20—主减速齿轮;21—差速器壳;22—输入轴;23—变矩器

图3-94 自动变速器结构示意图

1—变矩器;2—油泵;3—输入轴;4—制动带;5—倒挡离合器;6—高速挡离合器;7—前太阳齿轮;8—前小齿轮;9—前内齿轮;10—前行星齿轮架;11—后太阳齿轮;12—后小齿轮;13—后内齿轮;14—后行星齿轮架;15—前进挡离合器;16—前进挡单向离合器;17—超越离合器;18—低速挡单向离合器;19—低速倒挡制动器;20—驻车爪;21—驻车齿轮;22—输出轴;23—惰轮;24—输出齿轮

表3-10 自动变速器离合器和制动带工作表

∗1:当OD OFF工作时(OD OFF指示灯亮)。
∗2:油压加在制动带伺服器活塞的2挡“应用”侧及3挡“释放”侧,但是,因为“释放”侧油压作用的面积比“应用”侧大,制动带并不收缩。
∗3:在上述情况∗2中,油压施加在4挡“应用”侧,此时制动带收缩。
∗4:当OD OFF工作时(OD OFF指示灯亮),A/T无法换到第4挡。

O:工作。

A:节气门开度小于1/16时,超越离合器保持在接合状态,发动机制动有效。

B:在“渐进”加速过程中工作。

C:工作,但不影响动力传输。

D:节气门开度小于1/16时,超越离合器保持在接合状态,无发动机制动。

1¤2:表示1挡和2挡,可以升或降双向换挡。

1<2:表示只能由2挡降为1挡。

2.东风雪铁龙AL4自动变速器故障诊断

1)“SPT”和“”自诊灯显示的故障信息

(1)系统内出现某些故障,通过“SPT”和“”指示灯交替闪烁来反映。

在下列情况下该灯也闪烁:

①变速器油过热(变速器油冷却后灭)。

②变速器油用旧(诊断仪显示数据为32958)。

③变速器计算机和仪表板之间联系中断时。

④诊断工具强制要求。

(2)在下列元件或信息上出现故障时,“SPT”和“”指示灯闪烁。

①变速器计算机。

②计算机供电。

③机油压力传感器。

④区段电磁阀供电(EVS1到EVS6)。

⑤主油道压力调节故障。

⑥多功能开关。

⑦区段电磁阀(EVS1到EVS6)。

⑧主压力调节电磁阀(EVMpl)。

⑨变矩器锁止电磁阀(EVMpc)。

⑩机油流量电磁阀(EPDE)。

⑪油门踏板未初始化。

⑫输入速度和发动机转速。

⑬输出速度和发动机转速。

⑭发动机转速信息。

⑮油门踏板位置。

⑯模拟传感器供电。

(3)打开点火开关,“SPT”和“”同时亮而不闪是因为仪表故障。

2)故障降级模式

根据测得的故障分为6级降级模式。表3-11所示为东风雪铁龙AL4自动变速器故障降级模式。

表3-11 东风雪铁龙AL4自动变速器故障降级模式

注:应急安全模式下的变速器,变速杆P→R或从N→R可感觉到换挡冲击;在延期安全模式下,挂挡安全不再有保证。

3)AL4自动变速器电路故障诊断

(1)AL4自动变速器电路零件清单,如表3-12所示。

表3-12 AL4自动变速器电路零件清单

(2)计算机接头功能分布,如表3-13所示。

表3-13 计算机接头功能分布

续表

(3)AL4自动变速器电气装置如图3-95所示。

图3-95 AL4自动变速器电气装置

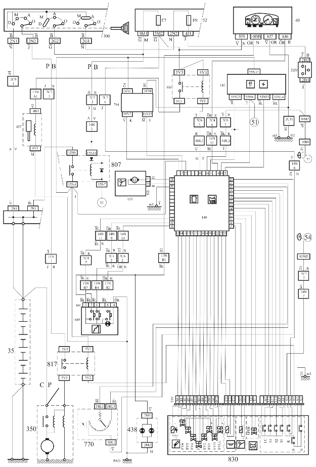
(4)AL4自动变速器电气电路如图3-96所示。

图3-96 AL4自动变速器电气电路