转向系统检修

(二)转向系统检修

1.转向盘就车检查与维修

1)转向盘安装情况检查

(1)检查转向齿轮总成、前悬架总成、车桥和转向柱总成的安装情况。

资源6-1 转向盘自由行程测量

(2)当转向盘上下、左右和轴向移动时,检查其是否存在移动,正常转向盘轴端间隙应为0mm。

(3)对转向机总成固定螺栓和螺母进行检查,测试其是否松动。

2)检查转向盘自由行程

(1)转动转向盘,使前轮处于笔直向前的位置。起动发动机,并稍微左右转动转向盘直至前轮开始移动。测量转向盘在外圆上的移动,转向盘自由行程规定的数据范围:0~35mm。

(2)当测量值超过标准值时,检查转向柱各个接头的间隙和转向机总成的安装情况。

3)检查转向盘是否处在中间位置

(1)确认转向机总成、转向柱总成和转向盘的方向是否正确安装。

(2)先对车轮定位,然后执行中间位置检查。

(3)将汽车朝前笔直停好,确认转向盘处在中间位置。

(4)松开外套筒锁紧螺母并左右转动纵拉杆进行微调,检查转向盘是否在中间位置。

4)检查转向盘转向力的大小

(1)将车辆停放在水平干燥的地面上,将驻车制动手柄拉起。

(2)发动机点火。

(3)将转向盘从中间位置转过360°,在此位置检查转向盘转向力的大小。转向盘转向力应小于36N。

(4)如果转向盘转向力超出规定值,则参考转向机总成中的小齿轮旋转扭矩。如图6-3所示为转向盘转向力矩测试。

图6-3 转向盘转向力矩测试

5)检查前轮转向角

(1)在前轮前束检查后,检查前轮转向角。

检查方法如下:

①将前轮放置在转向半径规上,将后轮放在支架上,如图6-4所示。

②检查左右车轮的最大内外车轮转向角。

图6-4 转向轮放置在转向半径规上

(2)发动机处在怠速状态时,转向盘左右转动到极限位置测量转向角,如图6-5所示,内外轮转向角参数标准如表6-1所示。

图6-5 转向轮角度测量示意图

表6-1 内外轮转向角参数标准

(3)如果前轮转向角度超过规定值,要测量齿条行程。齿条行程“L”标准数据:65.0mm。

(4)解体转向机总成检查导致齿条行程超出标准的原因。

(5)转向角不可调整。如果有转向角与规定值不符,请检查转向机总成、转向柱总成和前悬架零部件是否磨损或损坏。如果有任何不符合厂家维修资料规定的情况,要进行更换。

6)转向盘拆卸和安装

(1)拆卸。

拆卸时应注意:重新连接螺旋电缆时,用胶带固定电缆,使固定销和旋转部分对齐。这样将在安装螺旋电缆时忽略中间位置对齐这一步骤。

①将汽车停放时,使车身笔直向前。

②从转向盘中间拆卸驾驶员安全气囊模块。

③转向锁定后拆卸转向盘锁止螺母。

④使用转向盘拔具拆卸转向盘。

(2)安装。

按照与拆卸相反的步骤进行安装转向盘,注意事项如下:

①空挡位置设置。

轻轻地按照顺时针将螺旋电缆转到终止位置。然后将其逆时针旋转(约两圈半),并在与限位器插入孔位置相同的时候停止转动,如图6-6所示。维修件安装在限位器旁的空挡位置,并且在限位器拆卸后无须调节。勿随意转动螺旋电缆,不要过度转动,否则可能导致线缆断开。

图6-6 转向盘空挡位置设置图

1—螺旋电缆固定销钉;2—转向柱固定销孔

②调整螺旋电缆固定销钉,使之与转向柱固定销孔对齐。

2.转向柱检修

1)就车拆卸转向柱

拆卸前准备工作:举起车辆,前轮悬空,将转向盘放在中间位置,断开蓄电池负极。转向柱结构如图6-7所示。

图6-7 转向柱结构

1,3—螺钉;2—下挡板;4—上护板;5—下护板

(1)从转向盘上拆卸转向盘装饰盖。

(2)旋转螺钉1 1/4圈,拆下下挡板2。

(3)拆下螺钉3,拆下转向柱上护板4和下护板5。

(4)拆下通风管。

(5)如图6-8所示,将转向柱置于最低位置,断开插接器1、2、3,将转向柱置于最高位置。

图6-8 转向柱上插接器示意图

1,2,3—插接器

(6)松开卡子。

(7)取下隔套,将转向柱拆下。

2)安装转向柱

按拆卸相反的顺序进行安装。

同时要注意检查转向盘辐条的角度是否正确。

3)转向柱调整

转向柱的调整步骤如下:

(1)松开转向柱。

(2)如图6-9所示,拧松调整螺母,调整其位置使转向柱能沿滑槽自由移动。

图6-9 转向柱调整螺母

1—调整螺母

(3)拧紧螺母。

(4)检查转向柱的锁止性能,如有问题,重复上述操作步骤。

3.机械转向器检修

机械转向器检修需用到转向横拉杆拆卸扳手及卡钳等专用工具,如图6-10和图6-11所示。

图6-10 转向横拉杆拆卸扳手

图6-11 卡钳和卡箍

(a)卡钳;(b)卡箍

1)拆卸转向器

拆卸步骤如下:

(1)用卡钳拆下卡箍,如图6-11所示,拆下齿条防尘套。

(2)如图6-12所示,测量L1和L2的距离是否与齿条的两极限端距离相等,将齿条置于中间点。

中间点=(L1+L2)/2

图6-12 确定齿条中间点示意图

资源6-2 转向器检修

(3)按顺序拆卸下列部件:螺栓、法兰(油封)、弹簧、齿条推杆、调整垫片、固定螺栓。

(4)用螺丝刀松开锁紧垫圈。

(5)用专用工具拆卸下列零部件,具体步骤如下:

①用扁平扳手固定齿条,拆卸转向横拉杆,如图6-13所示。

图6-13 拆卸转向横拉杆

②取下平垫圈。

③拆下锁紧垫圈。

④拆下转向齿轮的防尘罩。

(6)如图6-14所示,拆卸固定转向齿轮的卡环。

图6-14 拆卸固定转向齿轮的卡环

1—卡环

(7)如图6-15所示,拆下转向齿轮。

图6-15 拆下转向齿轮

1—转向齿轮

注意:仔细标注齿轮相对于齿条本身的角度位置。

(8)拆下齿条。

(9)拆卸下列零部件:垫圈、卡环,如图6-16所示。

图6-16 拆卸垫圈、卡环

1—垫圈;2—卡环

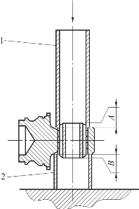
拆卸轴承座(从里面顶出),如图6-17所示。

图6-17 拆卸轴承座

1—轴承座

2)安装机械转向器

机械转向器安装步骤如下:

(1)手工安装垫圈、卡环。

(2)将齿条涂G6润滑脂。

(3)将齿条置于中间点。

(4)按拆卸时做的标记装上转向齿轮。

(5)用手装好卡环。

(6)安装防尘罩。

(7)调节转向器的齿条推杆间隙,具体步骤如下:

①拆卸螺栓,如图6-18所示。

②拿下法兰盘,如图6-18所示。

③取下整垫片。

图6-18 拆卸螺栓、法兰盘

1—螺栓;2—法兰盘

④将百分表固定在支架上,将百分表和百分表支架的总成固定在转向器壳体上(无调整垫片),如图6-19所示。调节齿条推杆间隙所用的专用工具如图6-20、图6-21所示。

图6-19 百分表、百分表支架安装在转向器壳体上

1—百分表;2—百分表支架;3—转向器壳体

图6-20 百分表

图6-21 百分表支架

注意:因制造原因,最小间隙位于齿条的中间位置。

将齿条沿压杆方向用力推,直至限位块位置,然后测量最小间隙值(在转向器中间位置,间隙应为0.01~0.06mm),选用合适的调整垫片以达到规定间隙值。可选用的调整垫片厚度如表6-2所示。

表6-2 可选用的调整垫片厚度mm

⑤按顺序安装调整垫片、法兰盘及螺栓。

(8)安装下列部件:

①齿条推杆、弹簧和调节垫片。

②放置好环形油封,防止漏油。

③装好法兰盘。

④扭紧螺栓至12N·m。

⑤拧紧转向横拉杆的球头销至60N·m。

注意:用扁平扳手旋转固定齿杆,装上齿条防尘套;用卡钳装上卡箍。

4.助力转向器检修

拆卸助力转向器的专用工具如图6-22、图6-23及图6-24所示:

图6-22 转向横拉杆拆卸扳手

资源6-3 动力转向系统工作

图6-23 套管1

L=100mm,ϕA=20mm,ϕB=21.5mm

图6-24 套管2

I=50mm,ϕC=22.5mm,ϕD=24.5mm

1)拆卸助力转向器

拆卸步骤:

(1)拆转向器。

(2)如图6-25所示,测量L1和L2的距离是否与齿条的两端位置相符,将齿条置于中间点。

中间点=(L1+L2)/2

图6-25 确定齿条中间点示意图

(3)在拆卸分配阀前精确标记齿轮相对于分配阀的角度位置。

(4)拆卸固定分配阀的螺栓。

(5)取下分配阀,如图6-26所示。

图6-26 分配阀

1—螺栓;2—分配阀

(6)按顺序拆卸下列部件:螺栓、法兰盘(环形油封)、调整垫片、弹簧、齿条推杆、紧固件、助力推杆。

如图6-27所示为法兰盘固定螺栓与紧固件。

图6-27 法兰盘固定螺栓与紧固件

1—螺栓;2—紧固件

(7)拆卸齿条防尘罩。

(8)用螺丝刀拆球头销的橡胶保护套。

(9)用螺丝刀拆锁紧垫圈。

(10)用扁平扳手固定齿条,借助扁平扳手拆球销,如图6-28所示。

图6-28 拆卸球销

1—扁平扳手;2—球销

拆下扁平垫圈、锁紧垫圈,拆下齿条,如图6-29所示。

图6-29 拆下齿条

1—齿条

(11)助力推杆铰链的更换。

①拆卸。拆卸时将千斤顶置于套管2及套管1之间,如图6-30所示。

注意:套管对铰链外套正中而不应与千斤顶杆或千斤顶壳体接触,借助压力拆下铰链。

图6-30 千斤顶置于套管1和套管2之间

1—套管1;2—套管2

②安装。借助套管1和套管2装上新铰链。

注意:将铰链置中(A=B)。

2)安装助力转向器

助力转向器的安装步骤如下:

(1)装上涂有G6润滑脂的齿条。

(2)在壳体与齿条之间插入保护套。

(3)安装分配阀;拧紧螺栓至12N·m;调节齿条推杆的间隙。

(4)安装齿条推杆、弹簧和调整垫片。

(5)将法兰盘、锁紧垫、平垫圈按照规定要求装好。

(6)拧紧转向横拉杆球头销至60N·m。

(7)将锁紧垫圈插入球头销的凹口中。

(8)按要求装好球头销保护罩、保护伸缩罩及弹性环。

(9)安装助力推杆固定螺母,拧紧至55N·m。

5.转向助力泵检修

转向助力泵拆装专用工具如图6-31和图6-32所示。

图6-31 卡钳和卡箍

(a)卡钳;(b)卡箍

图6-32 夹皮胶布管夹

1)拆卸转向助力泵

拆卸步骤:

(1)拆附件传动皮带。

(2)如图6-33所示,拆装转向助力泵油管用夹皮胶布管夹夹住管子。

资源6-4 转向助力泵检修

图6-33 拆装转向助力泵油管

1—管子;2—夹皮胶布管夹

资源6-5 就车拆卸转向助力泵

(3)用卡钳松开卡箍,脱开管子。

(4)如图6-34所示,拆装转向助力泵管路,将螺栓a拆下,取下管子。

图6-34 拆装转向助力泵管路

1—管子;2—螺栓a;3—螺栓b;4—螺栓c

(5)拆卸螺栓b和c。

(6)如图6-35所示为转向助力泵总成,拆卸螺栓d和e。

图6-35 转向助力泵总成

1—螺栓d;2—螺栓e

(7)如图6-36所示,拆卸螺栓f、法兰盘,取下法兰盘及转向助力泵总成。

2)安装转向助力泵

转向助力泵安装,具体步骤如下:

(1)将法兰盘置于转向助力泵上。

(2)安装螺栓f,拧紧至22N·m。

(3)将助力泵总成置于发动机壳体上。

(4)安装螺栓d并拧紧。

(5)安装螺栓e、c、b,分别拧紧至22N·m。

(6)连接管子,安装螺栓a。

(7)拧紧管子,扭矩为25N·m。

(8)用卡钳连接管子,拆下夹皮胶布管夹。

(9)装上附件传动皮带。

图6-36 转向助力泵及法兰盘

1—法兰盘;2—螺栓f

安装转向助力泵后要对转向助力系统进行排气,具体步骤如下:

(1)发动机熄火。

在此状态下将转向器从左极限位至右极限位来回操纵,并随着液面的下降添加动力转向油。

(2)发动机运转。

当发动机转动时将转向器从左至右来回操纵以排空管道中的空气,如有必要添加动力转向油。

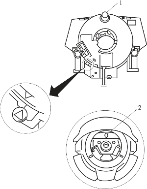
6.防盗装置检修

拆卸防盗装置前首先断开蓄电池负极。

如图6-37所示为防盗装置。

图6-37 防盗装置

1,3—螺钉;2—挡板;4—上盖板;5—下盖板

1)拆卸防盗装置

(1)先将螺钉1拧1/4圈,拆下挡板。

(2)拆卸螺钉3。

(3)将转向柱上盖板、下盖板拆下。

(4)拆开插接器固定夹,脱开插接器;如图6-38所示为防盗装置插接器及其固定夹。

图6-38 防盗装置插接器及其固定夹

1—插接器;2—插接器固定夹

(5)卸下螺栓,将点火钥匙放在A与S之间,用螺丝刀压下止动销,卸下防盗装置,如图6-39所示。

图6-39 拆卸防盗装置螺栓

1—螺钉

2)安装防盗装置

按照上述拆卸的相反顺序进行安装。

注意:拔出点火钥匙时,要检查转向锁止性。

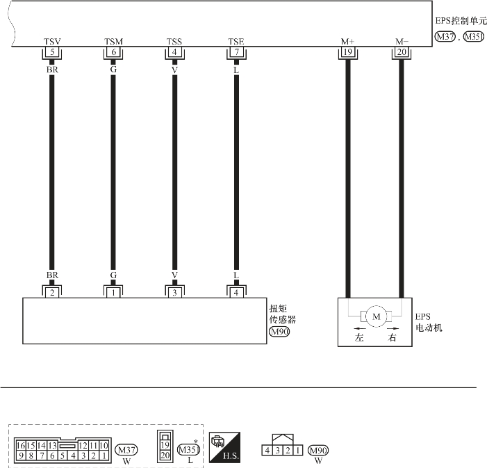
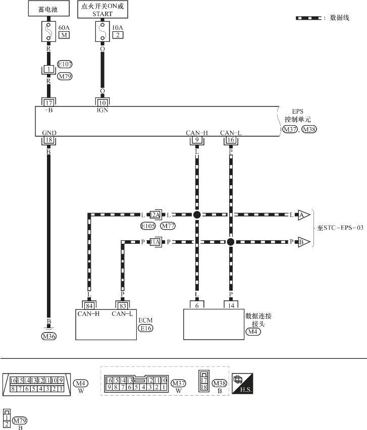
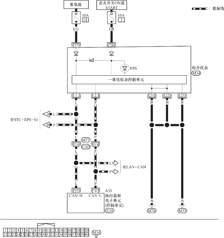
7.电动助力(EPS)转向系统的检修

1)电动助力转向系统的检修电路

图6-40所示为电动助力转向系统的检修电路。

图6-40 电动助力转向系统的检修电路

图6-40 电动助力转向系统的检修电路(续)

图6-40 电动助力转向系统的检修电路(续)

2)EPS控制单元输入/输出信号标准

电动助力控制单元输入/输出信号的标准如表6-3、表6-4、表6-5所示,在进行检测时要将测量值与标准数值进行对比,并根据故障代码分析具体故障部位。

表6-3 电路检测仪参考值

续表

表6-4 EPS诊断仪标准

表6-5 EPS诊断仪故障代码一览表

3)电动助力转向的基本检修

(1)电源电路端口松动和蓄电池检修。

检查蓄电池正极/负极端及接地端是否松动,同时确认蓄电池电压正常。

(2)EPS警告灯检修。

①在打开点火开关的情况下,确保EPS警告灯点亮。

②如果不点亮,则检查CAN通信电路。

③点火开关转动到ON位置且发动机起动之后,确保EPS警告灯关闭。如果没有熄灭,执行自诊断。

④故障诊断结束之后,一定要清除故障代码记忆。

(3)EPS控制单元供电与接地电路的检修。

①EPS控制单元接头的检查。

点火开关转到OFF位置,将EPS控制单元线束接头断开,然后检查端口有无变形、断开、松弛等异常。如正常转至②;如异常则是接头端口出现松动、损坏、开路或短路,要进行修理或更换。

②检查EPS控制单元接地电路。

断开EPS控制单元线束接头M38,然后检查EPS控制单元线束接头,M38与接地之间的导通性。

检查端口18是否接地,检查其导通性,如图6-41所示。若正常则转到③;如异常则检查接地电路开路或短路,修理或更换故障零部件。

图6-41 检查端口18的导通性

③检查EPS控制单元电源电路。

将点火开关转至ON位置,检查EPS控制单元线束接头M37、M38端口和接地之间的电压。端口10、17接地测得的电压数值应为蓄电池电压(约12 V),如图6-42所示。

若数据正常,则电源和接地电路正常;若异常,则为电源电路开路或短路,要修理或更换故障零部件。

图6-42 检查端口10、17的导通性及电压

4)电动助力转向系统常见故障的检修。

(1)蓄电池电压故障检修。

①检查EPS控制单元接头。

将点火开关转到OFF位置,断开EPS控制单元线束接头,检查端子有无变形、断开、松弛等异常。

重新安装接头,确保牢固并执行自诊断,查看在自诊断中是否显示“BATTERY_VOLT”。如是则转到②;否则是接头端口出现松动、损坏、开路或短路,需修理或更换端口。

②检查EPS控制单元接地电路。

关闭点火开关,断开EPS控制单元线束接头M38,然后检查EPS控制单元线束接头M38与接地之间的导通性。检查端口18是否接地导通。若是则转到③;否则是接地电路开路或短路,需修理或更换故障零部件。

③检查EPS控制单元电源电路。

将点火开关转至ON位置,检查EPS控制单元线束接头M37、M38端口和接地之间的电压,端口10、17应接地,测得的电压应为蓄电池电压(约12V)。

若数据测量正常,则转到④;否则应是接头端口出现松动、损坏、开路或短路,需修理或更换故障零部件。

④检查EPS控制单元。

点火开关转到OFF位置,断开EPS控制单元线束接头,起动发动机,在测试仪数据监控中检查“MOTOR VOL”,其电压应为10~16V。

若数据正常则转至⑤;否则是EPS控制单元故障,要更换EPS控制单元。

⑤检查电源电路。

关闭前大灯、A/C、鼓风机以及后窗除雾器。转动转向盘,直到转不动,同时在测试仪数据监控中检查“MOTOR VOL”,其电压应为10~16V。

若正常则检测结束;否则是电源电路开路或短路,需修理或更换故障零部件。

(2)扭矩传感器故障检修。

①检查EPS控制单元接头。

点火开关转到OFF位置,断开EPS控制单元线束接头,然后检查端口有无变形、断开、松弛等异常。

重新安装接头并执行自诊断,查看在自诊断中是否显示“TORQUE SENSOR”,若是则转至②;否则应是接头端口出现松动、损坏、开路或短路,应修理或更换端口。

②检查扭矩传感器接头。

点火开关转到OFF位置,断开扭矩传感器线束接头,然后检查端口有无变形、松弛等异常,重新牢固安装接头并执行自诊断,查看在自诊断中是否显示“TORQUE SENSOR”。若是则转至③;否则应是接头端口出现松动、损坏、开路或短路,应修理或更换端口。

③检查扭矩传感器线束。

点火开关转到OFF位置,断开EPS控制单元线束接头以及扭矩传感器线束接头。检查EPS控制单元线束端口M37与扭矩传感器线束接头M90之间的导通性,如图6-43所示。

图6-43 扭矩传感器线束接头的测量

扭矩传感器线束接头导通性如表6-6所示。

表6-6 扭矩传感器线束接头导通性

若上述数据正常则转至④;否则是EPS控制单元与扭矩传感器之间线束出现开路或短路,应维修相应的线束。

④检查扭矩传感器的电源。

连接EPS控制单元与扭矩传感器线束接头,将点火开关转至ON位置,将转向盘转到中置位置(转向力:0),然后检查EPS控制单元线束接头M37的电压,扭矩传感器电源端口5-7电压约为8V。如正常则转至⑤;否则应是EPS控制单元故障,应更换EPS控制单元。

图6-44所示为扭矩传感器电源电压测量。

图6-44 扭矩传感器电源电压测量

⑤检查扭矩传感器信号。

将转向盘转到中置位置(转向力:0),然后检查EPS控制单元线束接头M37的电压,扭矩传感器(辅)端口4-7电压应为2.5V,扭矩传感器(主)端口6-7电压约2.5V。若正常,则EPS控制单元故障,需更换EPS控制单元;若异常则是扭矩传感器故障,应更换转向柱总成(包括电动机、减速齿轮、传感器)。

图6-45所示为扭矩传感器信号检测。

图6-45 扭矩传感器信号检测

(3)电动机故障检修。

①检查EPS控制单元接头。

将点火开关转到OFF位置,断开EPS控制单元线束接头,检查端口有无变形、断开、松弛等异常现象。

重新牢固安装接头并执行自诊断,查看在自诊断中是否显示“EPSMOTOR”。若显示转到②;若不显示则接头端口出现松动、损坏、开路或短路,应修理或更换端口。

②检查电动机电阻。

点火开关转到OFF位置,从EPS控制单元上断开电动机线束接头M351,检查电动机线束接头M351之间的电阻,用欧姆表测量端口19-20。若测得的阻值为0.1Ω或更小,则EPS控制单元故障,需更换EPS控制单元。图6-46所示为电动机线束接头电阻值测量。

若测量数据不在上述范围,则是电动机故障,需更换转向柱总成(包括电动机、减速齿轮、传感器)。

图6-46 电动机线束接头电阻值测量

(4)EEPROM故障检修。

①检查EPS控制单元接头。

将点火开关转到OFF位置,断开EPS控制单元线束接头,然后检查端口有无变形、断开、松弛等异常现象。

②重新安装接头并执行自诊断,检查在自诊断中是否显示“EEPROM”。若显示,则EPS控制单元出现故障,需更换EPS控制单元;若不显示,则接头端口出现松动、损坏、开路或短路,应修理或更换端口。

(5)控制单元故障检修。

①检查EPS控制单元接头。

点火开关转到OFF位置,断开EPS控制单元线束接头,然后检查端口有无变形、断开、松弛等异常。

若正常转到②;若异常,则接头端口出现松动、损坏、开路或短路,需修理或更换端口。

②检查EPS控制单元接地电路。

断开EPS控制单元线束接头M38,然后检查EPS控制单元线束接头M38与接地之间的导通性。若正常则转到③;若异常,则是接地电路开路或短路,应修理或更换故障零部件。

③检查EPS控制单元电源电路。

将点火开关转至ON位置,检查EPS控制单元线束接头M37、M38端口和接地之间的电压,使端口10、17接地,测量其电压为蓄电池电压(约12 V)。

若正常,则转至④;若异常,则是电源电路开路或短路,需修理或更换故障零部件。

④检查EPS控制单元。

牢固连接EPS控制单元线束接头并执行自诊断,检查在自诊断中是否显示“CONTROLUNIT”。若显示则是EPS控制单元故障,需更换EPS控制单元;若显示异常则检测结束。

(6)车辆速度信号故障检修。

①检查ABS执行器和电子单元(控制单元)地线电路。

执行ABS执行器和电子单元(控制单元)自诊断。若正常则转至②;若异常则修理或更换故障零部件。

②检查车速表。

执行组合仪表(车速表)自诊断。若正常转则至③;若异常则修理或更换故障零部件。

③检查EPS控制单元接头。

点火开关转到OFF位置,断开EPS控制单元线束接头,然后检查端口有无变形、断开、松弛等异常,重新牢固安装接头并执行自诊断。EPS控制单元自诊断显示结果如表6-7所示。

表6-7 EPS控制单元自诊断显示结果

若自诊断显示“CAN_VHCL_SPEED”,则EPS控制单元发生故障,需更换EPS控制单元;若显示“CAN_COMM_CIRCUIT”,则检查通信电路。

若接头端口出现松动、损坏、开路或短路,则修理或更换端子。

(7)发动机信号故障检修。

①检查发动机速度信号。

确保诊断仪数据监控上显示的速度信号值与车速表上的一致,若正常则转至②,否则应检查车速表与电路。

②检查EPS控制单元接头。

点火开关转到OFF位置,断开EPS控制单元线束接头,然后检查端口有无变形、断开、松弛等异常。

重新牢固安装接头并执行自诊断。EPS控制单元自诊断显示结果如表6-8所示。

表6-8 EPS控制单元自诊断显示结果

若自诊断显示“CAN_ENG_RPM”,则是EPS控制单元故障,应更换EPS控制单元;如果显示“CAN_COMM_CIRCUIT”,应检查CAN通信电路。

若不显示,则是EPS控制单元接头端口出现松动、损坏、开路或短路,需修理或更换端子。