10.2.2 算例实现
2026年01月14日
10.2.2 算例实现
已知有一受均布载荷的悬臂梁,给定参数:l=8m,h=2 m,
b=0.2 m,E=3 GPa,μ=0.3 ,q=-1 kN/m。编写有限元程序对问题进行分析。

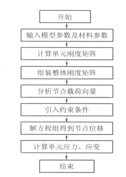
图10-6 有限元程序的编写流程
(1)程序
先针对简单问题进行编程。假设将模型划分为4个单元。程序为:



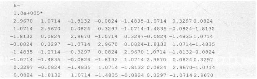
其中cal_K_e()为计算单刚的函数,计算结果如下。

cal_K()为计算总刚的函数,计算结果如下。
(https://www.daowen.com)
最终计算获得的位移和节点载荷结果如下。
![]()

获得位移向量e0后,可以计算获得单元的应力、应变,结果如下。

(2)结果分析
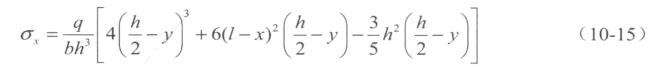
根据弹性力学知识,悬臂梁的应力解为

与解析解相比,前述程序的计算结果显得很粗糙,这是因为计算中采用的单元太少,对问题离散得不够。将有限元模型中的单元进一步细化,使单元达到1 600个(单元大小为0.1m×0.1m)。用新的程序计算,所得数值解比较光滑,也更接近于解析解,如图10-7所示。

图10-7 受均布载荷悬臂梁σx应力
(a)有限元解;(b)理论解