一、铆接

一、铆接

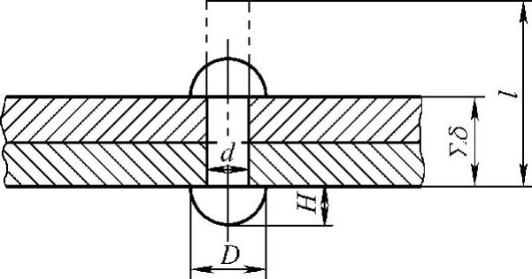
利用铆钉把两个或两个以上的零件或构件连接为一个整体称为铆钉连接,简称铆接,如图12-60所示。

978-7-111-28702-5-Chapter12-69.jpg

图12-60 铆接

δ—工件厚度 l—钉杆长度 D—铆钉直径 H—铆钉头高度

近年来,由于焊接连接和高强度螺柱摩擦连接的发展,铆接的应用已逐渐减少。但由于铆接不受金属种类和焊接性能的影响,而且铆接构件的应力和变形都比焊接小,所以承受严重冲击或振动载荷构件的连接、某些异种金属和轻金属(如铝合金)的连接,铆接仍得到广泛应用。

1.铆接的种类与形式

(1)铆接的种类 根据构件的工作要求和应用范围不同,铆接可分为:

1)强固铆接。强固铆接只要求铆钉和构件有足够的强度来承受大的载荷,而对接缝处的严密性无特殊要求,如房架梁、桥梁、车辆和塔架等桁架类构件,均属于这类铆接。

2)密固铆接。密固铆接既要具备足够的强度承受一定的压力,同时还要求接缝处有良好的严密性,保证液体或气体在一定压力作用下不致渗漏。

3)紧密铆接。这种铆接不能承受较大的压力,但对铆缝处的严密性要求较高,以防止漏水或漏气。一般多用于薄壁容器构件的铆接。

(2)铆接的形式 根据连接的相互位置不同,铆接有搭接、对接和角接三种形式,如图12-61、图12-62、图12-63所示。

978-7-111-28702-5-Chapter12-70.jpg

图12-61 搭接

a)单剪切铆接 b)双剪切铆接

978-7-111-28702-5-Chapter12-71.jpg

图12-62 对接

a)单排单盖板 b)双排双盖板

978-7-111-28702-5-Chapter12-72.jpg

图12-63 角接

a)单面角接 b)双面角接

2.铆接工艺种类

铆接按温度分为冷铆和热铆两种方式。

(1)冷铆 铆钉在常温状态下的铆接称为冷铆。冷铆时要求铆钉有良好的塑性。用铆钉枪冷铆时,铆钉直径一般不超过13mm,手工冷铆时,铆钉直径通常小于8mm。

(2)热铆 铆钉加热后的铆接称为热铆。热铆的铆钉因受热钉杆塑性增加,铆钉头成形容易,因而铆接时需要的外力与冷铆相比明显减小。所以在铆钉材质的塑性较差或直径较大等不适合冷铆时,通常采用热铆。热铆时,钉杆一端除形成封闭的钉头外,同时镦粗而充满铆孔。冷却时,铆钉长度收缩,使被铆件之间产生压力,而造成很大的摩擦力,从而获得足够的连接强度。