5.5  习题·巩固

5.5 习题·巩固

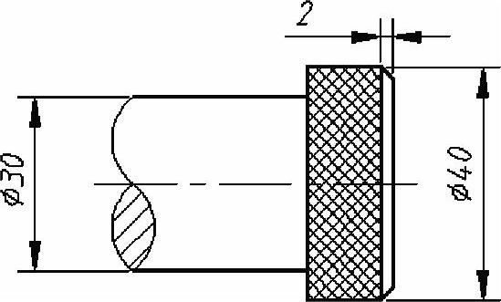
1.使用合适的填充图案绘制滚花零件,尺寸如图5-95所示。

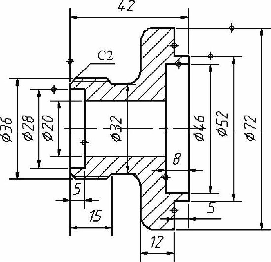
2.利用创建面域和布尔运算的方法,绘制如图5-96所示的法兰盘。

3.标注阀盖表面粗糙度,零件图如图5-97所示,表面粗糙度插入到带有点标记(978-7-111-49664-9-Chapter05-147.jpg)的位置,数值统一输入12.5,注意表面粗糙度符号需要旋转的角度。

978-7-111-49664-9-Chapter05-148.jpg

图5-95 滚花零件

978-7-111-49664-9-Chapter05-149.jpg

图5-96 法兰盘

978-7-111-49664-9-Chapter05-150.jpg

图5-97 标注表面粗糙度符号