7.3.2 案例2——绘制阀体零件
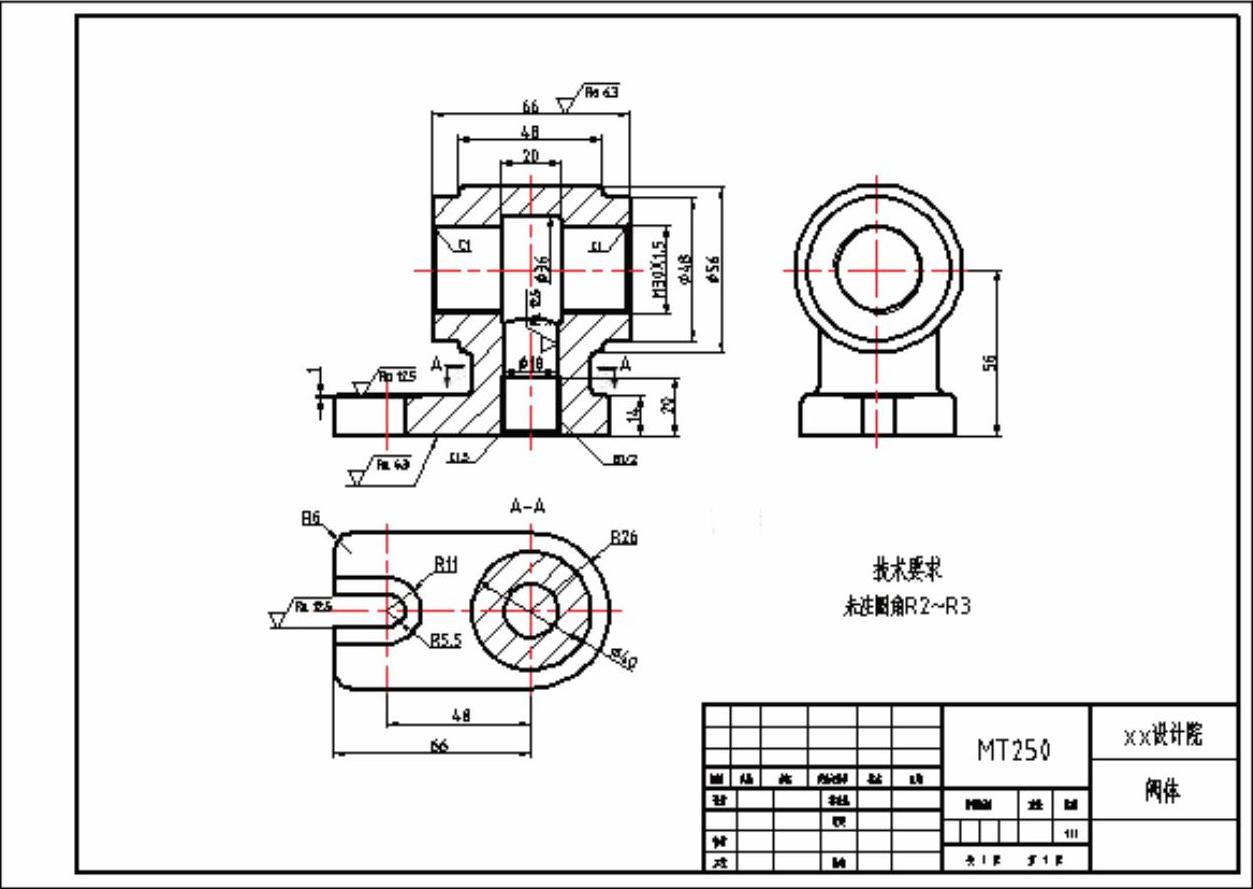
绘制如图7-107所示的直齿圆柱零件图。其中各个部分的详细信息可查看图7-108所示的尺寸标注和技术要求和图7-109所示的标题栏。

图7-107 阀体零件图

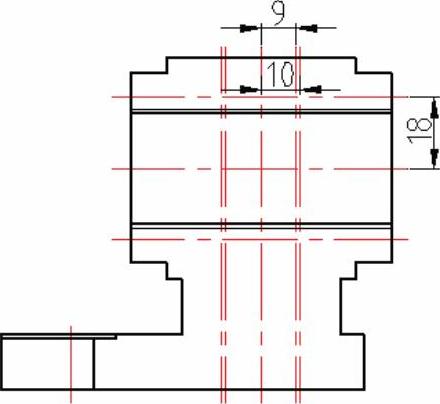
图7-108 尺寸标注和技术要求

图7-109 标题栏
【思路分析】
俯视图和左视图相对比较简单,由若干个圆和直线组成,而且是对称图形,可以先绘制中心线基准,然后绘制其中一半,再镜像绘制另外一半,最后根据对应关系绘制主视图。
【光盘文件】
——参见附带光盘中的“END\Ch7\7-3-2.dwg”文件。
——参见附带光盘中的“AVI\Ch7\7-3-2.avi”文件。
【操作步骤】
1)根据前面的实例操作,建立相应的图层、文字样式、表面粗糙度标注块以及尺寸标注样式。
其中有两个尺寸标注父样式,一个尺寸标注父样式包括角度标注子样式,引线标注子样式;另一个尺寸标注父样式为“标注一半尺寸”,其设置如下:在“标注样式管理器”对话框中单击“新建”按钮,在弹出的“创建新标注样式”对话框中,输入新样式名“标注一半尺寸”,在“基础样式”下拉列表中选择“制图标注”,在“用于”下拉列表中选择“所有标注”选项,如图7-110所示。

图7-110 创建“标注一半尺寸”标注样式
单击“继续”按钮,在“新建标注样式:标注一半尺寸”对话框中打开“线”选项卡,勾选“尺寸线”选项组中的“尺寸线2”复选框,在“尺寸界线”选项组中勾选“尺寸界线2”复选框,如图7-111所示。

图7-111 “线”选项卡设置
单击“确定”按钮,完成设置。
绘制一个A3的图框,外图框长和宽分别为420和297,内图框为了预留装订边,其左边与外图框的距离为25,其余各边为5。
2)绘制左视图。将当前图层设置为“中心线”图层,先绘制一段水平中心线和一段垂直中心线,尺寸如图7-112所示。
3)使用“圆”命令绘制左视图中的各个圆,尺寸如图7-113所示,其中直径为30的圆为细实线,其余为粗实线。使用打断命令将Φ30的圆的一段打断,表示螺纹。

图7-112 绘制中心线

图7-113 绘制圆
4)使用偏移命令将水平中心线向下偏移56,再将偏移后的水平中心线向上偏移14,将垂直中心线分别向右偏移20和26,然后修剪偏移后的中心线并将其变为“粗实线”,如图7-114所示。

图7-114 偏移绘制轮廓
5)使用“偏移”命令将垂直中心线向右分别偏移5.5和11,将阀体底座的上端面线向下偏移1然后修剪图形并将非粗实线变为粗实线,如图7-115所示。

图7-115 偏移绘制其他结构
6)使用“圆角”命令绘制圆角,圆角半径为3,如图7-116所示。
7)镜像图形,绘制出左视图的另一半,如图7-117所示。

图7-116 绘制圆角

图7-117 镜像图形
8)绘制主视图。先绘制一段水平中心线和一段垂直中心线,如图7-118所示。
9)绘制主视图轮廓图。将当前图层设置为“粗实线”。选择“直线”使用对象追踪功能对应左视图,在垂直中心线上指定直线第一点,然后指定水平向右的方向,输入长度24,不必结束直线命令,向下移动光标,利用对象追踪功能对应左视图指定下一点,然后指定水平向右的方向,输入长度“9”,接着向下移动光标,利用对象追踪功能对应左视图,指定下一点,继续同样的操作方法,绘制出主视图右侧轮廓,如图7-119所示。

图7-118 绘制中心线

图7-119 绘制主视图右半部分轮廓
10)使用镜像命令绘制出主视图中底座以上部分的轮廓,如图7-120所示。

图7-120 镜像图形
11)使用“偏移”命令将垂直中心线向左偏移48和66,然后将偏移了48的垂直中心线向右偏移5.5和11。绘制底座上下两个端面线,并将底座上端面线向下偏移1,如图7-121所示。

图7-121 偏移线段
对线段进行修剪,并将中心线变为“粗实线”,如图7-122所示。

图7-122 修剪线段
12)绘制主视图内部结构。使用偏移命令将垂直中心线分别向左右偏移9和10,将水平中心线上下偏移18。使用“直线”命令,利用对象追踪功能绘制左视图中的螺纹孔在主视图的轮廓,螺纹牙顶线为粗实线,牙底为细实线,如图7-123所示。

图7-123 绘制零件主视图内部结构
修剪线段,如图7-124所示,并将中心线变为粗实线。

图7-124 修建图线
绘制主视图中轴向水平方向的孔φ36和轴向垂直的孔φ18的相贯线,可选择“圆弧”命令绘制,绘制完成后,使用“修剪”命令去掉φ36孔与相贯线相交部分线段,如图7-125所示。

图7-125 绘制相贯线
13)继续绘制主视图的其余结构。绘制孔φ18的螺纹牙底线(使用“细实线”图层),可以选择“偏移”命令,将φ18孔的左轮廓线向左偏移1,右轮廓线向右偏移1,螺纹的长度为20,螺纹终止线用粗实线绘制,修剪牙底线。接着绘制螺纹孔M30和φ18的倒角并添加倒角后形成的端面线,如图7-126所示。

图7-126 绘制螺纹牙底线和螺纹孔倒角
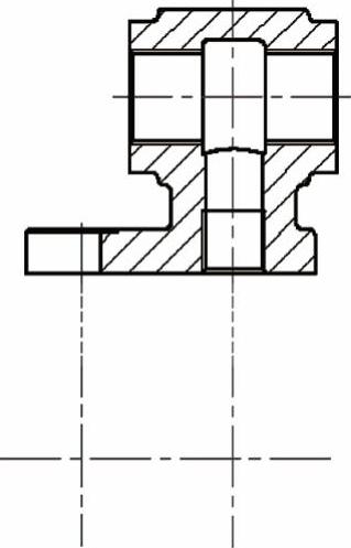
14)使用“圆角”命令,给主视图绘制圆角,圆角半径为2,然后填充剖面线,完成后如图7-127所示。

图7-127 绘制圆角和填充剖面线
15)绘制俯视图中的底座。将“中心线”图层设置为当前图层,先绘制一段水平中心线,然后对应着主视图的两段垂直中心线,绘制两段中心线,如图7-128所示。

图7-128 绘制中心线
16)将当前图层设置为“粗实线”,使用“圆”命令绘制俯视图中的各个圆,尺寸如图7-129所示。

图7-129 绘制圆
17)选择“直线”命令,指定φ50的圆与垂直中心线的上交点为第1点,利用对象追踪功能,绘制底座轮廓,如图7-130所示。

图7-130 绘制底座轮廓
继续绘制底座上的其他结构,如图7-131所示。
修剪线段和绘制圆角,圆角的半径为6,完成后如图7-132所示。

图7-131 绘制底座其他结构

图7-132 修剪线段和绘制圆角
18)绘制俯视图的剖视图。为了清晰表达φ18孔处的结构,对这部分结构进行剖切绘制。先在主视图相应位置绘制剖切符号,指示剖切面的起、止和转折位置(用短粗实线表示)及投射方向(用箭头表示)的符号,如图7-133所示。

图7-133 绘制剖切符号
在俯视图绘制剖切后的视图,选择“圆”命令,根据对应关系,在俯视图中绘制出剖切后的结构,并填充剖面线,最后标注上剖切图的名称“A-A”,见图7-134所示。

图7-134 完成的俯视图
19)接着对零件进行尺寸标注、技术要求的标注,并添加标题栏,零件图的绘制便全部完成。