6.5.1 应用1——标注图形
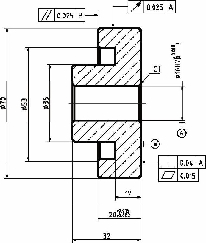
直接打开已保存好的图形,对图形进行标注,标注好的图形如图6-242所示。

图6-242 圆盘类图形标注
【思路分析】
在这个尺寸标注图中涉及了尺寸公差、几何公差和倒角标注,使用AutoCAD 2014软件提供的引线、尺寸标注命令完成对图形的标注。
【光盘文件】
——参见附带光盘中的“START\Ch6\6-5-1.dwg”文件。
——参见附带光盘中的“END\Ch6\6-5-1.dwg”文件。
——参见附带光盘中的“AVI\Ch6\6-5-1.avi”文件。
【操作步骤】
1)打开附带光盘中保存好的附带文件。
2)建立一个主标注样式,命名为“制图标注”。同时,设置一个用引线标注的标注子样式,如图6-243所示,步骤和前面的实例相同。

图6-243 标注样式列表
3)单击“图层”面板中的“图层选择”下拉列表切换“标注”图层为当前图层。
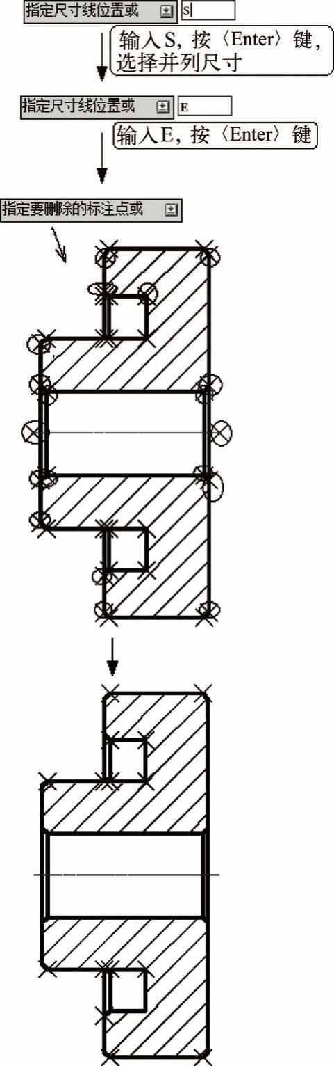
4)选择“快速标注”命令,系统提示“选择要标注的几何图形”,使用“窗口方式”选择整个图形,按〈Enter〉键,如图6-244所示。

图6-244 快速标注选择图形
如图6-245所示,系统提示“指定尺寸线位置或[连续(C)/并列(S)/基线(B)/坐标(O)/半径(R)/直径(D)/基准点(P)/编辑(E)/设置(T)]<连续>:”,输入S,按〈Enter〉键,选择“并列”形式。
系统提示“指定尺寸线位置或[连续(C)/并列(S)/基线(B)/坐标(O)/半径(R)/直径(D)/基准点(P)/编辑(E)/设置(T)]:”,输入E,按〈Enter〉键,系统提示“确定要删除的标注点或”,编辑尺寸标注点,删除不必要的标注点(图中被圈中的标注点),编辑完成后如图6-245所示。

图6-245 快速标注编辑标注点
系统提示“指定尺寸线位置或”,移动光标,单击鼠标左键,完成快速标注,如图6-246所示。

图6-246 快速标注图形
5)选择“线性”标注命令,如图6-247所示。系统提示“指定第一个尺寸界线原点或<选择对象>:”,选择图中所示端点;系统提示“指定第二条尺寸界线原点:”,选择图中所示端点。系统提示“指定尺寸线位置或”,移动光标,单击鼠标左键,指定尺寸放置位置。

图6-247 标注长度尺寸
6)选择“基线标注”命令,如图6-248所示。系统提示“指定第二条尺寸界线原点或[放弃(U)/选择(S)]<选择>:”,单击图中所指端点为第二条尺寸界线原点,完成一个基线标注;系统继续提示“指定第二条尺寸界线原点或”,指定图中所指端点为下一个尺寸界线原点,完成另一个基线标注;最后按〈Enter〉键,完成基线标注。
如果尺寸基线不是上一步标注的尺寸12的右尺寸界线,直接按下〈Enter〉键,重新选择12尺寸的右尺寸界线。

图6-248 标注长度尺寸
7)选择“线性”命令,如图6-249所示。系统提示“指定第一个尺寸界线原点或<选择对象>:”,选择图中所示端点;系统提示“指定第二条尺寸界线原点”,选择图中所示端点;系统提示“指定尺寸线位置或[多行文字(M)/文字(T)/角度(A)/水平(H)/垂直(V)/旋转(R)1:”,输入M,按〈Enter〉键,尺寸文字处于可编辑状态,在16前面输入直径符号“%%C”,在16后面输入尺寸公差“
”,然后对“
”进行堆叠;在输入框外单击鼠标左键,关闭文字编辑器,放置好尺寸,完成标注。

图6-249 标注中心孔尺寸
8)标注几何公差,如图6-250所示。输入LEADER引线命令,系统提示“指定引线起点:”,指定图形右端面上任意一点为引线起点;系统提示“指定下一点:”,指定第一点水平位置右侧一点为引线第二点;系统提示“指定下一点或[注释(A)/格式(F)/放弃(U)]<注释>:”,直接按下〈Enter〉键,选择“注释”选项;系统提示“输入注释文字的第一行或<选项>:”,直接按下〈Enter〉键,选择“选项”选项;系统提示“输入注释选项[公差(T)/副本(C)/块(B)/无(N)/多行文字(M)]<多行文字>:”,选择“公差”选项。

图6-250 标注几何公差(1)
系统打开“几何公差”对话框,在对话框中输入如图6-251所示的值。

图6-251 几何公差值设置
单击“确定”按钮,完成几何公差标注,如图6-252所示。

图6-252 标注几何公差(2)
9)使用同样的方法标注其余的几何公差,标注完成后如图6-253所示。以B为基准的平行度几何公差,在标注前先沿端面绘制1条细实线,引线的第1点在此细实线上。

图6-253 标注几何公差(3)
10)标注倒角,如图6-254所示。输入QLEADER命令,系统提示“指定第一个引线点或[设置(S)]<设置>:”,指定图中所示端点为第一个引线点;系统提示“指定下一点:”,沿45度方向指定第二个引线点;系统提示“指定下一点:”,直接按下〈Enter〉键,进入下一步;系统提示“指定文字宽度<0>:”,直接按下〈Enter〉键,采用默认值;系统提示“输入注释文字的第一行<多行文字(M)>:”,直接按下〈Enter〉键,选择多行文字,然后输入“C1”,在输入框外单击左键,关闭文字编辑器,完成标注。

图6-254 标注倒角
11)绘制基准。先使用“直线”命令绘制如图6-255所示的等边三角形和线段,长度皆为3.5。然后使用“单行文字”命令输入文字A,并绘制一个边长为5的正方框将字母A圈中,最后对等边三角形进行填充。

图6-255 绘制基准A
用同样的方法绘制基准B,完成后如图6-256所示。

图6-256 绘制基准B
12)编辑尺寸。双击使用“快速标注”命令标注的左端面尺寸,尺寸文本处于可编辑状态,在尺寸70、52、36前面加上直径符号“%%C”,完成后如图6-257所示。

图6-257 添加直径符号
13)继续编辑尺寸。双击零件的端面尺寸20,文字处于可编辑状态,在20后面输入“+0.015^+0.002”,然后选中“+0.015^+0.002”,使用堆叠功能将其堆叠,在输入框外单击鼠标左键,关闭文字编辑器,完成尺寸公差标注,如图6-258所示。

图6-258 添加尺寸公差
至此,零件的标注全部完成。