7.4  习题·巩固

7.4 习题·巩固

本节给出4个题目,供读者练习。

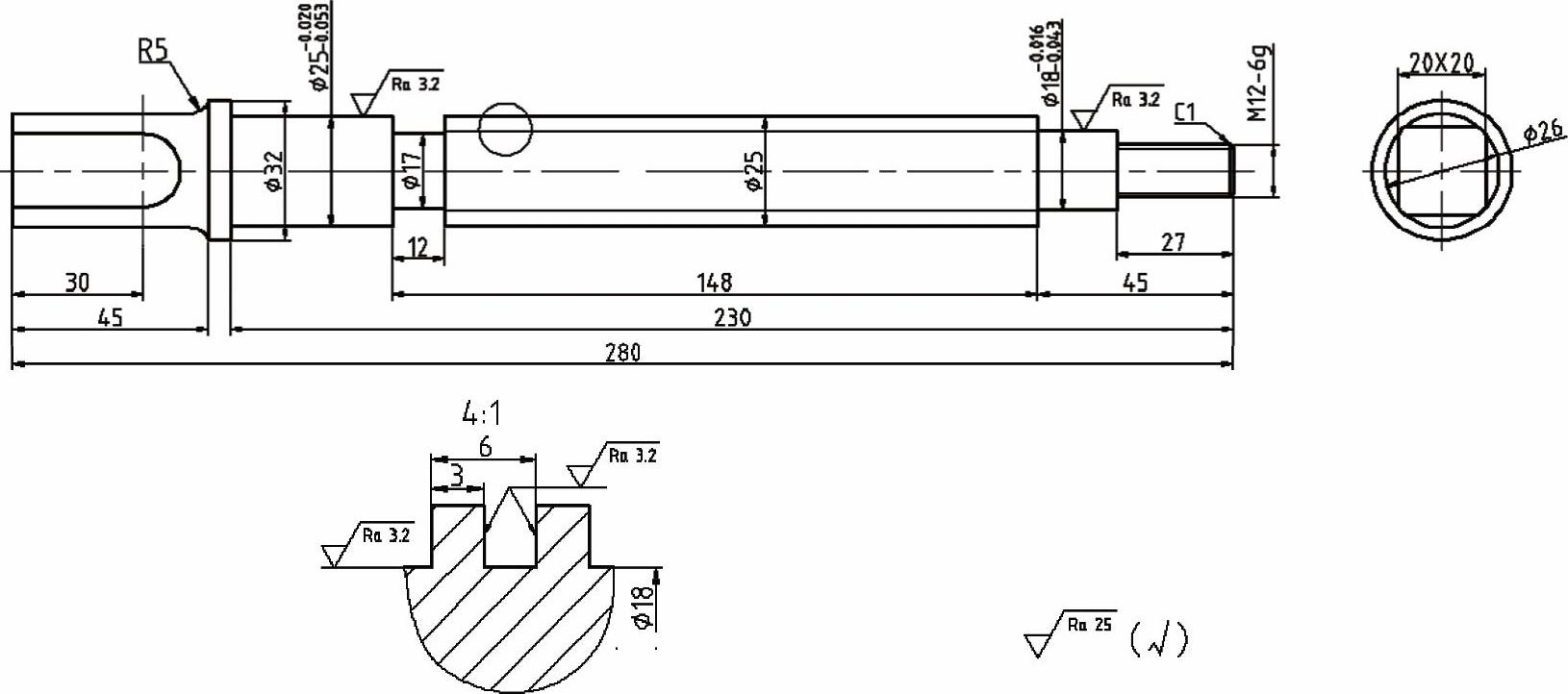
1.绘制丝杆零件图,如图7-135所示。提示:零件图涉及了局部放大图,比例为“4∶1”,因此需要建立一个标注样式用于放大部分的标注,将“主单位”选项卡中的“比例因子”设置为0.25即可。

978-7-111-49664-9-Chapter07-154.jpg

图7-135 丝杆零件图

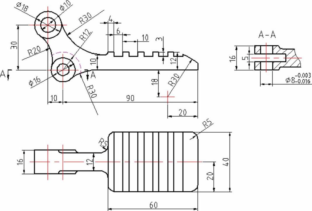
2.绘制挡盖零件,如图7-136所示。

978-7-111-49664-9-Chapter07-155.jpg

图7-136 挡盖零件图

3.绘制踏板零件图,如图7-137所示。

978-7-111-49664-9-Chapter07-156.jpg

图7-137 踏板零件图

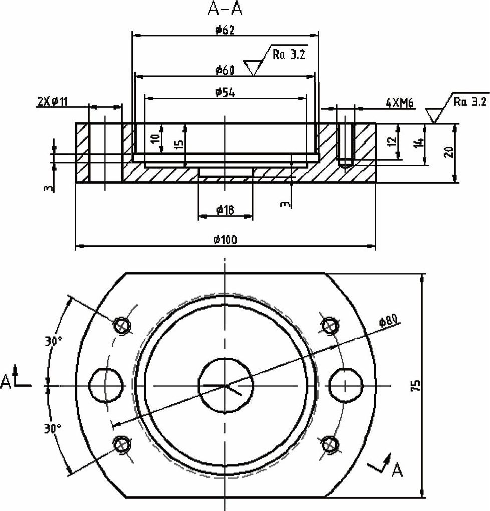
4.绘制缸体零件图,如图7-138所示。

978-7-111-49664-9-Chapter07-157.jpg

图7-138 缸体零件图