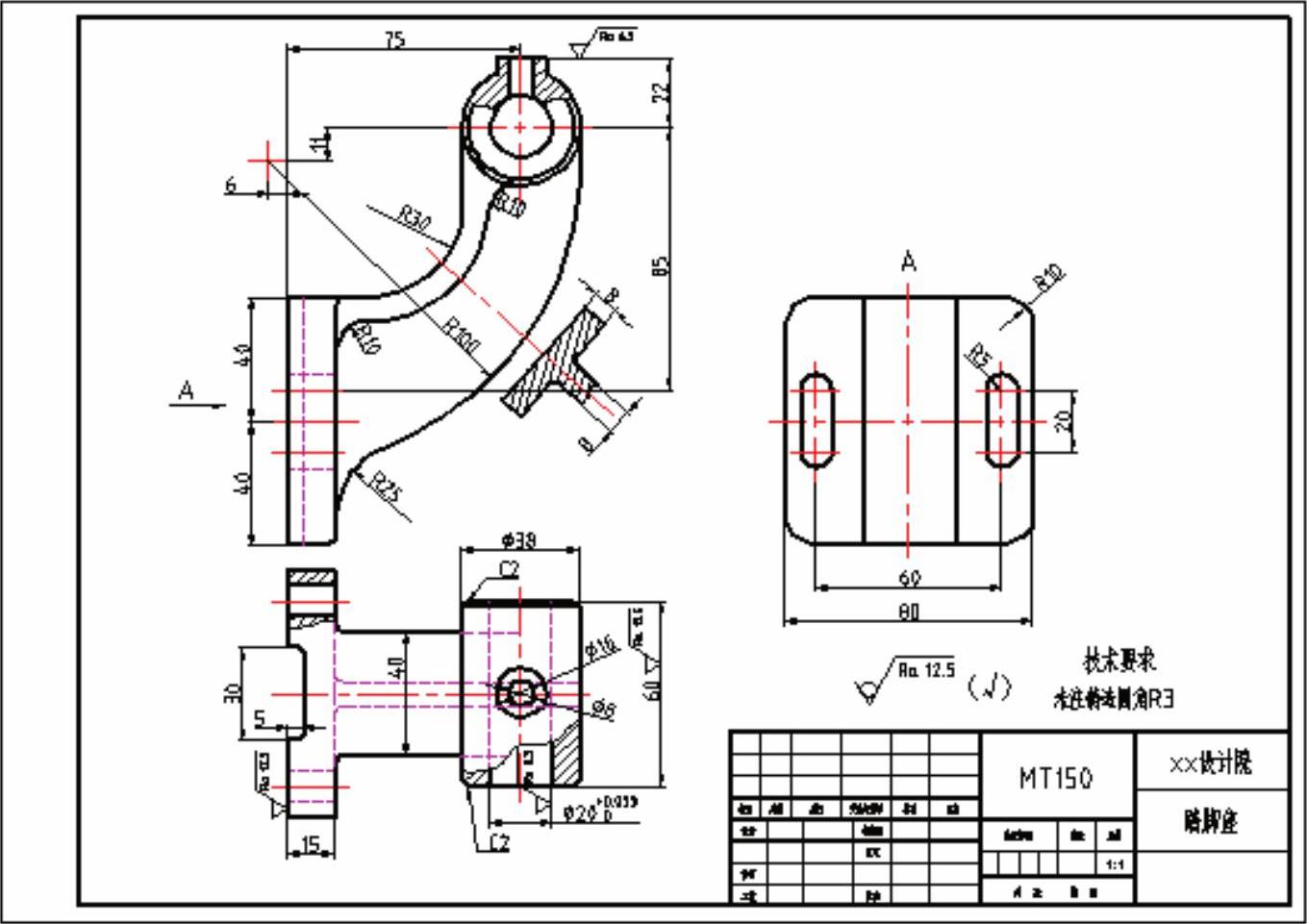
7.3.1 案例1——绘制踏脚座零件图
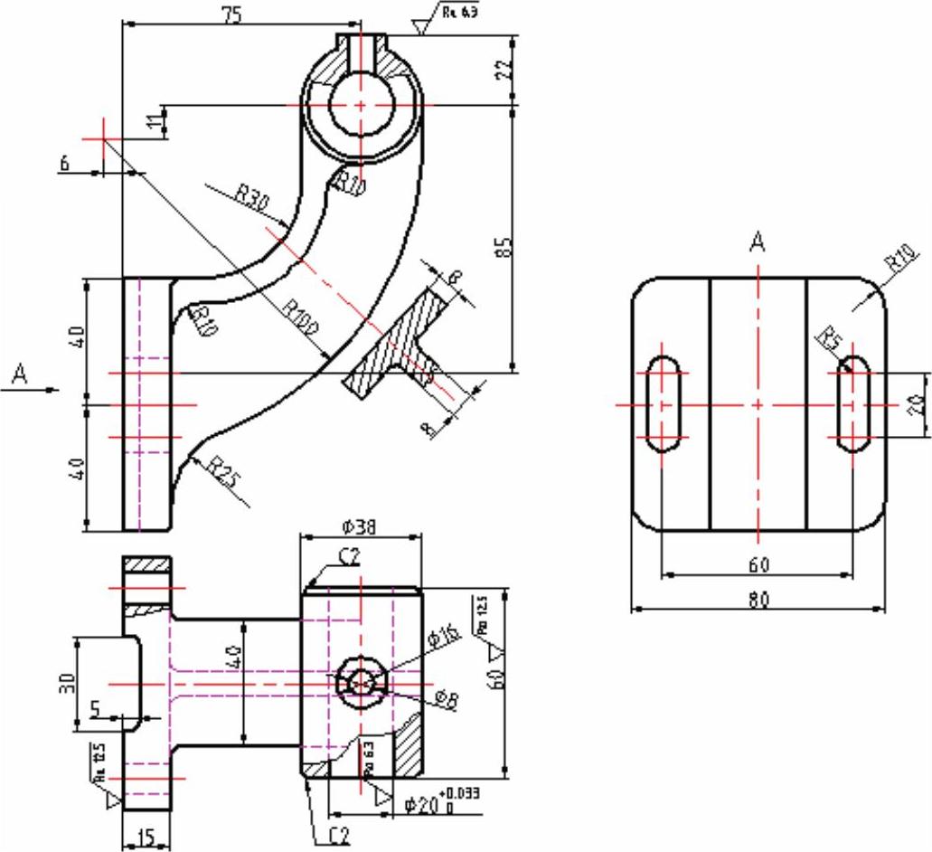
绘制如图7-81所示的直齿圆柱零件图。其中各个部分的详细信息可查看如图7-82所示的尺寸标注、图7-83所示的技术要求和其余表面粗糙度要求以及图7-84所示的标题栏。

图7-81 踏脚座零件图

图7-82 尺寸标注

图7-83 技术要求和其余表面粗糙度要求

图7-84 标题栏
【思路分析】
先绘制出中心线作为绘制基准,接着绘制俯视图,俯视图是一个对称图形,可先绘制其中一半,再镜像绘制出另外一半,然后根据对应关系绘制主视图,最后绘制向视图。
【光盘文件】
——参见附带光盘中的“END\Ch7\7-3-1.dwg”文件。
——参见附带光盘中的“AVI\Ch7\7-3-1.avi”文件。
【操作步骤】
1)根据前面的实例操作建立相应的图层、文字样式、尺寸标注样式(包括角度标注子样式,引线标注子样式)以及表面粗糙度标注块。
绘制一个A3的图框,外图框长和宽分别为420和297,内图框为了预留装订边,其左边与外图框的距离为25,其余各边为5。
2)将当前图层设置为“中心线”图层,绘制一段水平中心线和垂直中心线,然后将垂直中心线分别上下偏移30,再使用夹点编辑方式将其长度调整至合适长度,如图7-85所示。

图7-85 绘制中心线
3)将图层换为“粗实线”图层,然后以中间的水平中心线上的点为起点,绘制底座端面线段,长度为40垂直于水平中心线的线段。然后将其向右偏移75,并将其转换为“中心线”,如图7-86所示。

图7-86 绘制垂直线段
4)将上一步绘制的底座端面线段向右偏移5和15,将水平中心线向上偏移15和40,然后修剪线段,并将所有线段换为“粗实线”,如图7-87所示。

图7-87 偏移绘制底座
5)将水平中心线向上偏移20和30,将右侧的垂直中心线分别左右偏移19,然后修剪线段,并将“中心线”线段转换为“粗实线”,如图7-88所示。

图7-88 偏移绘制俯视图轮廓
6)绘制俯视图中的虚线部分,如图7-89所示。将水平中心线向上偏移4,将右侧的垂直中心线分别左右偏移10,并修剪线段,然后使用“打断于点”命令将图中所指线段打断于指定点,最后将所有线段转换为“虚线”图层。
7)倒角和圆角。倒角的距离为2,倒角角度为45°。倒角后,添加上倒角形成的轮廓线。圆角半径为3,如图7-90所示。

图7-89 绘制俯视图隐藏线

图7-90 倒角和圆角
8)将俯视图上半部分镜像绘制出下半部分,并绘制两个孔,如图7-91所示。

图7-91 镜像图形
9)绘制底座上两个槽。将两个槽的中心线分别上下偏移2.5,然后修剪线段,将下侧的槽轮廓线换成“虚线”,上侧的槽附近,用细实线绘制局部剖切线,然后将槽轮廓线换为“粗实线”,并将被剖切部分填充剖面线,如图7-92所示。

图7-92 绘制局部剖视图
10)绘制主视图,先绘制一段中心线,然后将其分别向上下偏移10,然后使用夹点编辑其长度,如图7-93所示。

图7-93 绘制主视图中心线
11)使用对象追踪功能,按照对应关系和尺寸,用“粗实线”绘制出底座在主视图中的轮廓,包括底座端面上的凹陷部分采用“虚线”绘制。同时将底座上的槽上中心线向上偏移5,下中心线向下偏移5,然后修剪并换为虚线图层,如图7-94所示。

图7-94 绘制主视图底座
12)使用偏移命令将底座的端面线向左偏移6,向右偏移75,将底座槽的上中心线向上偏移85,然后将偏移后的中心线向下偏移11,如图7-95所示。

图7-95 偏移线段
将偏移后的线段进行整理,将其垂直移动或水平移动,使相关的线段相交,并将非中心线换为中心线,如图7-96所示。

图7-96 绘制中心线
13)绘制主视图中的圆。按照图7-97所给尺寸。

图7-97 绘制主视图中的圆
14)绘制主视图中圆和底座之间的连接部分。先以直径为38的圆于水平中心线左右两个交点为起点,分别绘制两段线段,过底座上端绘制一段线段,如图7-98所示。
然后绘制图7-99所示三个圆。半径为30的圆与两段线段相切。半径为38的圆与半径30的圆同圆心。半径100圆的圆心在前面已确定,如图7-99所示。

图7-98 绘制伸出线段

图7-99 绘制连接圆
15)使用“圆角”命令,设置为不修剪模式,绘制圆弧连接部分,如图7-100所示。然后修剪掉多余的线段和圆,如图7-101所示。

图7-100 绘制圆角

图7-101 修剪图形
16)绘制主视图顶端孔局部剖视图。将主视图中轴孔的水平中心线向上偏移22,将垂直中心线分别向左右偏移4和8,形成4段线段,如图7-102,然后修剪多余线段并换为“粗实线”。
修剪图形并使用细实线绘制局部剖切线,并填充剖面线,如图7-103所示。
17)绘制断面图。如图7-104示,在中心线图层绘制过R30圆心的辅助径向直线。然后换为粗实线图层,过辅助径向线绘制图中所示长度线段。

图7-102 偏移线段

图7-103 绘制局部剖视图
如图7-105所示,利用“垂直约束”使线段两两垂直,接着镜像绘制断面轮廓的另一半,绘制圆角和样条曲线,并填充剖面线。

图7-104 绘制辅助径向线和断面轮廓

图7-105 绘制断面图
18)绘制向视图。在主视图标注向视图的箭头和符号“A”,先绘制中心线基准,然后使用偏移命令和修剪命令绘制出轮廓和槽,最后执行圆角命令完成向视图的绘制,如图7-106所示。

图7-106 绘制向视图
19)标注尺寸、技术要求和添加标题栏,则零件图的所有绘制已完成。