10.6 习题·巩固
第10章 绘制三维图
AutoCAD2014为用户提供了三维绘图的功能,而且在此版本中的三维设计能力有明显的提高。本章介绍三维绘图的基本知识,通过掌握各种技巧,达到快速绘图的目的。
本章内容
实例·知识点——绘制三维实体
实例·知识点——YL型凸缘联轴器
实例·知识点——法兰轴的剖切与渲染
外部参照
要点·应用
能力·提高
10.1 实例·知识点——绘制三维实体
熟练掌握绘制基本三维实体是绘制复杂的三维零件的基础,同一个三维实体可能有多种的绘制方法,下面介绍使用合适的方法绘制三维实体,组合的三维实体如图10-1所示。

图10-1 组合三维实体
【思路分析】
整个组合的三维实体由底到顶的实体分别是六棱柱、圆柱、圆锥台和圆管,圆锥台外部由锥形弹簧包围。六棱柱可以用拉伸方法绘制,圆柱体可以直接建模(见图10-2);圆锥台可以用放样绘制(见图10-3);圆管可以用旋转绘制(见图10-4);弹簧可以使用扫掠绘制(见图10-5)。

图10-2 绘制底面的六棱柱和圆柱体

图10-3 放样绘制圆锥台

图10-4 旋转得到圆管

图10-5 扫掠螺旋线
【光盘文件】
——参见附带光盘中的“END\Ch10\10-1.dwg”文件。
——参见附带光盘中的“AVI\Ch10\10-1.avi”文件。
【操作步骤】
1)运行AutoCAD2014,然后新建一个空白文件,接着单击绘图区域左上角的“视图控件”菜单栏,并在弹出的菜单栏中选择“西南等轴”选项,将视图调整为西南等轴测视图,如图10-6所示。

图10-6 设置视图控件
2)单击“绘图”工具栏中“正多边形”按钮
,根据命令行提示输入边数为“6”按〈Enter〉键,接着指定正多边形的中心输入“0,0”按〈Enter〉键,弹出的选项选择“外接于圆”,最后指定圆的半径为16,按〈Enter〉键,如图10-7所示。

图10-7 绘制平面六边形
3)创建面域。单击“绘图”工具栏中“面域”
按钮,选择上一步绘制的六边形按〈Enter〉键,完成创建如图10-8所示。

图10-8 创建面域
4)拉伸面域创建实体。单击“建模”工具栏中“拉伸”按钮
,按命令行提示选择六边形为拉伸对象按〈Enter〉键,移动光标往Z轴正向,当前命令行输入“10”按〈Enter〉键,完成拉伸操作,如图10-9所示。

图10-9 拉伸图形
5)新UCS创建。需要在六棱柱顶面绘制圆柱体,需要把XOY平面与顶面重合。命令行输入UCS,光标与坐标系合并,光标往Z轴方向移动,当前命令行输入“10”按〈Enter〉键,再按一次按〈Enter〉键,完成新UCS创建,如图10-10所示。

图10-10 新UCS
6)单击“建模”工具栏中“圆柱体”
按钮,按命令行提示指定圆心时,输入“0,0”按〈Enter〉键,输入圆柱底面直径“12”按〈Enter〉键,最后提示指定高度时输入“15”按〈Enter〉键,完成圆柱体的绘制如图10-11所示。

图10-11 绘制圆柱体
7)新UCS创建。需要将UCS沿Z轴正方向移动15,重复步骤5)操作,移动距离改为15,如图10-12所示。

图10-12 剖视图实体
8)在当前UCS会平面圆形,单击“绘图”工具栏中“圆”
按钮,指定圆心为“0,0”,半径为12。
9)在新UCS中,需要将UCS沿Z轴正方向移动20,重复步骤5)操作,移动距离改为,如图10-13所示。

图10-13 新UCS
10)在新UCS上绘制,单击“绘图”工具栏中“圆”
按钮,指定圆心为“0,0”,半径为10,如图10-14所示。

图10-14 绘制圆
11)放样绘制圆锥台。单击“建模”工具栏中“放样”
按钮,先后选择步骤9)和步骤10)绘制的两个圆按〈Enter〉键,在下拉选项中选择“仅横截面”单击,完成绘制,如图10-15所示。

图10-15 放样操作
12)新UCS创建。在命令行输入UCS按〈Enter〉键,再输入X按〈Enter〉键,命令提示输入旋转角度“270”按〈Enter〉键完成创建,如图10-16所示。

图10-16 新UCS
13)绘制矩形。在新的UCS中,单击“直线”
按钮,在弹出“指定第一点”时,输入“10,0”按〈Enter〉键,打开正交模式,然后沿Y轴负方向移动光标,输入“10”按〈Enter〉键,接着沿X轴负方向移动光标,输入“6”按〈Enter〉键,接着沿Y轴正向移动光标,输入“10”按〈Enter〉键,最后命令行输入C,闭合图形,如图10-17所示。

图10-17 绘制旋转截面
14)创建面域。将上一绘制的矩形创建为面域。
15)旋转绘制圆孔。单击“建模”工具栏中“旋转”
按钮,选择上一步创建的面域为旋转对象,指定整体实体中轴为旋转轴,旋转角度输入“360”按〈Enter〉键,完成旋转,如图10-18所示。

图10-18 旋转
16)新UCS创建。在命令行输入UCS按〈Enter〉键,再输入W按〈Enter〉键,将UCS重置到WCS,如图10-19所示。然后需要将UCS沿Z轴正方向移动25,重复步骤5)操作,移动距离改为25,如图10-20所示。

图10-19 重置UCS

图10-20 新UCS
17)绘制螺旋线。单击“绘图”工具栏中“螺旋”
按钮,根据命令行提示指定圆心,输入“0,0”按〈Enter〉键,然后输入底面圆半径“13”按〈Enter〉键,接着输入顶面圆半径“13”按〈Enter〉键,最后输入高度“20”按〈Enter〉键,完成绘制如图10-21所示。

图10-21 绘制螺旋线
18)设置螺旋线参数。双击上一步绘制的螺旋线,弹出图像特性的窗口,将“圈”改为5按〈Enter〉键,关闭窗口,如图10-22所示。

图10-22 螺旋线特性
19)在图形任意位置绘制一个直径为2的圆形。
20)扫掠螺旋线。单击“建模”工具栏中“扫掠”
按钮,按命令行提示选择上一步绘制的圆为扫掠对象按〈Enter〉键,然后选择螺旋线为扫掠的路径按〈Enter〉键,完成扫掠如图10-23所示。

图10-23 扫掠螺旋线
21)在菜单栏中选择“视图”→“视觉样式”→“概念”命令,得到的模型效果如图10-24所示。

图10-24 概念视图样式
10.1.1 三维坐标系统
AutoCAD 2014使用的是笛卡儿坐标系。AutoCAD 2014使用的直角坐标系有两种类型,一种是绘制二维图形时,常用的坐标系,即世界坐标系(WCS),由系统默认提供。世界坐标系为了方便创建三维模型,AutoCAD 2014允许用户根据自己的需要设定坐标系,即用户坐标系(USC)。合理的创建UCS,用户可以方便创建三维模型。
AutoCAD 2014专门为三维建模设置了三维的工作空间,需要使用时,只要从工作空间的下拉列表中选择“三维建模”即可,如图10-25所示。

图10-25 选择工作空间
将工作空间设置为“三维建模”之后,选项卡的标签会有所变化,会显示一些三维建模常用的功能按钮,在绘图区左上方,设置视图控件和视觉样式控件,进入三维绘图的环境,如图10-26所示。

图10-26 三维建模工作空间
1.坐标系建立
在绘制三维图形的过程中,往往需要绘制一些二维的平面图形,在三维绘图空间中激活二维绘图命令,但是绘图的位置只能在XOY平面上。因此,为了在准确的位置绘制二维图形,需要对新UCS进行创建。
在AutoCAD2014中建立用户坐标系的方法如下。
●单击ViewCube下拉按钮
→“新UCS”。
●菜单栏:“绘图”→“新建UCS”。
●命令行:输入UCS。
执行上述指令后,根据命令行提示,有不同确定USC位置的方式,各选项说明如下。
●指定USC的原点,使用一点、两点或者三点定义一个新的UCS。如果指定一个点1,当前UCS的原点平移到该点,而不会更改X、Y和Z轴的方向。如果指定两个点,第1个点作为UCS的原点,第1个点到第2个点的方向作为X轴的正方向,其他轴方向不变。如果指定3个点,前两点作用与指定两个点的相同,第1个点到第3个点方向作为Y轴的正向,Z轴自然就确定了,如图10-27所示。

图10-27 指定UCS原点的说明
●面(F):将UCS与三维实体的选定面对齐。要选择一个面,请在此面的边界内或面的边上单击,被选中的面将亮显,UCS的X轴将与找到的第一个面上的最近的边对齐,当光标移到各个面的时候,会显示移动后的坐标,可以根据实际来选择合适的面与边。然后根据命令行提示可以选择X、Y轴的方向,或者选择“下一个”选项,系统将UCS定位与邻接的面或选定边的后向面。
●对象(OB):根据选定三维对象定义新的坐标系,如图10-27所示。新建UCS的拉伸方向(Z轴正方向)与选定对象的拉伸方向相同。对于大多数对象,新UCS的原点位于离选定对象最近的顶点处,并且X轴与一条边对齐或相切。对于平面对象,UCS的XY平面与该对象所在的平面对齐。对于复杂对象,将重新定位原点,但是轴的当前方向保持不变。本选项不能用于三维多段线、三维网格和构造线这些对象。
●视图(V):以垂直于观察方向(平行于屏幕)的平面为XY平面,建立新的坐标系。UCS原点保持不变。
●世界(W):将当前用户坐标系设置为世界坐标系。WCS是所有用户坐标系基准,不能被重新定义。
●X、Y、Z:绕指定轴旋转当前UCS。
●Z轴:用指定的Z轴正半轴定义UCS。
10.1.2 动态UCS
按下状态栏上的动态UCS按钮
,或按〈F6〉键。
打开动态UCS后,可以使用动态UCS在三维实体的平整面上创建对象,而无需手动更改UCS方向。在执行命令的过程中,当将光标移动到面上方时,动态UCS会临时将UCS的XY平面与三维实体的平整面对齐。
动态UCS激活后,指定的点和绘图工具(例如极轴追踪和栅格)都将与动态UCS建立的临时UCS相关联。
10.1.3 长方体
长方体是AutoCAD 2014三维图中最基本的图形,也是最常用的图形。
在AutoCAD 2014中绘制长方体的方法如下。
●工具栏:“建模”→“长方体”
按钮。
●菜单栏:“绘图”→“建模”→“长方体”。
●命令行:输入BOX。
执行操作后,命令行提示可以选择指定“角点”和“中心(C)”两种方式确定长方体。
■角点——通过指定长方体的各个定点绘制长方体。
单击“长方体”
按钮,以任意点为第一个角点,输入底面矩形第二个对角点的X坐标“3”,按下〈Tab〉键,再输入Y坐标“4”确认,完成第二个对角点的定位。光标提示指定高度,输入Z轴坐标“5”,即可完成长方体绘制。同时也可按照捕捉所需点来绘制长方体,如图10-28所示。

图10-28 利用对角点坐标方式绘制矩形
■角点、立方体——创建一个长、宽、高相等的长方体。
单击“长方体”
按钮,以任意点为第一个角点,输入C,然后输入立方体的边长“2”,按下〈Tab〉键输入旋转角度“30”确认,即可绘制立方体,如图10-29所示。

图10-29 利用对角点坐标方式绘制立方体
■角点、长度——创建一个长、宽、高自定义的长方体。
单击“长方体”
按钮,以任意点为第一个角点,输入L,然后指定长度为2,按下〈Tab〉键输入X轴的夹角角度“30”确认,输入宽度“3”,最后输入高度2确认。即可绘制长方体,如图10-30所示。

图10-30 利用对角点长度方式绘制长方体
■中心——以中心地位创建一个长、宽、高自定义的长方体。
单击“长方体”
按钮,输入C,以任意点为中心点,然后输入长度为“2”,按下〈Tab〉键输入宽度“3”确认,最后输入高度“2”确认。即可绘制长方体,如图10-31所示。中心点位置为体对角线交点。

图10-31 利用对角点长度方式绘制长方体
10.1.4 圆柱体
圆柱在AutoCAD2014三维建模中用得比较多,机械制图中更为重要。
在AutoCAD2014中绘制圆柱体的方法如下。
●工具栏:“建模”→“圆柱体”
按钮。
●菜单栏:“绘图”→“建模”→“圆柱体”按钮。
●命令行:输入CYLINDER。
执行操作后,命令行提示内容与绘制圆的相似,只需要在XOY面上绘制需要的圆,然后输入高度,即可绘制圆柱体。
10.1.5 球体
在AutoCAD2014中球体绘制的方法如下。
●工具栏:“建模”→“球体”
按钮。
●菜单栏:“绘图”→“建模”→“球体”。
●命令行:输入SPHERE。
执行操作后,命令行提示可以选择“中点”“两点(2P)”“三点(3P)”和“切点、切点、半径(T)”的选项。为了更好表现球体的形状,把视觉样式控件设置为“真实”。
■球心、半径——指定球心和半径来确定球体的位置和大小。
单击“球体”
按钮,输入圆心横坐标“5”,按下〈Tab〉键,输入圆心纵坐标“5”,完成圆心的定位。在半径输入框里输入半径值“5”并按〈Enter〉键,即可绘制完成圆心坐标为(5,5,0),半径为5的球体,如图10-32所示。

图10-32 球心,半径方式绘制球体
■球心、直径——指定球心和直径来确定球体的位置和大小。
单击“球体”
按钮,输入圆心横坐标“5”,按下〈Tab〉键,输入圆心纵坐标“5”,完成圆心的定位。在半径输入框里输入D,在直径输入框里输入直径值“10”并按〈Enter〉键,即可绘制完成圆心坐标为(5,5,0),直径为10的球体,如图10-33所示。

图10-33 球心,直径方式绘制球体
■三点——指定球上的三点来确定球的位置和大小。
利用三点方式绘制圆,一般不单独使用,往往与三维对象捕捉配合使用。
单击“球体”
按钮,命令行输入3P,激活其中的“三点”命令。利用对象捕捉分别捕捉圆上三点,如图10-34所示,即可绘制出经过这三个点的圆。

图10-34 三点方式绘制球体
■两点——以两点的连线为球的直径来绘制圆。
单击“球体”
按钮,命令行输入2P,激活其中的“二点”命令。在弹出的“指定第一个端点”输入框里输入坐标(5,5)。然后在弹出“指定第二个端点”输入框时依次输入“8”“,”“8”,按下〈Enter〉键。即可完成以(5,5)和(8,8)为直径的两端点的球体的绘制,其中球体的被XOY面平分,如图10-35所示。

图10-35 二点方式绘制球体
■相切,相切,半径——用指定的半径创建与两个已有线条相切的球体。
单击“球体”
按钮,命令行输入T,激活其中的“相切,相切,半径”命令。当弹出“指定第一个切点:”时,利用对象捕捉,选取第一个递延切点。出现“指定第二个切点:”时,捕捉第二个切点。然后在弹出的“指定圆的半径”输入框里输入半径值“5”。即可绘制出与两已有线条相切的,半径为10的球体,绘制结果如图10-36所示。

图10-36 “相切,相切,半径”方式绘制球的步骤与结果
10.1.6 拉伸
在绘制三维图形过程中,可以通过延伸二维或三维曲线创建三维实体或曲面。
在AutoCAD2014中拉伸的方法如下。
●工具栏:“建模”→“拉伸”
按钮。
●菜单栏:“绘图”→“建模”→“拉伸”。
●命令行:输入EXTRUDE。
执行操作后,命令行提示可选择“高度”“方向”“路径”“倾斜角”的选项。
■高度——沿正或负Z轴拉伸选定对象。方向基于创建对象时的UCS,或(对于多个
选择)基于最近创建的对象的原始UCS。
切换到俯视视角,先在俯视平面上绘制一个半径为5的圆。切换到东南等轴视角,单击“拉伸”
按钮,选择刚刚绘制的圆为拉伸对象按〈Enter〉键,输入拉伸高度“10”按〈Enter〉键,完成绘图如图10-37所示。

图10-37 指定拉伸高度
■方向——用两个指定点指定拉伸的长度和方向。
切换到俯视视角,先在俯视平面上绘制一个半径为5的圆。切换到东南等轴视角,单击“拉伸”
按钮,选择刚刚绘制的圆为拉伸对象按〈Enter〉键,输入D按〈Enter〉键,指定两点作为拉伸的方向和距离,完成绘图如图10-38所示。

图10-38 指定拉伸方向
提示:方向不能与拉伸创建的扫掠曲线所在的平面平行。
■路径——指定基于选定对象的拉伸路径。
切换到俯视视角,先在俯视平面上绘制一个半径为5的圆,在左视平面上绘制一个半径为6的半圆弧。切换到东南等轴测视角,单击“拉伸”
按钮,选择刚刚绘制的圆为拉伸对象按〈Enter〉键,输入P按〈Enter〉键,指定两点作为拉伸的方向和距离,完成绘图如图10-39所示。

图10-39 指定拉伸路径
提示:路径将移动到轮廓的质心,然后沿选定路径拉伸选定对象的轮廓以创建实体或曲面。
■倾斜角——指定拉伸的倾斜角。
切换到俯视视角,先在俯视平面上绘制一个半径为5的圆。切换到东南等轴视角,单击“拉伸”
按钮,选择刚刚绘制的圆为拉伸对象按〈Enter〉键,输入T按〈Enter〉键,输入倾斜角度“30”按〈Enter〉键,输入拉伸高度“10”按〈Enter〉键,完成绘图如图10-40所示。

图10-40 指定拉伸倾斜角度
其中,正角度表示从基准对象逐渐变细地拉伸,而负角度则表示从基准对象逐渐变粗地拉伸。默认角度0表示在与二维对象所在平面垂直的方向上进行拉伸。所有选定的对象和环都将倾斜到相同的角度。指定一个较大的倾斜角或较长的拉伸高度,将导致对象或对象的一部分在到达拉伸高度之前就已经汇聚到一点。
■表达式——输入公式或方程式以指定拉伸高度。
10.1.7 旋转
通过绕轴扫掠对象创建三维实体或曲面。
在AutoCAD2014中旋转的方法如下。
●工具栏:“建模”→“旋转”
按钮。
●菜单栏:“绘图”→“建模”→“旋转”。
●命令行:输入REVOLVE。
切换到俯视视角,先在俯视平面上绘制一个半径为5的圆,与一条距离圆心8的直线。切换到西南等轴视角,单击“旋转”
按钮,选择刚刚绘制的圆为旋转对象按〈Enter〉键,旋转直线作为旋转轴,输入倾斜角度“180”按〈Enter〉键,完成绘图如图10-41所示。

图10-41 旋转创建三维实体
提示:旋转的选择可以是指定两点,也可以是指定要用作轴的现有对象,同时也可以是将当前UCS的X、Y、Z轴正向设定为轴的正方向。
10.1.8 扫掠
通过沿路径扫掠二维对象或者三维对象或子对象来创建三维实体或曲面。通过沿开放或闭合路径扫掠开放或闭合的平面曲线或非平面曲线(轮廓),创建实体或曲面。开放的曲线创建曲面,闭合的曲线创建实体或曲面(具体取决于指定的模式)。
在AutoCAD 2014中扫掠的方法如下。
●工具栏:“建模”→“扫掠”
按钮。
●菜单栏:“绘图”→“建模”→“扫掠”。
●命令行:输入REVOLVE。
切换到俯视视角,先在俯视平面上绘制一个半径为5的圆,与一条多段线,如图10-42所示。切换到西南等轴视角,单击“扫掠”
按钮,选择刚刚绘制的圆为扫掠对象按〈Enter〉键,多段线作为扫掠路径按〈Enter〉键,完成绘图如图10-43所示。

图10-42 扫掠对象与路径

图10-43 扫掠创建三维实体
扫掠其他选项说明:
●对齐——指定是否对齐轮廓以使其作为扫掠路径切向的法向。
如果轮廓与路径起点的切向不垂直(法线未指向路径起点的切向),则轮廓将自动对齐。出现对齐提示时输入No可以避免该情况的发生。
●基点——指定要扫掠对象的基点。
●比例——指定比例因子以进行扫掠操作。从扫掠路径的开始到结束,比例因子将统一应用到扫掠的对象。
●参照——通过拾取点或输入值来根据参照的长度缩放选定的对象。
●扭曲——设置正被扫掠的对象的扭曲角度。扭曲角度指定沿扫掠路径全部长度的旋转量。
●倾斜——指定将扫掠的曲线是否沿三维扫掠路径(三维多段线、样条曲线或螺旋)自然倾斜(旋转)。
10.1.9 放样
在若干横截面之间的空间中创建三维实体或曲面,通过指定一系列横截面来创建三维实体或曲面,横截面定义了结果实体或曲面的形状。用户必须至少指定两个横截面。
在AutoCAD 2014中放样的方法如下。
●工具栏:“建模”→“放样”
按钮。
●菜单栏:“绘图”→“建模”→“放样”。
●命令行:输入LOFT。
下面通过实例进行放样操作的讲解。
1)新建一个使用acadiso3D.dwt图形样板的图形文件,并使用“三维建模”工作空间。
2)在当前用户坐标系绘制一个圆心在(0,0),半径为8的圆。
3)新建用户坐标,命令行输入“UCS”,在当前命令行依次输入“0”“,”“0”“,”“10”按〈Enter〉键。原UCS沿Z轴正方向移动了10,如图10-44所示。

图10-44 新建UCS
4)绘制第二个圆,在新的用户坐标绘制一个圆心在(5,0),半径为5的圆,如图10-45所示。
5)新建用户坐标,命令行输入UCS,在当前命令行依次输入“5”“,”“0”“,”“5”按〈Enter〉键。
6)绘制第三个圆,在新的用户坐标绘制一个圆心在(0,0),半径为3的圆,如图10-46所示。

图10-45 新UCS绘制第二圆

图10-46 新UCS绘制第三圆
7)单击“放样”
按钮,由大到小选择圆,先选定半径最大的圆,然后选半径为5的圆,最后选择半径最小的圆按〈Enter〉键。在弹出列表选择“仅横截面”选项,如图10-47所示。

图10-47 放样绘制实体
放样其他选项说明如下。
●导向——指定控制放样实体或曲面形状的导向曲线。
可以使用导向曲线来控制点如何匹配相应的横截面以防止出现不希望看到的效果(例如结果实体或曲面中的皱褶,如图10-48所示)。其中,两个截面有以下要求:a.与每个横截面相交;b.始于第一个横截面;c.止于最后一个横截面。为放样曲面或实体选择任意数目的导向曲线,然后按〈Enter〉键。

图10-48 放样导向设置
●路径——指定放样实体或曲面的单一路径。
路径曲线必须与横截面的所有平面相交。带路径放样示例如图10-49所示。

图10-49 放样路径设置
●设置——显示“放样设置”对话框。
控制放样曲面在其横截面处的轮廓。用户还可以闭合曲面或实体。“放样设置”对话框如图10-50所示。
选项列表说明如下。
●直纹:指定实体或曲面在横截面之间是直纹(直的),并且在横截面处具有鲜明边界。
●平滑拟合:指定在横截面之间绘制平滑实体或曲面,并且在起点横截面和端点横截面处具有鲜明边界。

图10-50 “放样设置”对话框
●法线指向:控制实体或曲面在其通过横截面处的曲面法线。
●拔模斜度:控制放样实体或曲面的第一个和最后一个横截面的拔模斜度和幅值。拔模斜度为曲面的开始方向。0定义为从曲线所在平面向外。
●闭合和开放曲面或实体:使用该选项时,横截面应该形成圆环形图案,以便放样曲面或实体可以形成闭合的圆管。
●周期(平滑端点):创建平滑的闭合曲面,在重塑该曲面时其接缝不会扭折。仅当放样为直纹或平滑拟合且选择了“闭合曲面或实体”选项时,此选项才可用。
10.2 实例·知识点——YL型凸缘联轴器
联轴器是机械应用中动力传递的重要元件,YL型凸缘联轴器是一种结构比较简单的联轴器,两个半联轴器的尺寸完全相同,下面绘制联轴器(除去联接螺栓),如图10-51所示。

图10-51 YL型凸缘联轴器
【思路分析】
首先由直线把图形在图纸上绘制出来,然后把图形转换成块,保存图块为dwg格式,再在另外的图纸中插入图块,如图10-52~图10-55所示。

图10-52 旋转半联轴器基本形状

图10-53 绘制半联轴器的孔

图10-54 绘制倒角与圆角

图10-55 镜像实体
【光盘文件】
——参见附带光盘中的“END\Ch10\10-2.dwg”文件。
——参见附带光盘中的“AVI\Ch10\10-2.avi”文件。
【操作步骤】
1)运行AutoCAD2014,然后新建一个空白文件。
2)单击“正交”
按钮,进入正交模式。单击“直线”
按钮,绘制出图10-56所示的二维图形,不必标注尺寸。

图10-56 绘制二维图形
3)创建面域。单击“绘图”工具栏中“面域”
按钮,选择上一步绘制的二维图形创建两个面域。
4)单击绘图区域左上角的“视图控件”菜单栏,并在弹出的菜单栏中选择“西南等轴测”选项,将视图调整为西南等轴测视图,如图10-57所示。

图10-57 设置视图控件
5)旋转半联轴器基本形状。单击“建模”工具栏中“旋转”按钮
,选择上一步创建的半联轴器旋转截面面域为旋转对象,指定整体实体边长52的边为旋转轴,旋转角度输入“360”按〈Enter〉键,完成旋转,如图10-58所示。

图10-58 旋转半联轴器
6)单击“建模”工具栏中“拉伸”
按钮,按命令行提示选择孔面域为拉伸对象按〈Enter〉键,移动光标往Z轴正向,当前命令行输入“60”按〈Enter〉键,完成拉伸操作,如图10-59所示。

图10-59 拉伸面域
7)对齐两个实体,如图10-60所示。单击在功能区“常用”选项卡的“修改”面板中的“对齐”
按钮,根据命令行提示,旋转键槽形状的拉伸体按〈Enter〉键,命令行提示“指定第一个源点:”时,单击拉伸体圆心1。命令行提示“指定第一个目标点:”时,单击旋转体圆心2。命令行提示“指定第二个源点:”时,单击拉伸体圆心3。命令行提示“指定第二个目标点:”时,单击旋转体圆心4,按下〈Enter〉键,弹出的“是否缩放对象”,选择否,完成对齐如图10-61所示。

图10-60 拉伸体与旋转体

图10-61 对齐
8)布尔运算差集。单击“实体编辑”面板中的“差集”
按钮,根据命令行提示,选择旋转体为被减去的实体按〈Enter〉键。选择拉伸实体为减去的实体按〈Enter〉键,完成差集运算,如图10-62所示。

图10-62 差集运算
9)新UCS创建。在功能区“常用”选项卡的“坐标”面板中,单击UCS
按钮,输入X按〈Enter〉键,再输入旋转角度“270”按〈Enter〉键,完成新UCS的创建,如图10-63所示。

图10-63 新UCS
10)单击绘图空间右上角的ViewCube的“下”标志,完成视图转换,如图10-64所示。

图10-64 下视效果
11)新UCS创建。在功能区“常用”选项卡的“坐标”面板中,单击“原点”
按钮,选择图形的圆心为UCS新原点,如图10-65所示。

图10-65 指定UCS新原点
12)绘制圆柱体。单击功能区“常用”选项卡的“建模”面板中单击“圆柱体”
按钮,根据命令行提示指定底面的中心点为“0,-42.5”按〈Enter〉键,再输入半径“5”按〈Enter〉键,最后输入高度为“30”按〈Enter〉键,完成绘制如图10-66所示。

图10-66 绘制圆柱体
13)阵列圆柱体。命令行输入3DARRAY激活三维阵列操作,根据命令行提示,选择上一步绘制的圆柱体作为阵列的对象按〈Enter〉键。弹出的阵列类型列表中选择“环形”,指定项目数量为4按〈Enter〉键,指定要填充的角度为360按〈Enter〉键,在旋转阵列对象选项选择“是”。指定半联轴器中轴的两点来定义旋转中轴,完成阵列如图10-67所示。

图10-67 阵列圆柱体
14)布尔运算差集。单击“实体编辑”面板中的“差集”
按钮,根据命令行提示,选择主体实体为被减去的实体按〈Enter〉键。选择上一步阵列的四个圆柱体为减去的实体按〈Enter〉键,完成差集运算,如图10-68所示。

图10-68 差集运算
15)三维倒角。单击功能区“实体”选项卡的“实体编辑”面板中单击“倒角边”
按钮,根据命令行提示选择边为倒角边回车,当前命令行输入D按〈Enter〉键,输入倒角距离“2”按〈Enter〉键,最后输入“2”按〈Enter〉键,再按一次(Enter>键退出编辑,完成绘制,如图10-69所示。

图10-69 三维倒角
16)凸缘部分倒角。重复步骤15)操作,倒角边为凸缘的上表面的外缘,距离为2×2,如图10-70所示。

图10-70 三维倒角
17)中心孔的倒角。重复步骤15)操作,为中心孔两端倒角。距离为1×1,如图10-71所示。

图10-71 三维倒角
18)单击功能区“视图”选项卡的“视图”面板中单击“东北等轴测”按钮,切换视图角度如图10-72所示。

图10-72 东北等轴测视图效果
19)三维圆角。单击功能区“实体”选项卡的“实体编辑”面板中单击“圆角边”
按钮,在当前命令行输入R按〈Enter〉键,输入圆角半径“1”按〈Enter〉键,选择边凸缘与外圆盘的交线为圆角边按〈Enter〉键,在按一次〈Enter〉键完成绘制,如图10-73所示。

图10-73 三维圆角
20)单击功能区“视图”选项卡的“视图”面板中单击“西南等轴测”按钮,切换视图角度如图10-74所示。

图10-74 西南等轴测视图效果
21)三维镜像,镜像创建另一个半联轴器。命令行输入MIRROR3D激活三维镜像操作,选择整个实体为镜像对象按〈Enter〉键。命令行输入XY按〈Enter〉键,输入点“0,0”按<Enter>键,指定镜像面为XOY平面。弹出“是否删除源对象”选项,选择“否”,完成三维镜像如图10-75所示。
22)旋转半联轴器。单击“常用”选项卡中“修改”面板的“三维旋转”
按钮,根据命令行提示,选择镜像复制的半联轴器为旋转对象按〈Enter〉键,指定基点为“0,0”按〈Enter〉键,光标单击选择绿色弧线为旋转轴,输入旋转角度为“90”按〈Enter〉键,完成三维旋转,如图10-76所示。

图10-75 镜像另一个半联轴器

图10-76 旋转半联轴器
23)在菜单栏中选择“视图”→“视觉样式”→“概念”命令,得到的模型效果如图10-77所示。

图10-77 概念视图样式
24)保存文件。
10.2.1 布尔运算
布尔运算在数学的集合运算中得到广泛应用,AutoCAD2014也将该运算应用到平面图形和实体的创建过程中。在第5章已经提及过面域的布尔运算,下面讲述三维图元的布尔运算。
1.并集
在AutoCAD2014中执行并集命令的方法如下。
●工具栏:“实体”→“布尔值”→“并集”
按钮。
●菜单栏:“修改”→“实体编辑”→“并集”。
●命令行:输入UNION。
在“实体”工具栏标签中的“布尔值”中,单击“并集”
按钮,根据命令行提示,选择需要并集的两个实体按〈Enter〉键,所选的实体合并成一个整体,如图10-78所示。

图10-78 并集
2.交集
在AutoCAD2014中执行交集命令的方法如下。
●工具栏:“实体”→“布尔值”→“交集”
按钮。
●菜单栏:“修改”→“实体编辑”→“交集”。
●命令行:输入INTERSECT。
在“实体”工具栏标签中的“布尔值”中,单击“交集”
按钮,根据命令行提示,选择需要并集的两个实体按〈Enter〉键,所选的实体的公共部分被保留,其他部分被删减,如图10-79所示。

图10-79 交集
3.差集
在AutoCAD2014中执行差集命令的方法如下。
●工具栏:“实体”→“布尔值”→“差集”
按钮。
●菜单栏:“修改”→“实体编辑”→“差集”。
●命令行:输入SUBTRACT。
在“实体”工具栏标签中的“布尔值”中,单击“差集”
按钮,根据命令行提示,先选择被减的实体按〈Enter〉键,再选择需要减去的实体按〈Enter〉键,就能得到两个实体的差集,如图10-80所示。

图10-80 差集
10.2.2 倒角
倒角在机械零件中十分常见,AutoCAD 2014提供了快捷的绘制倒角的功能。
在AutoCAD 2014中绘制倒角的方法如下。
●工具栏:“实体”→“实体编辑”→“倒角边”
按钮。
●菜单栏:“修改”→“实体编辑”→“倒角边”。
●命令行:输入CHAMFER。
单击“实体编辑”面板中的“倒角边”
按钮,在当前命令行输入D,修改倒角的大小,命令行提示“距离1”时,输入“2”按〈Enter〉键,命令行提示“距离2”时,输入“2”,按〈Enter〉键单击选绘制倒角的两个面的交线按〈Enter〉键,如图10-81所示。

图10-81 绘制三维倒角
提示列表说明如下。
●选择边——选择要建立倒角的一条实体边或曲面边。
●距离1——设定第一条倒角边与选定边的距离。默认值为1。
●距离2——设定第二条倒角边与选定边的距离。默认值为1。
●环——对一个面上的所有边建立倒角。对于任何边,都有两种可能的循环。选择循环边后,系统将提示接受当前选择,或选择下一个循环。
●表达式——使用数学表达式控制倒角距离。
10.2.3 圆角
类似倒角的应用,圆角也是十分的常用,两者的绘图方式也有相似的地方。
在AutoCAD 2014中绘制倒角的方法如下。
●工具栏:“实体”→“实体编辑”→“圆角边”
按钮。
●菜单栏:“修改”→“实体编辑”→“圆角边”。
●命令行:输入FILLETEDGE。
单击“实体编辑”面板中的“倒角边”的下拉按钮,找到“圆角边”
按钮并单击,在当前命令行输入R,修改倒角的大小,命令行提示“输入圆角半径或”时,输入2按〈Enter〉键,单击选绘制倒角的两个面的交线按<Enter>键,如图10-82所示。

图10-82 绘制三维圆角
提示列表说明如下。
●选择边——指定同一实体上要进行圆角的一个或多个边。按〈Enter〉键后,可以拖动圆角夹点来指定半径,也可以使用“半径”选项。
●链——指定多条边的边相切。
●循环——在实体的面上指定边的环。对于任何边,都有两种可能的循环。选择循环边后,系统将提示接受当前选择,或选择下一个循环。
●半径——指定半径值。
10.2.4 三维阵列
在AutoCAD2014中绘制倒角的方法如下。
●“三维基础”工作空间中:工具栏“修改”→“三维阵列”
按钮。
●菜单栏:“修改”→“三维操作”→“三维阵列”。
●命令行:输入3DARRAY。
与二维阵列类似,阵列的方式包括矩形阵列和环形阵列。使用矩形阵列,可以控制行和列的数目以及它们之间的距离,使用环形阵列,可以围绕中心点在环形阵列中均匀分布对象副本。
(1)矩形——在行(X轴)、列(Y轴)和层(Z轴)矩形阵列中复制对象。
在当前UCS创建一个边长为2的立方体,其中一个角点在(0,0,0)上。单击“三维阵列”
按钮,单击需要阵列的对象按〈Enter〉键。命令行提示阵列方式时,单击选择“矩形(R)”,命令行提示输入行数3按〈Enter〉键,命令行提示输入列数“2”按〈Enter〉键,命令行提示输入层数“2”按〈Enter〉键。接着命令行提示行间距、层间距和列间距,都输入“2”按〈Enter〉键,修改倒角的大小,命令行提示“距离1”时,输入“2”按〈Enter〉键。完成三维阵列,如图10-83所示。

图10-83 矩形三维阵列
提示列表说明:
●行数(---)——指定要沿X轴重复的行数。
●列数(|||)——指定要沿Y轴重复的行数。
●层数(...)——指定要沿Z轴重复的行数。
●行间距(---)——指定沿X轴排列的项基点之间的距离。
●列间距(|||)——指定沿Y轴排列的项基点之间的距离。
●层间距(...)——指定沿Z轴排列的项基点之间的距离。
提示:在行、列和层间距中输入正值将沿X、Y、Z轴的正向生成阵列,输入负值将沿X、Y、Z轴的负向生成阵列。
(2)环形——绕旋转轴复制对象。
在当前UCS创建一个边长为2的立方体,其中一个角点在(0,10,0)上。在单击“三维阵列”
按钮,单击需要阵列的对象按〈Enter〉键。命令行提示阵列方式时,单击选择“环形(L)”,当前命令行提示阵列项目数目输入“5”按〈Enter〉键,当前命令行提示要填充的角度输入“180”按〈Enter〉键,当前命令行提示指定阵列中心点的时候,分别输入点(0,0,0)和点(0,0,5)按〈Enter〉键,即绕Z轴逆时针旋转180°,如图10-84所示。

图10-84 环形三维阵列
提示列表说明如下。
●阵列中项目的数目——指定阵列中的项目数。
●填充角度——指定阵列中第一个和最后一个项目之间的角度。负数值表示沿顺时针方向旋转。
●是否旋转阵列中的对象?——控制在排列项目时是否旋转项目。
··是:沿旋转轴旋转项目。
··否:使阵列中的所有对象保持相同的方向(以上述操作为例,不旋转对象效果如图10-84所示)。
●阵列的中心点——指定阵列中对象的中心点。
●旋转轴上的第二个点——指定第二个点,该点设定旋转轴从中心点旋转的方向。
10.2.5 三维镜像
创建镜像平面上选定三维对象的镜像副本。
在AutoCAD 2014中绘制倒角的方法如下。
●“三维基础”工作空间中:工具栏“修改”→“三维镜像”
按钮。
●菜单栏:“修改”→“三维操作”→“三维镜像”。
●命令行:输入MIRROR3D。
例如绘制图10-85所示的图形,并移动UCS使XOZ面与A面距离为3。

图10-85 需要镜像的实体
单击“三维镜像”
按钮,单击需要镜像的对象按〈Enter〉键。命令行提示镜面的平面方向时,当前命令行提示ZX按〈Enter〉键,在指定平面上坐标输入(0,0)按〈Enter〉键,即对象以ZOX面为对称面,当命令行弹出“是否删除源对象?”列表时,选择“否”,完成镜像操作,如图10-86所示。

图10-86 三维镜像实体
提示列表说明如下。
●对象——使用选定平面对象的平面作为镜像平面。
●最近的——相对于最后定义的镜像平面对选定的对象进行镜像处理。
●Z轴——根据平面上的一个点和平面法线上的一个点定义镜像平面。
●视图——将镜像平面与当前视口中通过指定点的视图平面对齐。
●XY/YZ/ZX平面——将镜像平面与一个通过指定点的标准平面(XY、YZ或ZX)对齐。
●三点——通过三个点定义镜像平面。如果通过指定点来选择此选项,将不显示“在镜像平面上指定第一点”的提示。
●删除源对象——如果输入v,反映的对象将置于图形中并删除原始对象。如果输入n或按〈Enter〉键,反映的对象将置于图形中并保留原始对象。
10.2.6 对齐对象
对齐对象可以通过移动、旋转或倾斜对象来使该对象与另一个对象对齐。在三维环境中,使用3DALIGN命令可以指定最多三个点以定义源平面,然后指定最多三个点以定义目标平面。
在AutoCAD2014中对齐对象的方法如下。
●“三维建模”工作空间中:工具栏“修改”→“对齐”
按钮。
●菜单栏:“修改”→“三维操作”→“对齐”。
●命令行:输入ALIGN。
打开上一节镜像过的文件,下面以这两个对象的对齐为例进行演示,如图10-87所示。
◆对齐——选定的对象将从源点移动到目标点。

图10-87 原始模型
单击“常用”选项卡的“修改”面板的“对齐”按钮,根据命令行提示,选择要对齐的对象2。指定1个源点A,并指定相应的目标点a,然后指定第2个源点B,并指定第2个目标点b,最后指定第3个源点C,并指定第3个目标点c,按〈Enter〉键结束命令,如图10-88所示。

图10-88 对齐对象
◆三维对齐——指定最多三个点以定义源平面,然后指定最多三个点以定义目标平面。
单击“常用”选项卡的“修改”面板的“三维对齐”按钮,根据命令行提示,选择要对齐的对象2。指定按顺序选择源点A,并指定相应的目标点a,并指定第2个源点B,然后指定第2个目标点b,最后指定第3个源点C,并指定第3个目标点c,按〈Enter〉键结束命令,如图10-89所示。

图10-89 三维对齐对象
提示:对齐与三维对齐都可用在二维和三维空间中将对象与其他对象对齐,不同之处在于:“三维对齐”命令可以为源对象指定一个、两个或者三个点,然后可目标指定相应的一个、两个或者三个点来完成三维对齐操作;“对齐”命令则可以指定一对、两对或者三对点以移动、旋转或者倾斜选定对象,从而将它们与其他对象的点对齐。
10.2.7 三维移动
类似二维的平移命令,三维移动的操作也是先指定基点,然后再指定目标点。在三维视图中,可以显示三维移动小控件,以便将三维对象在指定方向上移动指定的距离。
在AutoCAD 2014中三维移动的方法如下。
●工具栏:“修改”→“三维移动”
按钮。
●菜单栏:“修改”→“三维操作”→“三维移动”。
●命令行:输入3DMOVE。
本节实例操作,先在当前UCS原点绘制一个边长为10的立方体,再操作三维移动。
(1)指定基点
单击“常用”选项卡中“修改”面板的“三维移动”
按钮,根据命令行提示,选择要移动的对象按〈Enter〉键,指定基点为UCS的原点,输入移动目标点(0,0,0)按〈Enter〉键,完成移动如图10-90所示。

图10-90 通过基点的三维移动
(2)三维移动控件
单击“三维移动”
按钮并选择移动对象之后,被选中的对象会显示三维移动控件;或者单击“选择”面板中的“移动小控件”
按钮,再选择需要移动的对象,该对象会显示三维移动控件。单击小控件的任意一轴需要移动的对象,就只能沿着该轴的方向移动,此时可输入数值来控制移动的距离;如果单击小控件的两轴间的平面,则把移动约束到该平面上,同时也可输入坐标值点来控制移动的距离。
10.2.8 三维旋转
三维旋转的操作同样像三维移动一样,可以通过命令激活与使用旋转小控件两种方法来控制旋转。
在AutoCAD 2014中三维旋转的方法如下。
●工具栏:“修改”→“三维旋转”
按钮。
●菜单栏:“修改”→“三维操作”→“三维旋转”。
●命令行:输入3DROTATE。
本节实例操作,先在当前UCS原点绘制一个长宽高分别为15、10和5的长方体,再操作三维旋转。
(1)指定基点
单击“常用”选项卡中“修改”面板的“三维移动”
按钮,根据命令行提示选择要旋转的对象按〈Enter〉键,指定基点为底面最下方的顶点,三维旋转的控件会移动到该基点,选择Y轴为旋转轴,单击绿色的圆环,输入选择的角度“90”按〈Enter〉键,完成旋转如图10-91所示。

图10-91 通过基点的三维选择
(2)三维旋转控件
单击“三维旋转”
按钮并选择移动对象之后,被选中的对象会显示三维旋转控件;或者单击“选择”面板中的“旋转小控件”
按钮,再选择需要旋转的对象,该对象则会显示三维旋转控件;可以单击控件中心的操作点,把旋转控件移动到所需要的基点,然后后续的选择操作与上述的相同。
10.3 实例·知识点——法兰轴的剖切与渲染
在三维视图中,为了清楚地表达机械零件的内部结构,往往会用到剖切面来表示,同时AutoCAD 2014三维表达中有渲染的操作,可以让三维模型更接近实际的情况。本例法兰轴是机械行业中常用的零件,结构比较简单,重点放在三维实体的消隐、剖切、渲染和贴图等操作的介绍,零件三维图如图10-92所示。

图10-92 法兰轴三维外形图
【思路分析】
首先运用前面提及的知识点绘制法兰轴的实体(见图10-93),然后,剖切实体并移动其中一部分(见图10-94)、消隐(见图10-95),最后添加材质并渲染(见图10-96)。

图10-93 创建实体

图10-94 剖切并移动

图10-95 消隐

图10-96 添加材质并渲染
【光盘文件】
——参见附带光盘中的“END\Ch10\10-3.dwg”文件。
——参见附带光盘中的“AVI\Ch10\10-3.avi”文件。
【操作步骤】
1)运行AutoCAD2014,然后新建一个空白文件。
2)在当前俯视视图内创建二维图形,单击“正交”
按钮,进入正交模式。单击“直线”
按钮,绘制出图10-97所示的二维图形,不必标注尺寸。

图10-97 绘制二维图形
3)创建面域。单击“绘图”工具栏“面域”
按钮,选择上一步绘制的二维形创建为面域。
4)单击绘图区域左上角的“视图控件菜单栏,并在弹出的菜单栏中选择“西南轴”选项,将视图调整为西南等轴视图,图10-98所示。

图10-98 设置视图控件
5)旋转法兰轴基本形状。单击“建模”工具栏中“旋转”
按钮,选择上一步创建的法兰轴器旋转截面面域为旋转对象,指定整体实体边长90的边为旋转轴,旋转角度输入“360”按〈Enter〉键,完成旋转,如图10-99所示。

图10-99 旋转基本图形
6)重复步骤5)操作,将视图重新设置到俯视视图,如图10-100所示。

图10-100 设置视图控件
7)在俯视视图内创建二维图形,单击“正交”
按钮,进入正交模式。单击“直线”
按钮,绘制出图10-101所示的粗实线围成二维图形,不必标注尺寸。绘制固定孔圆如图10-101所示。

图10-101 绘制二维图形
8)重复步骤3)操作,将上一步绘制的二维图形创建成面域。
9)重复步骤3)操作,将视图重新设置到西南等轴测视图。
10)旋转阶梯孔形状。单击“建模”工具栏中“旋转”
按钮,选择上一步创建的阶梯孔旋转截面面域为旋转对象,指定整体实体边长90的边为旋转轴,旋转角度输入“360”按〈Enter〉键,完成旋转,如图10-102所示。

图10-102 旋转阶梯孔形状
11)差集生成阶梯孔。单击“实体编辑”面板中的“差集”
按钮,根据命令行提示选择法兰轴旋转体为被减去的实体按〈Enter〉键。选择上一步阶梯孔旋转体为减去的实体按〈Enter〉键,完成差集运算生成阶梯孔,如图10-103所示。

图10-103 差集生成阶梯孔
12)重复步骤5)操作,将视图设置到右视视图,如图10-104所示。

图10-104 右视视图
13)绘制螺栓孔拉伸截面。打开“对象捕捉”的圆心捕捉功能,在图10-104中绘制直径为10的圆,其中圆心与源图的圆心距离为45,如图10-105所示,不必标注尺寸。

图10-105 绘制螺栓孔拉伸截面
14)创建面域。单击“绘图”工具栏中“面域”
按钮,选择上一步绘制的圆形创建为面域。
15)重复步骤4)操作,将视图设置到西南等轴测视图,单击“建模”工具栏中“拉伸”
按钮,按命令行提示选择圆面域为拉伸对象按〈Enter〉键,光标往法兰轴的轴向移动,当前命令行输入“30”按〈Enter〉键,完成拉伸操作,如图10-106所示。

图10-106 拉伸面域
16)命令行输入3DARRAY激活三维阵列操作,根据命令行提示,选择上一步绘制的圆柱体作为阵列的对象按〈Enter〉键。弹出的阵列类型列表中选择“环形”,指定项目数量为4按〈Enter〉键,指定要填充的角度为360按〈Enter〉键,在旋转阵列对象选项选择“是”,指定半联轴器中轴的两点来定义旋转中轴,完成阵列如图10-107所示。

图10-107 阵列圆柱体
17)布尔运算差集。单击“实体编辑”面板中的“差集”
按钮,根据命令行提示,选择法兰轴主体实体为被减去的实体按〈Enter〉键。选择上一步阵列的四个圆柱体为减去的实体按〈Enter〉键,完成差集运算,如图10-108所示。

图10-108 差集创建螺栓孔
18)剖切法兰轴。单击“实体编辑”面板中的“剖切”
按钮,根据命令行提示,选择整个实体为剖切对象按〈Enter〉键,指定底端面圆心为切面起点,法兰盘底端面圆心为第二个点,按〈Enter〉键保留两个剖切实体。

图10-109 剖切实体
19)移动剖切体。单击“常用”选项卡中“修改”面板的“三维移动”
按钮,根据命令行提示,选择右边的剖切实体为移动对象按〈Enter〉键,单击红色箭头,光标往箭头方向移动,输入距离为“90”确定,完成移动如图10-110所示。

图10-110 移动剖切体
20)单击“视图”选项卡“视觉样式”面板的“隐藏”
按钮,效果如图10-111所示。

图10-111 隐藏不可见线条
21)单击“视图”选项卡“视觉样式”面板的下拉列表,选择“真实”的视觉样式,如图10-112所示。

图10-112 使用“真实”视觉样式
22)单击“渲染”选项卡“材质”面板中的“材质浏览器”
,弹出“材料浏览器”选项板,如图10-113所示。

图10-113 “材料浏览器”选项板
23)单击“Autodesk库”标签下拉按钮,选择“金属”→“钢”,光标移动到“机械加工02”选项,单击“添加”
按钮,在文档材质中显示板材料,如图10-114所示。
24)在图形区域中单击两个剖切法兰轴,然后在“材料浏览器”选项板“文档材质”工具盒的列表框中单击“机械加工02”缩略图,即可以将“机械加工02”材质赋予法兰轴,赋予材质后显示效果如图10-115所示。最后关闭“材质浏览器”选项板。

图10-114 选择材质

图10-115 赋予材质
25)使用鼠标快速调整模型在绘图区域的显示大小,单击“渲染”选项卡“渲染”面板的“渲染”
按钮,系统弹出一个渲染窗口,渲染结果如图10-116所示。

图10-116 渲染结果
10.3.1 剖切

图10-117 绘制实体
通过剖切或分割现有对象,创建新的三维实体和曲面。
在AutoCAD 2014中剖切实体的方法如下。
●T具栏:“实体编辑”一“剖切”
。
●菜单栏:“修改”→“三维操作”→“剖切”。
●命令行:输入SLICE。
执行上述指令后,根据命令行提示,有不同确定剖切方式。首先,在(0,0,0)为圆心绘制一个外径为40,内径为20的圆环面域,在通过拉伸把面域拉伸为高度30的空心圆柱,如图10-117所示。各个剖切的选项,以该实体为操作实例说明。
●指定剖切平面的起点——设置用于定义剖切平面方向的两个点中的第一点。使用该
选项时,剖切平面始终与当前UCS的XY平面垂直。
单击“剖切”
按钮,根据命令行提示选择空心圆柱为剖切对象按〈Enter〉键,选择实体的左上方的象限点为切面起点,而沿Y轴的外圆象限点为第二个点;然后选择需要留下的实体上任意点,选择后剖切操作完成,如图10-118所示。

图10-118 指定剖切平面起点剖切
●XY\YZ\ZX——将剪切平面与当前UCS的XY\YZ\ZX平面对齐,指定一个点以定义剪切平面的位置。
单击“剖切”
按钮,根据命令行提示选择空心圆柱为剖切对象按〈Enter〉键,当前命令行输入“ZX”按〈Enter〉键,选择原点(0,0,0)为切面上的点,然后选择需要留下的实体上任意点,选择后剖切操作完成,如图10-119所示。

图10-119 对齐ZX平面剖切
●三点——用三点定义剪切平面。
单击“剖切”
按钮,根据命令行提示选择空心圆柱为剖切对象按〈Enter〉键,当前命令行输入“3”按〈Enter〉键,选择图10-120中的三个象限点来定义剖切平面,然后选择需要留下的实体上任意点,选择后剖切操作完成,如图10-120所示。

图10-120 指定三点剖切
●平面对象——将剪切平面与包含以下选定对象的平面对齐:圆、椭圆、圆弧、椭圆弧、二维样条曲线、二维多段线或平面三维多段线。
●曲面——将剪切平面与选定的曲面对齐。
●Z轴——通过平面上指定一点和在平面的Z轴(法向)上指定另一点来定义剪切平面。
●视图——将剪切平面与当前视口的视图平面平行对齐。指定一点定义剪切平面的位置。
10.3.2 剖切截面
使用平面与三维实体、曲面或网格的交点创建二维面域对象。
在AutoCAD 2014中生成剖切平面的方法如下。
●工具栏:“常用”→“截面平面”
按钮。
●命令行:输入SECTION。
生成剖切平面与剖切操作指定剖切平面的方法相同,生成剖切截面后会生成一个独立的面域,可以对面域进行编辑。
●三点——使用三点定义截面平面。
命令行输入SECTION,根据命令行提示选择空心圆柱为按〈Enter〉键,系统默认三点方式定义截面平面,选择图10-121中的三个象限点来定义截面平面,选择后生成剖切截面操作完成,如图10-121所示。

图10-121 三点定义截面平面
●XY\YZ\ZX——将剪切平面与当前UCS的XY\YZ\ZX平面对齐。
命令行输入SECTION,根据命令行提示选择空心圆柱为按〈Enter〉键,当前命令行输入“ZX”按〈Enter〉键,选择原点(0,0,0)为截面上的点,然后选择需要留下的实体上任意点,选择后生成剖切截面操作完成,如图10-122所示。

图10-122 对齐ZX平面生成剖切截面
●对象——将截面平面与圆、椭圆、圆弧、椭圆弧、二维样条曲线或二维多段线对齐。
●Z轴——通过在截面平面上指定一点并在平面的Z轴(即法向)上指定另一点来定义截面平面。
●视图——将截面平面与当前视图的视图平面对齐。
10.3.3 截面平面
以通过三维对象创建剪切平面的方式创建截面对象,使用带有截面平面对象的活动截面分析模型,并将截面另存为块,以便在布局中使用。
●工具栏:“截面”→“截面平面”
按钮。
●命令行:SECTIONPLANE。
●用来定位截面线的面或任意点——指定用于建立截面对象所在平面的面。
单击“截面平面”
按钮,选择实体上的两个在YZ平面上的象限点,定义截面平面,如图10-123所示。

图10-123定位截面平面
●绘制截面——定义具有多个点的截面对象以创建带有折弯的截面线。
单击“截面平面”
按钮,命令行输入D按〈Enter〉键,按图10-124顺序,选定圆柱上表面的三个点按〈Enter〉键,完成两个截面平面的绘制,如图10-124所示。

图10-124 绘制截面平面
●正交——将截面对象与相对于UCS的正交方向对齐。
10.3.4 消隐
当用户查看三维线框模型时,所有直线均会显示,包括被其他对象隐藏的直线。重生成不显示隐藏线的三维线框模型。可以隐藏其他的对象包括圆、实体、文字、面域、宽多段线线段、三维对象以及厚度非零的对象拉伸边。拉伸的圆、实体和宽多段线线段将被视为具有顶面和底面的实体对象。
在AutoCAD 2014中消隐的方法如下。
●工具栏:“视图”选项卡→“视觉样式”面板→“隐藏”
按钮。
●菜单栏:“视图”→“消隐”。
●命令行:输入HIDE。
执行操作后,系统将被其他对象当中的图线隐藏起来,以增强三维视觉效果,如图10-125所示隐藏效果。

图10-125 隐藏效果
10.3.5 材质
使用材质来为三维模型提供真实外观,使产品更加逼真。Autodesk提供了一个预定义的材质库,如陶瓷、混凝土、石材和木材。使用“材质浏览器”可以浏览材质,并将它们应用于图形中的三维对象。AutoCAD 2014为用户提供700多种材质和1000多种纹理的Autodesk库随产品。同时也可以将Autodesk材质复制到图形中,然后对其进行编辑并保存到自定义的库中。可以使用材质浏览器导航和管理Autodesk材质和用户定义的材质。
在AutoCAD 2014中设置材质的方法如下。
●工具栏:“渲染”选项卡→“材质”面板→“材质浏览器”
按钮。
●菜单栏:“视图”→“渲染”→“材质浏览器”。
●命令行:输入MATERIALS。
单击“材质浏览器”
按钮,弹出“材质浏览器”窗口,单击“Autodesk库”标签下拉按钮,选择“金属”→光标移动到板材料选项,单击“添加”按钮
,在文档材质中显示板材料。选择需要修改材质的实体,在文档材质中右击板材料,选择“指定给当前选择”,如图10-126所示。

图10-126 修改材质
10.3.6 贴图
贴图是指调整将纹理贴图到面或对象的方式。通过更改对齐或贴图来调整纹理环绕不同形状的方式,可以指定与使用纹理的形状相似的贴图形状,然后使用纹理贴图小控件来手动调整对齐。
在AutoCAD 2014中贴图的方法如下。
●工具栏:“渲染”一“材质”一“材质贴图”。
●菜单栏:“视图”→“渲染”→“贴图”→“平面\长方体\柱面\球面贴图”。
●命令行:输入MATERIALMAP。
对于已经添加材质的实体,可以修改材质贴图的显示。单击“材质贴图”下拉按钮,选择“长方体贴图”,然后选择需要贴图的实体按〈Enter〉键,弹出显示“移动”小控件以移动贴图,按照需要修改贴图框的大小与位置,在当前命令行输入R,弹出显示“旋转”小控件以旋转贴图,同样按需要修改,完成修改如图10-127所示。如果有需要,还可以输入W,更改贴图模式,相反,如图调整不合适可以输入T,重新调整整个贴图。

图10-127 贴图
●平面贴图——将纹理与单个平面对齐而无环绕。
以类似图像投影到二维曲面上的方式贴图图像。图像不会因投影方向而失真,但如果投影到曲线式曲面上并从侧面查看,则会失真。图像不会根据对象进行缩放,该贴图最常用于平面,如图10-128所示。
●长方体贴图——用于环绕正方形的盒状形状。
将图像贴图到类似长方体的形状上,该图像将在对象的每个面上重复使用,如图10-129所示。

图10-128 平面贴图

图10-129 长方体贴图
●球面贴图——将纹理与球体形状对齐。
将图像贴图到球面对象上,贴图的顶边在球体的“北极”压缩为一个点,同样,底边在“南极”压缩为一个点,如图10-130所示。
●柱面贴图——将纹理与圆柱体形状对齐。
将图像贴图到柱面对象上,水平边将一起弯曲,但顶边和底边不会弯曲。图像的高度将沿圆柱体的轴进行缩放,如图10-131所示。

图10-130 球面贴图

图10-131 柱面贴图
10.3.7 渲染
使用渲染功能可以为用户创建三维实体或曲面模型的真实照片级图像或真实着色图像,获得与实际肉眼观察相似的图像结果。用户可以通过渲染,为三维图形对象加上颜色和材质因素,还可以加上灯光、背景、场景等因素,以便能够更真实地表达图形的外观和纹理。渲染是输出图形前的关键步骤,尤其是在效果图设计中。
在AutoCAD 2014中渲染的执行方法的方法如下。
●工具栏:“渲染”→“渲染”
按钮。
●菜单栏:“视图”→“渲染”→“渲染”。
●命令行:输入RENDER。
执行上述命令后弹出如图10-132所示的“XX-渲染”对话框,显示渲染结果和相关参数。
设置渲染选项,需要进入高级渲染设置,执行方式如下。
●工具栏:“渲染”→“高级渲染设置”
按钮。
●菜单栏:“视图”→“渲染”→“高级渲染设置”。
●命令行:输入RPREF。
“高级渲染设置”选项板包含渲染器使用的所有主要控件,如图10-133所示。用户可以从预定义的渲染设置中选择,也可以指定自定义设置。

图10-132 “XX-渲染”对话框

图10-133 “高级渲染设置”选项板
10.4 要点·应用
10.4.1 应用1——轴
轴在机械传动中应用极广,在第7章已经介绍过二维零件图的绘制,下面来绘制其三维实体图,其二维零件图如图10-134所示。

图10-134 轴零件图
【思路分析】
不考虑键槽,这类直轴是旋转对称的形状。因此,可先在二维平面绘制旋转截面(见图10-135),通过旋转绘制基本实体(见图10-136);然后通过倒角命令直接绘制倒角(见图10-137),最后通过布尔运算来生成键槽,最后为轴旋转一定角度(见图10-138)。

图10-135 旋转截面图

图10-136 旋转生成基本实体

图10-137 生成倒角与键槽

图10-138 旋转实体并改变视觉样式
【光盘文件】
——参见附带光盘中的“END\Ch10\10-4-1.dwg”文件。
——参见附带光盘中的“AVI\Ch10\10-4-1.avi”文件。
【操作步骤】
1)运行AutoCAD 2014,然后新建一个空白文件。
2)在当前俯视视图内创建二维图形,单击“正交”
按钮,进入正交模式。单击“直线”
按钮,绘制出图10-135所示的二维图形,其中绘制过程使A点为与坐标原点(0,0),不必标注尺寸。
3)创建面域。单击“绘图”工具栏中“面域”
按钮,选择上一步绘制的二维图形创建为面域。
4)继续在当前俯视视图绘制两个键槽的底面形状,在任意位置绘制,只要不与上面绘制的图形干涉即可,尺寸如图10-139所示,不必标注尺寸。

图10-139 绘制键槽底面
5)创建面域。单击“绘图”工具栏中“面域”
按钮,选择上一步绘制的两个键槽底面,系统将创建为两个面域。
6)旋转生成轴的基本形状。单击“建模”工具栏中“旋转”
按钮,选择上一步创建的轴的旋转截面面域为旋转对象,指定整体实体边长165的边为旋转轴,旋转角度输入“360”按〈Enter〉键,完成旋转,如图10-140所示。

图10-140 绘制螺纹线
7)单击绘图区域左上角的“视图控件”菜单栏,并在弹出的菜单栏中选择“西南等轴测”选项,将视图调整为西南等轴测视图,如图10-141所示。

图10-141 设置视图控件
8)单击功能区“实体”选项卡的“实体编辑”面板中单击“倒角边”
按钮,根据命令行提示选择边为倒角边按〈Enter〉键,当前命令行输入D按〈Enter〉键,输入倒角距离“2”按〈Enter〉键,最后输入“2”按〈Enter〉键,再按一次〈Enter〉键退出编辑,完成绘制,如图10-142所示。

图10-142 三维倒角
9)三维倒角。重复步骤6)操作,在图10-143中的边1和2,创建距离为2×2的倒角。

图10-143 创建另外两个三维倒角
10)拉伸键槽底面。单击“建模”工具栏中“拉伸”
按钮,按命令行提示同时选择两个键槽底面为拉伸对象按〈Enter〉键,移动光标往Z轴正向,当前命令行输入“8”按〈Enter〉键,完成拉伸操作,如图10-144所示。

图10-144 拉伸实体
11)由于在绘制平面图形的时候,以原点为起点,所以三维坐标原点在前端面的圆心处,因此可以根据坐标系来确定键槽的位置。按下〈F12〉键,关闭“动态输入”。单击在功能区“常用”选项卡的“修改”面板中的“对齐”
按钮,根据命令行提示,旋转键槽形状的拉伸体按〈Enter〉键,命令行提示“指定第一个源点:”时,单击键槽靠近左边圆弧圆心。命令行提示“指定第一个目标点:”时,输入“47,0,15”按〈Enter〉键,再按一次〈Enter〉键,完成对齐。重复上述对齐操作,源点为键槽靠近右边的圆心,目标点为“123,0,10”,对齐结果如图10-145所示。
12)布尔运算差集。单击“实体编辑”面板中的“差集”
按钮,根据命令行提示,选择轴的主体为被减去的实体按〈Enter〉键。选择上一步对齐后的键槽为减去的实体按〈Enter〉键,完成差集运算,如图10-146所示。

图10-146 差集生成键槽
13)单击“常用”选项卡中“修改”面板的“三维旋转”
按钮,根据命令行提示,选择轴为旋转的对象按〈Enter〉键,指定基点为坐标原点,三维旋转的控件会移动到该基点,选择Y轴为旋转轴,单击绿色的圆环,输入选择的角度“90”按〈Enter〉键,完成旋转如图10-147所示。

图10-147 旋转轴
14)在菜单栏中选择“视图”→“视觉样式”→“概念”命令,得到的模型效果如图10-148所示。

图10-148 概念视图样式
15)保存文件。
10.4.2 应用2——连杆
连杆广泛用到发动机的传动中,本例介绍一般连杆的绘制。连杆二维零件图,如图10-149所示。

图10-149 连杆零件图
【思路分析】
在同一平面绘制两个圆孔(见图10-150),先通过拉伸绘制两个圆孔的连接部分,三维移动小圆孔与连接部分(见图10-151),然后通过差集运算生成连接部分的除去的部分(见图10-152);最后生成倒角(见图10-153),完成绘制。

图10-150 绘制两个圆孔

图10-151 拉伸生成连接部分的基本形状

图10-152 差集绘制连接部分

图10-153 生成倒角
【光盘文件】
——参见附带光盘中的“END\Ch10\10-4-2.dwg”文件。
——参见附带光盘中的“AVI\Ch10\10-4-2.avi”文件。
【操作步骤】
1)运行AutoCAD2014,然后新建一个空白文件。
2)单击绘图区域左上角的“视图控件”菜单栏,并在弹出的菜单栏中选择“西南等轴测”选项,将视图调整为西南等轴测视图,如图10-154所示。

图10-154 设置视图控件
3)单击“建模”工具栏中“圆柱体”
按钮,按命令行提示指定圆心时,输入“0,0”按〈Enter〉键,输入圆柱底面半径“25”按〈Enter〉键,最后提示指定高度时输入“35”按〈Enter〉键,完成圆柱体的绘制如图10-155所示。

图10-155 绘制大孔外圆柱
4)单击“建模”工具栏中“圆柱体”
按钮,按命令行提示指定圆心时,输入“80,0”按〈Enter〉键,输入圆柱底面半径“16”按〈Enter〉键,最后提示指定高度时输入“25”按〈Enter〉键,完成圆柱体的绘制如图10-156所示。

图10-156 绘制小孔外圆柱
5)单击“建模”工具栏中“圆柱体”
按钮,按命令行提示指定圆心时,输入“0,0”按〈Enter〉键,输入圆柱底面半径“15”按〈Enter〉键,最后提示指定高度时输入“35”按〈Enter〉键,完成圆柱体的绘制如图10-157所示。

图10-157 绘制大圆孔圆柱
6)单击“建模”工具栏中“圆柱体”
按钮,按命令行提示指定圆心时,输入“80,0”按〈Enter〉键,输入圆柱底面半径“8”按〈Enter〉键,最后提示指定高度时输入“25”按〈Enter〉键,完成圆柱体的绘制如图10-158所示。

图10-158 绘制小圆孔圆柱
7)单击“实体编辑”面板中的“差集”
按钮,根据命令行提示,选择大圆孔的外圆柱为被减去的实体按〈Enter〉键。选择大圆孔圆柱为减去的实体按〈Enter〉键,完成差集运算,如图10-159所示。

图10-159 差集生成大圆孔
8)单击“实体编辑”面板中的“差集”
按钮,根据命令行提示,选择小圆孔的外圆柱为被减去的实体按〈Enter〉键。选择小圆孔圆柱为减去的实体按〈Enter〉键,完成差集运算,如图10-160所示。

图10-160 差集生成小圆孔
9)单击绘图区域左上角的“视图控件”菜单栏,并在弹出的菜单栏中选择“俯视”选项,将视图调整为俯视图,如图10-161所示。

图10-161 设置视图控件
10)打开对象捕捉的“切点捕捉”,单击“直线”
按钮,在弹出“指定第一点”时,将光标移动到大圆孔外圆附近,当出现切点时选定点,第二点选择小圆孔外圆切点。重复操作绘制另一条切线,如图10-162所示。

图10-162 绘制切线
11)绘制圆弧。单击“圆弧”
按钮,当前命令行输入C按〈Enter〉键,首先指定圆弧圆心,单击大圆孔圆心,然后分别以切线与圆的交点为圆弧的起点和终点。重复操作绘制小圆孔上的圆弧,如图10-163所示,图中的粗实线只是为了标识,读者绘制过程中不需要使用。

图10-163 绘制圆弧
12)单击“修改”面板的“偏移”
按钮,输入偏移距离为“5”按〈Enter〉键,分别指定两条切线和两端圆弧向里偏移,如图10-164所示。

图10-164 偏移图元
13)单击“修改”面板的“偏移”
按钮,将偏移后的图形修剪为图10-165所示。

图10-165 修剪图形
14)创建面域,将连杆连接部分围成的两个环,创建为两个面域。
15)单击绘图区域左上角的“视图控件”菜单栏,并在弹出的菜单栏中选择“西南等轴测”选项,将视图调整为西南等轴测视图,完成移动如图10-166所示。

图10-166 设置视图控件
16)单击“常用”选项卡中“修改”面板的“三维移动”按钮
,根据命令行提示,选择小圆孔实体为移动对象按〈Enter〉键,选择蓝色箭头反映定Z轴方向的移动,光标往正向移动,命令行输入“5”按〈Enter〉键,完成移动如图10-167所示。

图10-167 三维移动小圆孔
17)单击“建模”工具栏中“拉伸”
按钮,按命令行提示选择中间连接部分的外面域为拉伸对象按〈Enter〉键,光标往Z轴负方向移动,当前命令行输入“19”按〈Enter〉键,完成拉伸操作,如图10-168所示。

图10-168 拉伸对象
18)单击“常用”选项卡中“修改”面板的“三维移动”
按钮,根据命令行提示,选择上一步的拉伸实体为移动对象按〈Enter〉键,选择蓝色箭头指定Z轴方向的移动,光标往正向移动,命令行输入“27”按〈Enter〉键,完成移动如图10-169所示。

图10-169 三维移动
19)单击“建模”工具栏中“拉伸”
按钮,按命令行提示选择中间连接部分的里面域为拉伸对象按〈Enter〉键,光标往Z轴正方向移动,当前命令行输入“13”按〈Enter〉键,完成拉伸操作,如图10-170所示。

图10-170 拉伸对象
20)命令行输入UCS,光标与坐标系合并,光标往Z轴方向移动,当前命令行输入“17.5”按〈Enter〉键,再按一次〈Enter〉键,完成新UCS创建,如图10-171所示。

图10-171 新UCS
21)单击“修改”面板的“三维镜像”
按钮,选择上一步的拉伸实体为镜像对象按〈Enter〉键。命令行输入XY按〈Enter〉键,输入点“0,0”回车,指定镜像面为XOY平面。弹出是否删除源对象选项,选择“否”,完成三维镜像如图10-172所示。

图10-172 三维镜像
22)单击“实体编辑”面板中的“差集”
按钮,根据命令行提示,选择小圆孔的外圆柱为被减去的实体按〈Enter〉键。选择小圆孔圆柱为减去的实体按〈Enter〉键,完成差集运算,如图10-173所示。

图10-173 差集运算
23)生成倒角。单击功能区“实体”选项卡的“实体编辑”面板中单击“倒角边”
按钮,根据命令行提示选择大圆孔和小圆孔的四条内角边为倒角边回车,当前命令行输入D按〈Enter〉键,输入倒角距离“2”按〈Enter〉键,最后输入“2”按〈Enter〉键,再按一次〈Enter〉键退出编辑,完成绘制,如图10-174所示。

图10-174 生成倒角
24)在菜单栏中选择“视图”→“视觉样式”→“概念”命令,得到的模型效果如图10-175所示。

图10-175 概念视图样式
10.5 能力·提高
10.5.1 案例1——定位支座
支座类的零件没有明显旋转对称或者拉伸对称,但是可通过切换平面来绘制拉伸面来达到绘制的目的。本例为定位支座,在绘制的过程中需要多次切换视图以及变更UCS,消隐后的实体图如图10-176所示。
【思路分析】
首先,在前视图中绘制需要拉伸的底座截面(见图10-177),然后回到西南等轴测视图,添加圆角与螺栓孔(见图10-178);再绘制中间的大孔(见图10-179),最后为大孔开槽(见图10-180)。

图10-176 定位支座

图10-177 拉伸支座底板

图10-178 绘制圆角与螺栓孔

图10-179 绘制中心大孔

图10-180 开槽
【光盘文件】
——参见附带光盘中的“END\Ch10\10-5-1.dwg”文件。
——参见附带光盘中的“AVI\Ch10\10-5-1.avi”文件。
【操作步骤】
1)运行AutoCAD2014,然后新建一个空白文件,接着单击绘图区域左上角的“视图控件”菜单栏,并在弹出的菜单栏中选择“前视”选项,将视图调整为前视图,如图10-181所示。

图10-181 设置视图控件
2)使用“直线”和“圆弧”命令绘制轮廓线,并使用“修剪”命令修剪多余的线段,不必标注尺寸,并把当前UCS原点与圆弧圆心重合,如图10-182所示。

图10-182 绘制二维图形
3)创建面域。单击“绘图”工具栏中“面域”
按钮,选择上一步绘制的二维图形创建为面域。
4)单击绘图区域左上角的“视图控件”菜单栏,并在弹出的菜单栏中选择“西南等轴测”选项,将视图调整为西南等轴测视图,如图10-183所示。

图10-183 设置视图控件
5)单击“建模”工具栏中“拉伸”
按钮,按命令行提示选择步骤3)创建的面域为拉伸对象按〈Enter〉键,移动光标往Z轴正向,当前命令行输入“95”按〈Enter〉键,完成拉伸操作,如图10-184所示。

图10-184 拉伸面域
6)单击功能区“实体”选项卡的“实体编辑”面板中单击“圆角边”
按钮,在当前命令行输入R按〈Enter〉键,输入圆角半径“15”按〈Enter〉键,选择四条棱边按〈Enter〉键,再按一次〈Enter〉键完成绘制,如图10-185所示。

图10-185 三维圆角
7)新UCS创建。命令行输入UCS按〈Enter〉键,再输入X按〈Enter〉键,命令提示输入旋转角度“270”按〈Enter〉键完成创建,如图10-186所示。

图10-186 新UCS
8)单击“建模”工具栏中“圆柱体”
按钮,按命令行提示指定圆心时,光标往支座底板的圆角移动,当出现圆心标记时单击,输入圆柱底面半径“7.5”按〈Enter〉键,最后提示指定高度时,光标往Z轴负方向移动,输入“12”按〈Enter〉键,完成圆柱体的绘制如图10-187所示。

图10-187 绘制圆柱体
9)命令行输入3DARRAY激活三维阵列操作,根据命令行提示,选择上一步绘制的圆柱体作为阵列的对象按〈Enter〉键。弹出的阵列类型列表中选择“矩形”,输入行数为“2”按〈Enter〉键,输入列数为“2”按〈Enter〉键,输入层数为“1”按〈Enter〉键,输入指定行间距“-65”按〈Enter〉键,输入指定行间距“90”按〈Enter〉键,完成阵列如图10-188所示。

图10-188 矩形阵列圆柱体
10)单击“实体编辑”面板中的“差集”
按钮,根据命令行提示选择支座底板实体为被减去的实体按〈Enter〉键。选择上一步阵列的四个圆柱体为减去的实体按〈Enter〉键,完成差集运算,如图10-189所示。

图10-189 差集运算
11)单击“建模”工具栏中“圆柱体”
按钮,按命令行提示指定圆心时,输入“0,-47.5,12”按〈Enter〉键,输入圆柱底面半径“35”按〈Enter〉键,最后提示指定高度时输入“58”按〈Enter〉键,完成圆柱体的绘制如图10-190所示。

图10-190 绘制圆柱体
12)单击“建模”工具栏中“圆柱体”
按钮,按命令行提示指定圆心时,输入“0,-47.5,12”按〈Enter〉键,输入圆柱底面半径“20”按〈Enter〉键,最后提示指定高度时输入“58”按〈Enter〉键,完成圆柱体的绘制如图10-191所示。

图10-191 绘制圆柱体
13)新UCS创建。命令行输入UCS按〈Enter〉键,再输入X按〈Enter〉键,命令提示输入旋转角度“90”按〈Enter〉键完成创建。
14)单击“建模”工具栏中“圆柱体”
按钮,按命令行提示指定圆心时,输入“0,0,0”按〈Enter〉键,输入圆柱底面半径“15”按〈Enter〉键,最后提示指定高度时输入“95”按〈Enter〉键,完成圆柱体的绘制如图10-192所示。

图10-192 绘制圆柱体
15)单击“实体编辑”面板中的“差集”
按钮,根据命令行提示,选择半径为30、高度为58的圆柱体为被减去的实体按〈Enter〉键。选择半径为20、高度为58的圆柱体和半径为15、高度为95的圆柱体为减去的实体按〈Enter〉键,完成差集运算,如图10-193所示。

图10-193 差集运算
16)单击“实体编辑”面板中的“并集”
按钮,根据命令行提示选择所有实体按〈Enter〉键,完成并集运算,如图10-194所示。

图10-194 并集运算
17)单击绘图区域左上角的“视图控件”菜单栏,并在弹出的菜单栏中选择“前视”选项,将视图调整为前视图,调整后图像如图10-195所示。

图10-195 前视图
18)使用“直线”命令,在前视图中绘制一个矩形,图形的大小位置如图10-196所示,不必标注尺寸。

图10-196 绘制二维图形
19)创建面域。单击“绘图”工具栏中“面域”
按钮,选择上一步绘制的二维图形创建为面域。
20)将视图切换回“西南等轴测”视图,单击“建模”工具栏中“拉伸”
按钮,按命令行提示选择步骤3)创建的面域为拉伸对象按〈Enter〉键,移动光标往Z轴正向,当前命令行输入“95”按〈Enter〉键,完成拉伸操作,如图10-197所示。

图10-197 拉伸图形
21)单击“实体编辑”面板中的“差集”
按钮,根据命令行提示,选择定位支座为被减去的实体按〈Enter〉键。选择上一步拉伸的长方体为减去的实体按〈Enter〉键,完成差集运算,如图10-198所示。

图10-198 差集运算
22)在菜单栏中选择“视图”→“视觉样式”→“概念”命令,得到的模型效果如图10-199所示。

图10-199 概念视图样式
23)保存文件。
10.5.2 案例2——泵盖
齿轮泵是比较常用的液压泵,下面以齿轮泵的前泵盖为例,综合运用三维绘图方法来生成实体模型,外形图如图10-200所示。

图10-200 装配图
【思路分析】
观察图形,其总体外形可以通过俯视图截面拉伸得到,首先对俯视图三个截面进行不同高度的拉伸,形成基本的底部、凸台和长孔(见图10-201);然后通过阵列和镜像的方法,绘制螺栓孔的轮廓,并使用差集运算生成(见图10-202);再为凸台和长孔生成直孔(见图10-203);最后为对应的边加上圆角和倒角(见图10-204)。

图10-201 拉伸出基本实体

图10-202 生成螺栓孔

图10-203 生成轴孔

图10-204 生成圆角和倒角
【光盘文件】
——参见附带光盘中的“END\Ch10\10-5-2.dwg”文件。
——参见附带光盘中的“AVI\Ch10\10-5-2.avi”文件。
【操作步骤】
1)运行AutoCAD 2014,然后新建一个空白文件。
2)使用“直线”和“圆弧”命令,绘制轮廓线,并使用“修剪”命令,修剪多余的线段,不必标注尺寸,并把当前UCS原点与圆弧圆心重合,如图10-205所示。

图10-205 绘制二维图形
3)单击“绘图”工具栏中“圆”
按钮,指定上图中右边的半圆弧圆心为圆心,半径为16,如图10-206所示。

图10-206 绘制圆
4)创建面域。单击“绘图”工具栏中“面域”
按钮,选择上一步绘制所有图形,系统自动创建三个面域。
5)单击绘图区域左上角的“视图控件”菜单栏,并在弹出的菜单栏中选择“西南等轴测”选项,将视图调整为西南等轴测视图,如图10-207所示。

图10-207 设置视图控件
6)单击“建模”工具栏中“拉伸”
按钮,按命令行提示选择大的跑道型面域为拉伸对象按〈Enter〉键,移动光标往Z轴正向,当前命令行输入“12”按〈Enter〉键,完成拉伸操作,如图10-208所示。

图10-208 拉伸底板
7)单击“建模”工具栏中“拉伸”
按钮,按命令行提示选择小的跑道型面域为拉伸对象按〈Enter〉键,移动光标往Z轴正向,当前命令行输入“28”按〈Enter〉键,完成拉伸操作,如图10-209所示。

图10-209 拉伸凸台
8)单击“建模”工具栏中“拉伸”
按钮,按命令行提示选择圆形面域为拉伸对象按〈Enter〉键,移动光标往Z轴正向,当前命令行输入“50”按〈Enter〉键,完成拉伸操作,如图10-210所示。

图10-210 拉伸长孔
9)单击“实体编辑”面板中的“并集”
按钮,根据命令行提示,选择所有实体按〈Enter〉键,完成并集运算,如图10-211所示。

图10-211 并集运算
10)将视图调整为俯视图,绘制一个半径为7和3.5的圆,圆心距离左边半圆弧圆心纵向26的位置,不必标注尺寸,并将这两个圆创建为两个面域,如图10-212所示。

图10-212 绘制圆
11)将视图调整为西南等轴测视图,单击“建模”工具栏中“拉伸”
按钮,按命令行提示选择上一步的半径为7的圆域为拉伸对象按〈Enter〉键,移动光标往Z轴正向,在当前命令行输入“6”按〈Enter〉键,完成拉伸操作。重复拉伸操作,选择上一步的半径为3.5的圆域为拉伸对象按〈Enter〉键,移动光标往Z轴负向,当前命令行输入“6”按〈Enter〉键,如图10-213所示。

图10-213 拉伸阶梯孔
12)单击“实体编辑”面板中的“并集”
按钮,根据命令行提示选择上一步拉伸的两个圆柱体按〈Enter〉键,完成并集运算。
13)单击“常用”选项卡中“修改”面板的“三维移动”
按钮,根据命令行提示,选择上一步并集后的两个圆柱体为移动对象按〈Enter〉键,选择蓝色箭头指定Z轴方向的移动,光标往正向移动,命令行输入“6”按〈Enter〉键,完成移动如图10-214所示。

图10-214 三维移动
14)在命令行输入3DARRAY激活三维阵列操作,根据命令行提示,选择上一步绘制的移动后的实体作为阵列的对象按〈Enter〉键。弹出的阵列类型列表中选择“环形”,指定项目数量为3按〈Enter〉键,指定要填充的角度为-180按〈Enter〉键,在旋转阵列对象选项选择“是”。指定左边大小圆弧的两点圆心来定义旋转中轴,完成阵列如图10-215所示。

图10-215 阵列阶梯圆柱体
15)打开“对象捕捉”功能的中点捕捉,单击“修改”面板的“三维镜像”
按钮,选择上一步的阵列后的三个实体为镜像对象按〈Enter〉键。命令行提示指定三个点时,选择直线1、2、3的三个中点。弹出是否删除源对象选项,选择“否”,完成三维镜像如图10-216所示。

图10-216 三维镜像
16)单击“实体编辑”面板中的“差集”
按钮,根据命令行提示,选择泵盖实体为被减去的实体按〈Enter〉键。选择上一步镜像后的6个阶梯孔实体为减去的实体按〈Enter〉键,完成差集运算,如图10-217所示。

图10-217 差集创建螺栓孔
17)单击“建模”工具栏中“圆柱体”
按钮,按命令行提示指定圆心时,单击左边小圆弧上表面圆心,输入圆柱底面半径“8”按〈Enter〉键,最后提示指定高度时输入“28”按〈Enter〉键,完成圆柱体的绘制如图10-218所示。

图10-218 绘制圆柱体
18)单击“建模”工具栏中“圆柱体”
按钮,按命令行提示指定圆心时,单击右边小圆弧上表面圆心,输入圆柱底面半径“8”按〈Enter〉键,最后提示指定高度时输入“50”按〈Enter〉键,完成圆柱体的绘制如图10-219所示。

图10-219 绘制圆柱体
19)单击“实体编辑”面板中的“差集”
按钮,根据命令行提示,选择泵盖实体为被减去的实体按〈Enter〉键。选择步骤17)和18)拉伸的圆柱为减去的实体按〈Enter〉键,完成差集运算,如图10-220所示。

图10-220 绘制圆柱体
20)单击功能区“实体”选项卡的“实体编辑”面板中单击“圆角边”
按钮,在当前命令行输入R按〈Enter〉键,输入圆角半径“2”按〈Enter〉键,选择边底板的外角边和凸台交接边为圆角边按〈Enter〉键,在按一次〈Enter〉键完成绘制,如图10-221所示。

图10-221 三维圆角
21)三维倒角。单击功能区“实体”选项卡的“实体编辑”面板中单击“倒角边”
按钮,根据命令行提示选择凸台半径为8的大圆孔的两条边为倒角边按〈Enter〉键,当前命令行输入D按〈Enter〉键,输入倒角距离“2”按〈Enter〉键,最后输入“2”按〈Enter〉键,再按一次〈Enter〉键退出编辑,完成绘制。重复操作,对半径为8的另一个圆孔倒角,如图10-222所示。

图10-222 三维倒角
22)在菜单栏中选择“视图”→“视觉样式”→“概念”命令,得到的模型效果如图10-223所示。

图10-223 概念视图样式
23)保存文件。
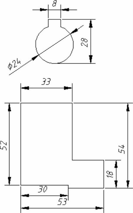
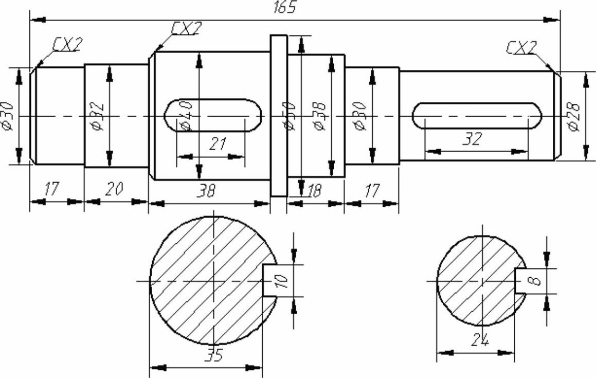
10.6 习题·巩固
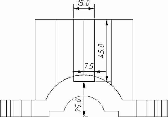
1.根据轴零件图绘制三维实体图,尺寸如图10-224所示。

图10-224 轴零件图
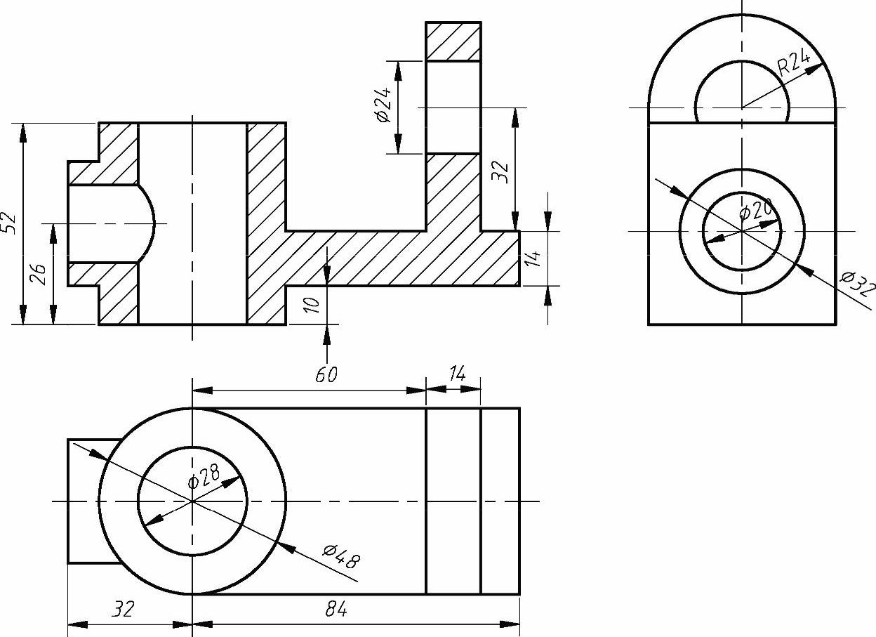
2.根据支座零件图的尺寸,如图10-225所示,绘制其三维实体图。

图10-225 支座零件图
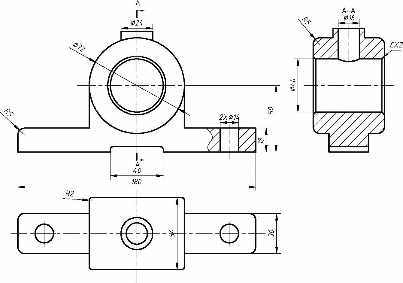
3.根据轴承座零件图的尺寸,如图10-226所示,绘制其三维实体图。

图10-226 轴承座零件图