7.2.1 应用1——绘制从动轴零件图
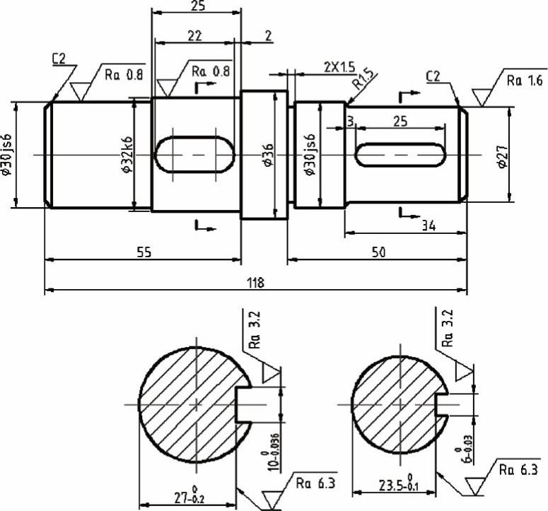
绘制如图7-42所示的从动轴零件图。其中各个部分的详细信息可查看图7-43所示的尺寸标注、图7-44所示的技术要求和其他表面粗糙度的要求以及图7-45所示的标题栏。

图7-42 绘制标题栏

图7-43 尺寸标注

图7-44 技术要求和其余表面粗糙度的要求

图7-45 绘制标题栏
【思路分析】
从动轴主要由直线、圆和圆弧组成,而且从主视图上看,其结构是上下对称的,所以可以先绘制中心线作为基准,然后以中心线为界绘制上半部分,最后利用镜像命令来完成。
【光盘文件】
——参见附带光盘中的“END\Ch7\7-2-1.dwg”文件。
——参见附带光盘中的“AVI\Ch7\7-2-1.avi”文件。
【操作步骤】
1)建立相应的图层(如图7-46所示),文字样式、尺寸标注样式(包括角度标注的子样式和引线和公差标注的子样式)以及表面粗糙度标注块。

图7-46 设置图层
2)绘制一个A4图框。
用户可以用以上方法先设置好图层、文字样式、标注样式和引线样式等,再加上标题栏,制作相应的A0,A1,A2,A3,A4模板,在绘制零件时,根据需要调出相应的模板即可。
3)将当前图层设置为“中心线”,选择直线命令,绘制一段中心线,作为下面绘制的基准,中心线长度为125,如图7-47所示。

图7-47 绘制中心线
4)将当前图层设置为“粗实线”,使用“直线”命令,绘制出轴的左端。因为先绘制轴的上半部分,故其长度为左边第1段阶梯轴的半径,长度为15。使用“偏移”命令将线段向右偏移30,即左边第一段阶梯轴的长度。使用“直线”命令将两段线连接起来,完成左边第1段阶梯轴的绘制,如图7-48所示。

图7-48 绘制第一段轴
使用相同的方法,绘制轴上半部分的其余段的轴,因为每段轴的半径不同,当使用前一段轴的端面线偏移时,要延伸或修剪线段,以符合各段轴的尺寸,见图7-49。

图7-49 绘制轴上半部分
5)使用“镜像”命令将轴上半部分沿中心线对称,绘制出轴下半部分,如图7-50所示。

图7-50 镜像绘制轴下半部分
6)绘制键槽。使用偏移命令将中心线上下偏移5,将第三段轴的左端面线向左偏移2,然后将偏移后的左端面线再向左偏移22,接着使用“相切,相切,相切”的圆命令绘制将槽两端的圆弧,再使用直线命令将两段圆弧连接起来,最后修剪和删除多余线段,完成绘制,如图7-51所示。

图7-51 绘制第二段轴的键槽
7)使用相同的方法绘制另一个键槽,如图7-52所示。

图7-52 绘制键槽
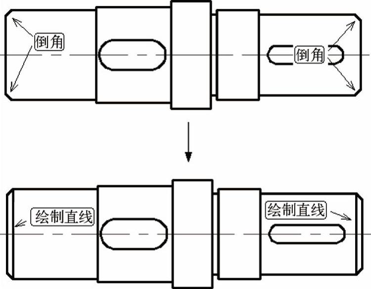
8)使用“倒角”命令绘制轴两端的倒角,倒角距离为2,倒角角度为45。,然后使用直线命令绘制上倒角后的端面线,如图7-53所示。

图7-53 绘制倒角
9)绘制键槽的断面图,以清晰表达键槽的结构尺寸。先绘制剖切符号,用来指示剖切面的起、止和转折位置(用短粗实线表示)及投射方向(用箭头表示)的符号,如图7-54所示。

图7-54 绘制剖切符号
一定要在剖切面的正下方绘制断面图,先绘制两段相交的水平中心线和垂直中心线,使用“圆”命令,以中心线交点为圆心绘制直径为32的圆,将水平中心线上下偏移5,将垂直中心线向右偏移11,然后修剪线段和圆,并将其图层换为“粗实线”,填充上剖面线,即可完成绘制。绘制过程中,注意图层的变化,如图7-55所示。
10)用同样的方法绘制另一个键槽的断面图,完成后如图7-56所示。

图7-55 绘制断面图

图7-56 绘制另一个断面图
11)将当前图层设置为“标注”图层,标注零件尺寸,注意将与尺寸文字重合的中心线部分打断,如图7-57所示。

图7-57 标注零件尺寸
12)使用块插入命令,标注零件的表面粗糙度,如图7-58所示。

图7-58 标注零件的表面粗糙度
13)标注倒角符号,使用引线标注命令,倒角为“C2”,如图7-59所示。

图7-59 标注倒角
14)使用文本标注命令,标注技术要求。其中“
”的表面粗糙符号是使用插入块命令标注的,如图7-60所示。

图7-60 标注技术要求
15)添加标题栏,填入标题栏信息,完成所有绘制。