8.4  习题·巩固

8.4 习题·巩固

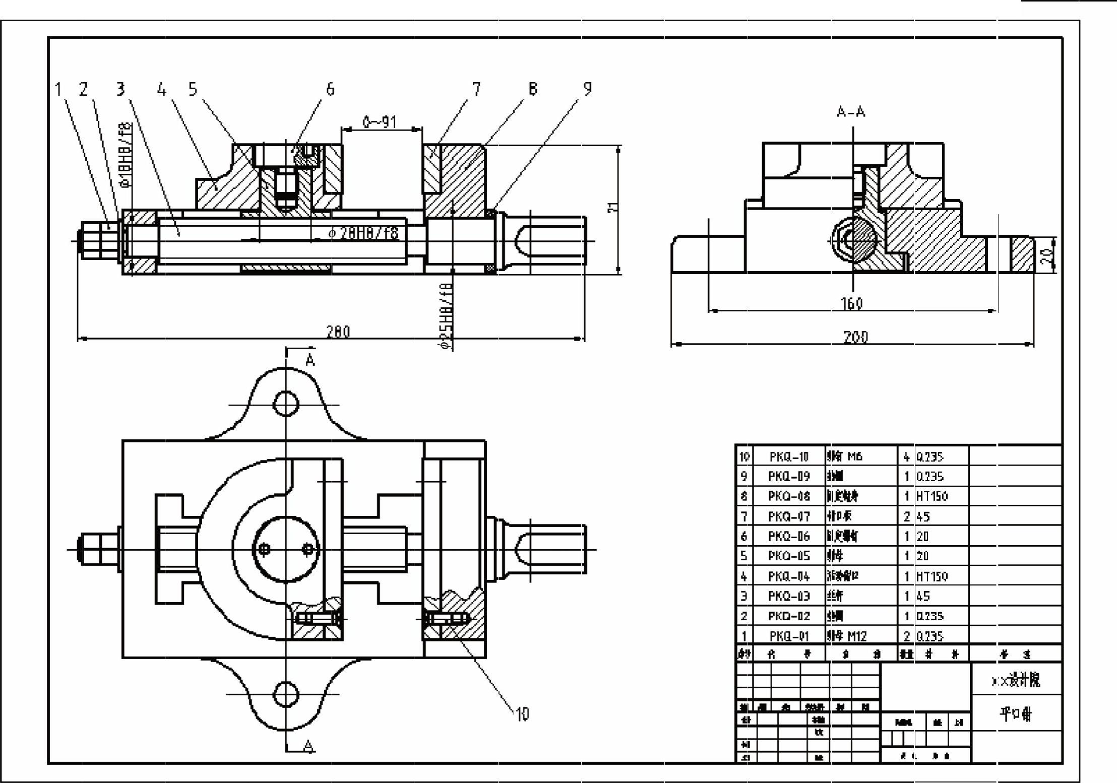
绘制平口钳装配图,如图8-135所示。可以直接绘制,也可以先绘制好各个零件图,再绘制装配图,各个零件图在后面给出。

图8-136~图8-142所示是平口钳的各个零件图。

978-7-111-49664-9-Chapter08-156.jpg

图8-135 平口钳装配图

978-7-111-49664-9-Chapter08-157.jpg

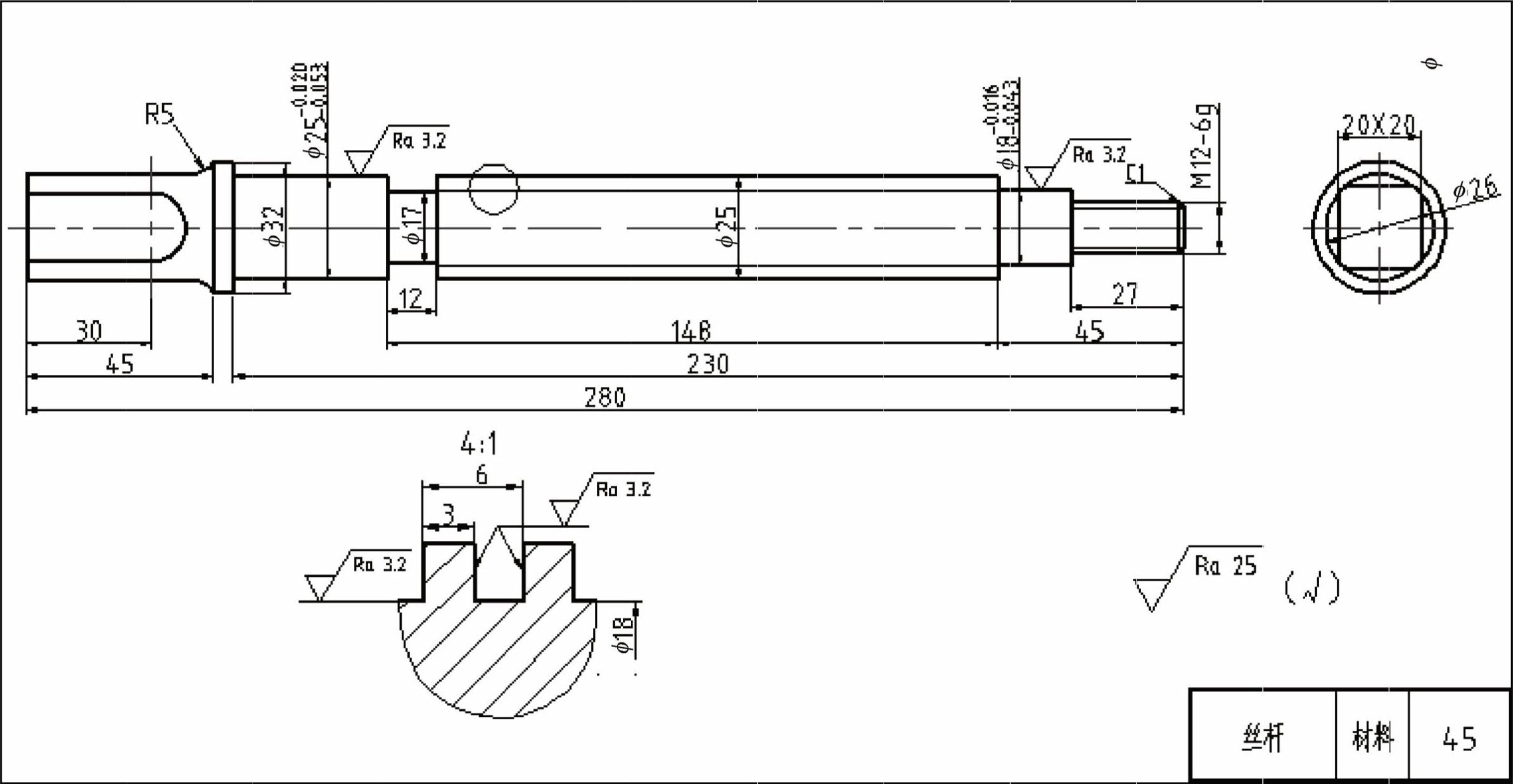
图8-136 丝杆零件图

978-7-111-49664-9-Chapter08-158.jpg

图8-137 活动钳口零件图

978-7-111-49664-9-Chapter08-159.jpg

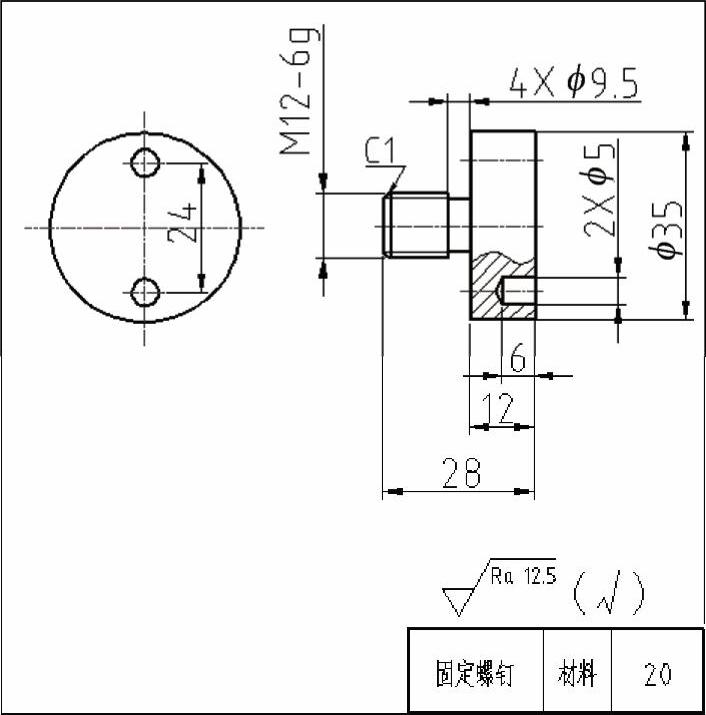
图8-138 固定螺钉零件图

978-7-111-49664-9-Chapter08-160.jpg

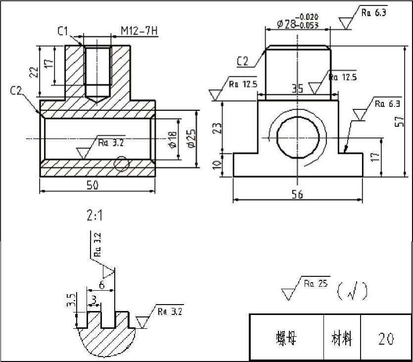
图8-139 螺母零件图

978-7-111-49664-9-Chapter08-161.jpg

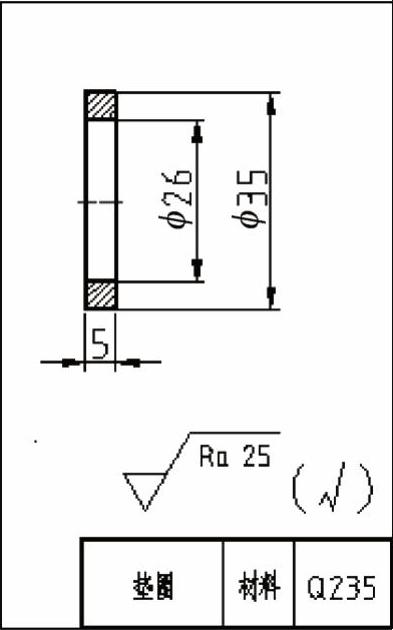
图8-140 垫圈零件图

978-7-111-49664-9-Chapter08-162.jpg

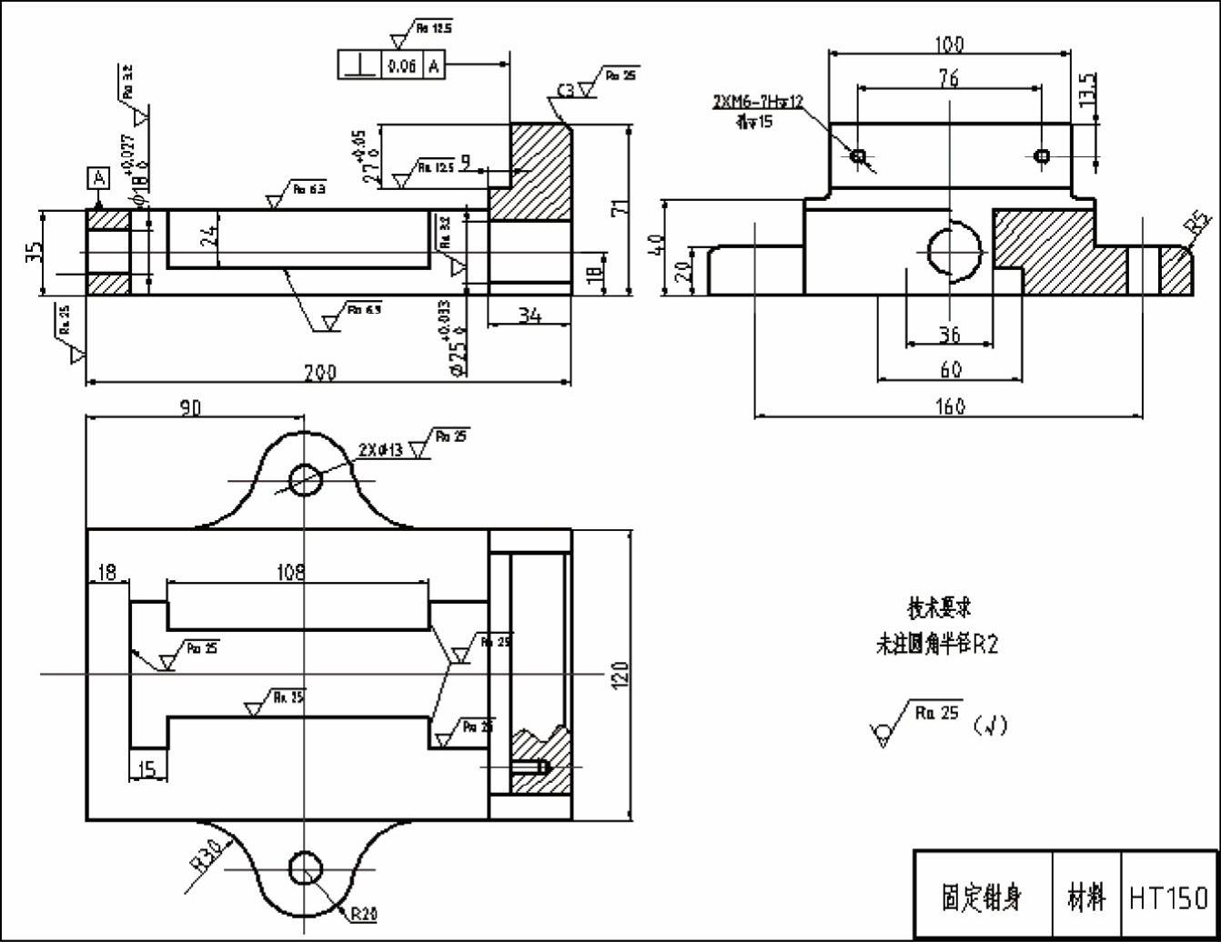
图8-141 固定钳身零件图

978-7-111-49664-9-Chapter08-163.jpg

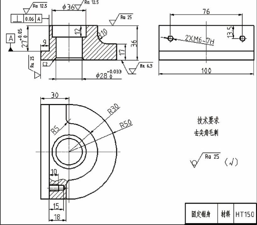
图8-142 钳口板零件图