7.1 实例·知识点——绘制钳口板零件图
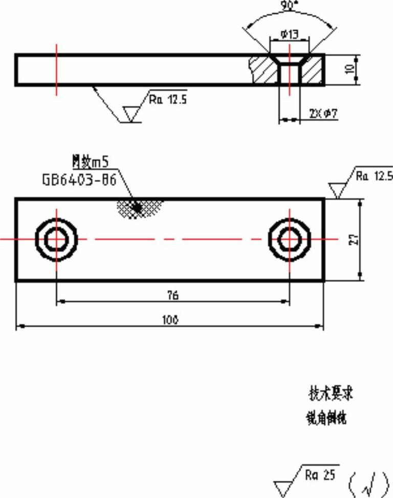
绘制如图7-1所示的钳口板零件图。其中各个部分的详细信息可查看图7-2和图7-3。

图7-1 钳口板零件图

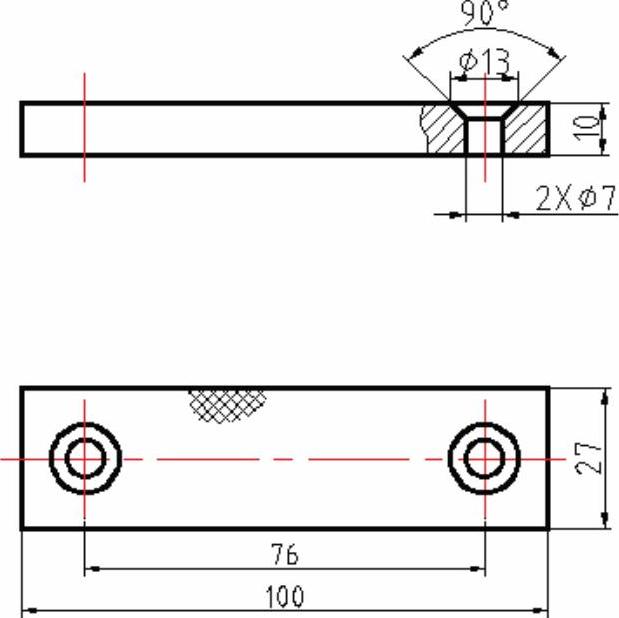
图7-2 图形和标注部分

图7-3 标题栏
【思路分析】
钳口板零件主要由两个矩形和圆构成,绘制比较简单,可直接用矩形命令绘制零件主体部分,再根据定位圆的位置绘制圆。标注部分涉及引线标注、文本标注和表面粗糙度标注,其中表面粗糙度可先制作成块,然后再插入。
【光盘文件】
——参见附带光盘中的“END\Ch7\7-1.dwg”文件。
——参见附带光盘中的“AVI\Ch7\7-1.avi”文件。
【操作步骤】
1)先设置绘图环境。分别设置图层,文字样式和标注样式。
设置图层。打开“图层管理器”,设置以下图层,如图7-4所示。

图7-4 设置图层
设置文字样式,如图7-5所示。打开“文字样式”对话框,新建文字样式,将其命名为“制图文字”,使用gbenor.shx字体,勾选“使用大字体”复选框,选择大字体gbcbig.shx,其他使用默认值。

图7-5 新建文字样式
先设置一个主要的标注样式。打开标注样式管理器,新建标注样式,以“ISO-25”为基础样式,将其命名为“制图标注”,如图7-6所示。

图7-6 新建标注样式
在“线”选项卡中,将“基线间距”设置为8,其余的采用默认值,如图7-7所示。

图7-7 “线”选项卡设置
在“符号和箭头”选项卡(见图7-8)中的“箭头大小”设置为2.5,“弧长符号”设置为“标注文字的上方”,其余采用默认值。

图7-8 “符号和箭头”选项卡设置
在“文字”选项卡(见图7-9)中的“文字样式”采用新建的“制图文字”样式,“文字高度”设置为3.5,其余采用默认值。

图7-9 “文字”选项卡设置
在“调整”选项卡(见图7-10)中将“调整选项”设置为“文字和箭头”,其余采用默认值。

图7-10 “调整”选项卡设置
在“主单位”选项卡中,将“精度”设置为0.0,“小数分隔符”设置为“句点”,“消零”选项勾选“后续”复选框,其余采用默认值,如图7-11所示。

图7-11 “主单位”选项卡设置
单击“确定”按钮,完成主要尺寸标注样式的设置。
设置用于“角度”尺寸标注的子样式。在“标注样式管理器”中单击“新建”按钮,如图7-12所示,在弹出的“创建新标注样式”对话框中的“基础样式”下拉列表框中选择“制图标注”,在“用于”下拉列表框中选择“角度标注”,单击“继续”按钮。

图7-12 新建角度标注子样式
单击“继续”后,在“新建标注样式:制图标注:角度”对话框中的“文字”选项卡中的“文字位置”选项组中的“垂直”下拉列表框中选择“外部”选项;将“文字对齐”选项设置为“水平”。单击“确定”按钮,完成“角度”尺寸标注的子样式的设置。
提示:按照《机械制图》国家标准,角度尺寸的尺寸数字要求水平放置,所以要建立一个用于“角度”标注的子样式,将“文字位置”设置为水平。
设置用于“引线和公差”的标注样式。在“标注样式管理器”中单击“新建”按钮,如图7-13所示,在弹出的“创建新标注样式”对话框中的“基础样式”下拉列表框中选择“制图标注”,在“用于”下拉列表框中选择“引线和公差”,单击“继续”按钮。

图7-13 新建引线和公差标注子样式
单击“继续”按钮后,在“新建标注样式:制图标注:引线和公差”对话框的“符号和箭头”选项卡,将“箭头”选项组中的“引线”设置为“实心箭头”,设置“箭头大小”为3,单击“确定”按钮关闭对话框,完成“引线和公差”标注子样式的设置。
将“制图标注”尺寸标注样式置为当前标注样式,如图7-14所示。

图7-14 设置好的标注样式
2)设置表面粗糙度标注块。根据所设置文字高度为3.5,表面粗糙度标注符号的大小如图7-15所示。

图7-15 表面粗糙度符号尺寸
在功能区“默认”选项卡中的“块”面板,选择“定义属性”命令,如图7-16所示,系统打开“属性定义”对话框。

图7-16 选择块定义属性命令
“属性”选项组,在“标记”框中输入“粗糙度值”;在“提示”框中输入“请输入粗糙度值”;在“默认”框中输入“Ra 25”;“文字设置”选项组,在“对正”下拉列表中选择“正中”;在“文字样式”中选择“制图文字”;在“文字高度”框中输入“3.5”;在“旋转”框中采用默认值“0”,如图7-17所示。单击“确定”按钮完成设置。

图7-17 “属性定义”对话框
单击“确定”后,系统提示“指定起点”,在表面粗糙度符号的合适位置方式放置标注值,即可完成属性定义,图7-18所示。

图7-18 属性定义
接着定义块。在功能区“默认”选项卡中的“块”面板,选择“创建”命令,系统打开“块定义”对话框。在“名称”文本框中输入“粗糙度”,如图7-19所示。

图7-19 输入块名称
在“基点”选项中单击“拾取点”
,系统提示“指定插入基点”,指定表面粗糙度符号的下角点,如图7-20所示。

图7-20 指定块插入点
在“对象”选项组,单击“选择对象”
,系统提示“选择对象”,使用“窗口”选择方式选中整个表面粗糙度标注符号,按下〈Enter〉键,如图7-21所示。

图7-21 选择块对象
返回到“块定义”对话框中,其他设置采用默认设置,单击“确定”按钮,完成块的定义。
3)先绘制一个A4的图框。将当前图层设置为“细实线”。选择“矩形”命令,指定第一个角点的坐标为(0,0),另一个角点的坐标为(210,297),绘制出外图框,如图7-22所示。

图7-22 绘制外图框
绘制内图框,将当前图层设置为“粗实线”,选择“矩形”绘制命令,采用相对坐标输入方式,第一个角点相对于外图框的左下角点的相对坐标为“@25,5”,另一个角点相对于外图框的右上角点的相对坐标为“@-5,-5”,完成后如图7-23所示。

图7-23 绘制内图框
4)将当前图层设置为“粗实线”,选择“矩形”命令,在图框内绘制图形,使用“尺寸”绘制方式,“长度”为100,“宽度”为10,如图7-24所示。

图7-24 绘制主视图
5)继续执行“矩形”命令,在指定第一个角点时,使用对象追踪功能,使第一个角点与上一步绘制的矩形左下角点对齐在同一条垂直线上,如图7-25所示。

图7-25 指定第一个角点
然后使用“尺寸”方式绘制矩形,“长度”为100,“宽度”为27,如图7-26所示。

图7-26 绘制矩形
6)绘制中心线。将当前图层设置为“中心线”。同时,将对象捕捉设置添加“中点”,以便能捕捉中点。在俯视图的钳口板绘制一段水平中心线,如图7-27所示。

图7-27 绘制水平中心线
7)绘制孔。将当前图层设置为“粗实线”,选择“圆”命令,指定圆心时,使用〈Shift〉键或〈Ctrl〉键+鼠标右键组合,指定图7-28中所指交点为基点,输入相对坐标“@12,0”,绘制两个同心圆,直径分别为7和13,如图7-28所示。

图7-28 绘制孔
8)将当前图层设置为“中心线”,选择“直线”命令,过同心圆圆心绘制一段垂直中心线。然后使用“偏移”命令将其向右偏移76。接着使用复制命令将同心圆复制到偏移后的垂直中心线与水平中心线交点处,如图7-29所示。

图7-29 复制同心圆
9)选择“直线”命令,在主视图绘制一段垂直中心线,使用对象追踪功能使其与俯视图的右边的垂直中心线处于同一直线上,如图7-30所示。

图7-30 制垂直中心线
10)将主视图的垂直中心线向左分别偏移3.5、6.5和76,然后选择“直线”命令过图7-31中所指交点,绘制一段长度为7,倾角为45°的线段,如图7-31所示。

图7-31 移和绘制直线
11)使用“修剪”命令对图7-32中所指多余线段进行修剪,删除偏移距离为6.5的线段,并将修剪后的线段改为“粗实线”图层。

图7-32 修剪和删除线段
12)使用“镜像”命令将修剪后的两段线段沿右侧垂直中心线镜像,并将当前图层设置为“粗实线”图层,绘制两个孔相交部位的线段,如图7-33所示。

图7-33 镜像图形
13)将当前图层设置为“细实线”图层,使用“样条曲线”命令,绘制剖切线,并进行填充,如图7-34所示。

图7-34 绘制剖面
14)在俯视图,使用样条曲线绘制一个剖切区域,并进行填充。填充后,将样条曲线删除,如图7-35所示。

图7-35 绘制网纹
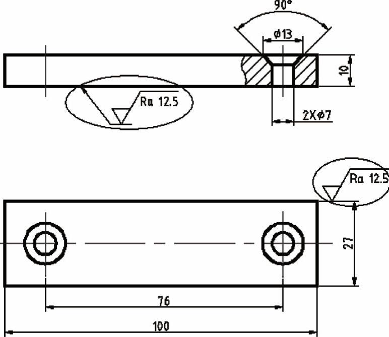
15)将当前图层设置为“标注”图层,对图形标注尺寸,完成后如图7-36所示。

图7-36 标注尺寸
16)标注表面粗糙度。选择“粗糙度”块,表面粗糙度值为12.5,插入标注,如图7-37所示。

图7-37 标注表面粗糙度
17)标注引线标注,如图7-38所示。使用QLEADER快速引线标注命令,将引线箭头设置为“点”
,输入引线内容“网纹m5”。完成引线标注后,使用文本标注命令在引线下方标注“GB6403-1986”。

图7-38 引线标注
18)标注技术要求。在图框的右下部
分,标题栏的上方,标注“
”。在图框的下方,标题栏的上方,标注两行文字“技术要求锐角倒钝”,如图7-39所示。

图7-39 技术要求
19)绘制标题栏。可以使用绘图命令根据尺寸绘制,然后使用文本标注命令输入标题栏信息。也可以使用表格命令直接制作表格,可参照第6章的“应用3”实例讲解。
标题栏完成后,零件图的绘制便全部完成。