班轮运输业务单证

五、班轮运输业务单证

在班轮运输中,从办理货物的托运手续开始,到货物装船、卸船直至货物交付的一系列环节中,都需要有各种单证。这些单证主要起着货物交接时的证明作用,也是划分货方、港方、船方各自责任的必要依据。

(一)在装货港使用和编制的单证

1.托运单

托运单(Booking Note,B/N)是指由托运人根据买卖合同和信用证的有关内容向承运人或其代理人办理货物运输的书面凭证。托运单上通常包括货名、件数、包装、标志、重量、尺码、装货港、目的港、装船期限等内容。船公司根据托运单的内容,如认为可以接受,就在托运单上签任务,留存一份,退回托运人一份,表示已接受这一托运,承运人与托运人之间货物运输的合同关系即告成立。

2.装货联单

根据国际航运界的通常做法,船公司会要求托运人提交详细记载有关货物情况及对运输要求等内容的装货联单。一般船公司同意承运后,会立刻发给托运人装货联单要求托运人填写。按照国际惯例,装货联单一般为一式三联,这三联分别有不同的作用。

第一联是留底联(Counter Foil),作为船方凭以缮制装货清单(Loading List)和绘制积载图(Stowage Plan),缮制出口载货清单、运费清单、结算运费等的依据。

第二联是装货单(Shipping Order,S/O)的正本,它是托运人(实践中通常是货运代理人)填制交船公司或船舶代理人审核并签任务后,据以要求船长将货物装船承运的凭证,因而也称“下货纸”。另外,由于装货单也是托运人向海关办理货物出口申报手续的单据之一,有时也称为“关单”。

第三联是收货单(Mate’s Receipt,M/R),是承运人收妥货物并已装船的凭证,也是托运人凭以换取正本已装船提单的依据。当每一票货物全部装上船后,现场理货员会核对理货计数单的数字,在装货单上签注实装数量、装船位置、装船日期并签名,再由理货长审查并签名,证明该票货物如数装船无误,然后随同收货单一起交船上大副,大副审核属实后在收货单上签字,留下装货单,将收货单退给理货长转交托运人。除上述三联以外,根据业务需要还可以增加若干联,如用于计算运费和向付费人收取运费的通知等。

装货单是重要的货物运输单据之一,主要起到以下几方面的作用:

(1)是承运人确认承运货物的证明。承运人签发装货单就表示承托双方的运输合同已经建立,承运人已办妥托运手续,通知托运人货物配载的船舶、航次和装货日期,双方均应受合同的约束。如果发生退关造成损失时,应由责任方承担责任。

(2)海关人员用于监管货物出口。托运人在货物出口前,要凭装货单和相关单据,如发票、商检证、许可证、检疫证等向海关办理出口手续。在装货单上加盖海关放行图任务,表示该票货物允许装船出口,故此时的装货单习惯上称“关单”。船方凭“关单”方可装货。

(3)作为船公司通知船方接受该批货物的指示文件,“下货纸”的名称由此得来。货物装船时,托运人(或货运代理人)必须向船长或大副提交这一单证。同时,船方还要详细核对实际装船货物的情况是否与装货单上记载的内容一致。

装货联单的流转程序是:船公司或其代理人接受货物托运后,将确定的载运船舶的船名及编号填入托运单,然后将装货联单发给托运人填写,填妥后交给船公司或其代理人,经船公司或其代理人经审核无误后签任务留下留底联,将装货单和收货单(第二、三联)交给托运人,以用于办理出口货物报关手续。

当某一票货物全部装上船后,现场理货人员即核对理货计数单的数字,在装货单上签注实装数量、装舱位置、装船日期并签名,再由理货人员审查和签名,证明该票货物如数装船无误,然后连同收货单一起送交船大副,大副审核属实后在收货单上签字,留下装货单,将收货单退交理货长转交托运人或货运代理人。

3.收货单

收货单(Mate’s Receipt,M/R)是指某一票货物装上船后,由船上大副(Chief Mate)签署给托运人的,作为证明船方已收到该票货物并已装上船的凭证,也是托运人凭以换取提单的依据。

收货单的作用如下:

(1)它是划分承运人、托运人责任的重要依据。承运人的责任是从货物装上船开始的,即货物装上船之前的责任属于托运人,装上船之后的责任属于承运人。因此大副在签署收货单时,会认真检查装船货物的外表状况、货物标志、货物数量等情况。如果货物没有损坏,则在M/R上没有不良的“大副批注”,承运人承担至货物卸下船为止的责任。

(2)它是“清洁提单”与“不清洁提单”的依据。如果货物外表状况不良,标志不清,货物有水渍、油渍或污渍,数量短缺或者货物损坏时,大副就会将这些情况记载在收货单上。这种在收货单上记载有关货物外表状况不良或有缺陷的情况称为“批注”(Remark),习惯上称为“大副批注”,有大副批注的收货单称为“不清洁收货单”(Foul Receipt),无大副批注的收货单就称为“清洁收货单”(Clean Receipt)。

(3)它是船方收到货物的临时收据。货物装船后,大副在收货单上签任务并还给托运人,意味着船方已经收到货物。因此,收货单也称为“大副收据”或“大副收单”。

(4)它是托运人据以换取已装船提单的凭证。货物装船后,经大副签字的收货单由承运船公司交给托运人。如果是运费预付,托运人在付清运费后,可持收货单向船公司或其代理人换取已装船提单。

4.装货清单

装货清单(Loading List,L/L)是根据装货联单中的留底联将全船待运货物按目的港和货物的性质归类,以航次靠港顺序排列编制的装货单的汇总单。装货清单的内容包括船名、装货单编号、货名、件数、包装、毛重及相关注意事项等的说明。其作用如下:

(1)作为船舶大副编制船舶积载计划的主要依据。

(2)作为现场理货人员进行理货、港方安排驳运、进出库场以及承运人掌握托运人备货及货物集中情况等的业务单据。如有增加或者取消货载的情况发生,则船公司或其代理人应及时填制“加载清单”或“取消货载清单”并及时分送船舶及有关单位。

5.货物积载图

出口货物在装船前,船方按照货物的装船顺序,对货物在船上的装载位置做一个详细的计划,用图表的形式来表示货物计划在船舱内的装载情况,使每一票货物都能形象具体地显示出其将在船舱内的位置,这个图表就称为计划积载图(Cargo Plan)。在货物装船以后,根据货物在舱内的实际装载位置最后绘制成的实际积载图就称为货物积载图(Stowage Plan),实践中也有人对这两者不加区别,统称为“船图”。

6.载货清单

载货清单(Mani Fest,M/F)又称舱单,是在货物装船完毕后,船公司或其代理根据大副收据或提单编制的一份按卸货港顺序逐票列明全船实际载运货物的汇总清单。

载货清单的内容除了应逐票列明货物的详细情况(提单号、运输标志及号码、货名、件数和包装、重量、发货人、尺码)外,还包括船名及国籍、船长名、开航日期、货物的装货港及卸货港等内容。

载货清单的作用如下:

(1)它是海关对进出口船舶所载运的货物进出国境进行监督管理的单证。船舶办理出口(进口)手续时,必须递交一份经船长签字确认的载货清单。根据船舶办理报关手续的不同,向海关提交的载货清单可分为在装货港装货出口时使用的“出口载货清单”(Export M/F);在卸货港进口卸货时使用的“进口载货清单”(Import M/F)和“过境货物载货清单”(Through Cargo M/F)。

(2)它作为船舶载运货物的证明,是随船单证之一。因此,船舶装货完毕离港前,船长应主动向船公司的代理人索取若干份随船,以备中途挂靠港口或到达卸货港办理进口报关手续时使用。

(3)卸货港代理可据以事先做好卸货准备。若船舶到达卸货港时,卸货港的船舶代理人尚未接到装货港船舶代理人寄送的有关货运资料时,还可将随船所带的载货清单或复制件分送港口有关部门作为安排卸货应急之用。

载货清单是国际航运中一份十分重要的通用单证。船舶办理报关手续时,必须提交载货清单。同时,它还是港方及理货机构安排卸货的单证。

7.危险货物清单

危险货物清单(Dangerous Cargo List)是专门列出船舶所载运全部危险货物的明细表。

危险货物清单记载的内容除装货清单和载货清单所应记载的内容以外,特别增加了危险货物的性质(类别号)和装船位置两项。按照港口一般规定,凡船舶载运危险货物都必须另行单独编制危险货物的清单;船舶载运危险货物时,船方应向有关部门(我国海事局)申请派员监督装卸。在装货港装船完毕后由监装部门签发给船方一份“危险货物安全装载书”。

(二)在卸货港使用和编制的单证

1.提货单

提货单(Delivery Order,D/O)也称小提单,是收货人凭以向现场(码头仓库或船边)提取货物的凭证,提货单的内容基本与提单所列项目相同。值得注意的是,虽然提货单与提单在内容上基本相同,但两者的性质截然不同,提货单实际上是船公司指令码头仓库或装卸公司向收货人交付货物的凭证,不具备流通的作用。因此,在提货单上一般都有“禁止流通”(Not Negotiable)字样。

2.货物溢短单

货物溢短单(Overlanded &Shortlanded Cargo List)是指一票货物所卸下的数字与载货清单上所记载的数字不符,发生溢卸或短卸的证明单据。货物溢短单由理货员编制,并且必须经船方和有关方(收货人、仓库)共同签字确认。

3.货物残损单

货物残损单(Broken&Damaged Cargo List)是指卸货完毕后,理货员根据理货过程中发现的货物破损、水渍、渗漏、霉烂、生锈、弯曲变形等情况记录编制的,证明货物有残损情况的单据,货物残损单必须经由船方确认。

4.过驳清单和卸货报告

过驳清单(Boat Note)是指采用驳船作业时,作为证明货物交接和表明所交货物实际情况的单证。主要内容包括驳船名、货名、标志、号码、包装、件数、舱口号和卸货日期等,一般要由收货人、卸货公司、驳船经营人等收取货物的一方和船方共同签字确认。

卸货报告(Outturn Report)是卸货完毕后,用以证明货物已卸船交付并标明货物实际情况的汇总单。

因为承运人的责任期间是从货物装船时起到卸离船舶时为止,所以收货单和过驳清单是证明船方责任起止的重要依据。实际业务中,须经装货公司、收货人等接手货物的一方和作为船方责任者的大副共同签字确认后才生效。

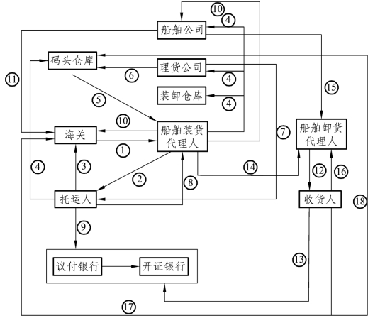
(三)班轮货运单证流转程序

由于班轮运输涉及班轮公司、托运人、收货人、理货公司、装卸公司和船公司代理人等各方,环节较多,此处只涉及与货主有关的运输流程中的相关货运单证的流转情况,如图3-1所示。

图3-1 班轮货运单证流程

(1)托运人向船公司在装货港的代理人(也可直接向船公司或其营业所)提出货物托运申请,递交托运单(Booking Note),填写装货联单(Shipping Order)。

(2)船公司同意承运后,其代理人指定船名,核对S/O,将底联留下后退还给托运人,要求托运人将货物及时送至指定的码头仓库。

(3)托运人持S/O及有关单证向海关办理出口货物报关、验货放行手续,海关在S/O上加盖放行图任务后,货物准予装船出口。

(4)船公司在装货港的代理人根据留底联编制装货清单(L/L)送船舶、理货公司和装卸公司。

(5)大副根据装货清单(L/L)编制货物积载计划交代理人分送理货、装卸公司等按计划装船。

(6)货物装船后,理货长将S/O交大副,大副核实无误后留下S/O并签发收货单(M/R)。

(7)理货长将大副签发的M/R转交给托运人。

(8)托运人持M/R到船公司在装货港的代理人处付清运费(预付运费情况下)换取正本已装船提单(B/L);船公司在装货港的代理人审核无误后,留下M/R签发B/L给托运人。

(9)托运人持B/L及有关单证到议付行结汇(在信用证支付方式下),取得货款,议付银行将B/L及有关单证邮寄开证银行。

(10)货物装船完毕后,船公司在装货港的代理人编妥出口载货清单(M/F)送船长签字后向海关办理船舶出口手续,并将M/F交船随带,船舶启航。

(11)船公司在装货港的代理人根据B/L副本(或M/R)编制出口载货运费清单(F/M),连同B/L副本、M/R送交船公司结算代收运费,并将卸货港需要的单证寄给船公司在卸货港的代理人。

(12)船公司在卸货港的代理人接到船舶抵港电报后,通知收货人船舶到港日期,做好提货准备。

(13)收货人到开证银行付清货款取回B/L(在信用证支付方式下)。

(14)卸货港船公司的代理人根据装货港船公司的代理人寄来的货运单证,编制进口载货清单及有关船舶进口报关和卸货所需的单证,约定装卸公司、理货公司、联系安排泊位,做好接船及卸货准备工作。

(15)船舶抵港后,船公司在卸货港的代理人随即办理船舶进口手续,船舶靠泊后即开始卸货。

(16)收货人持正本B/L向船公司在卸货港的代理人处办理提货手续,付清应付的费用后,换取代理人签发的提货单(D/O)。

(17)收货人办理货物进口手续,交付进口关税。

(18)收货人持D/O到码头仓库或船边提取货物。