3.1.1  机床传动系统的分析

3.1.1 机床传动系统的分析

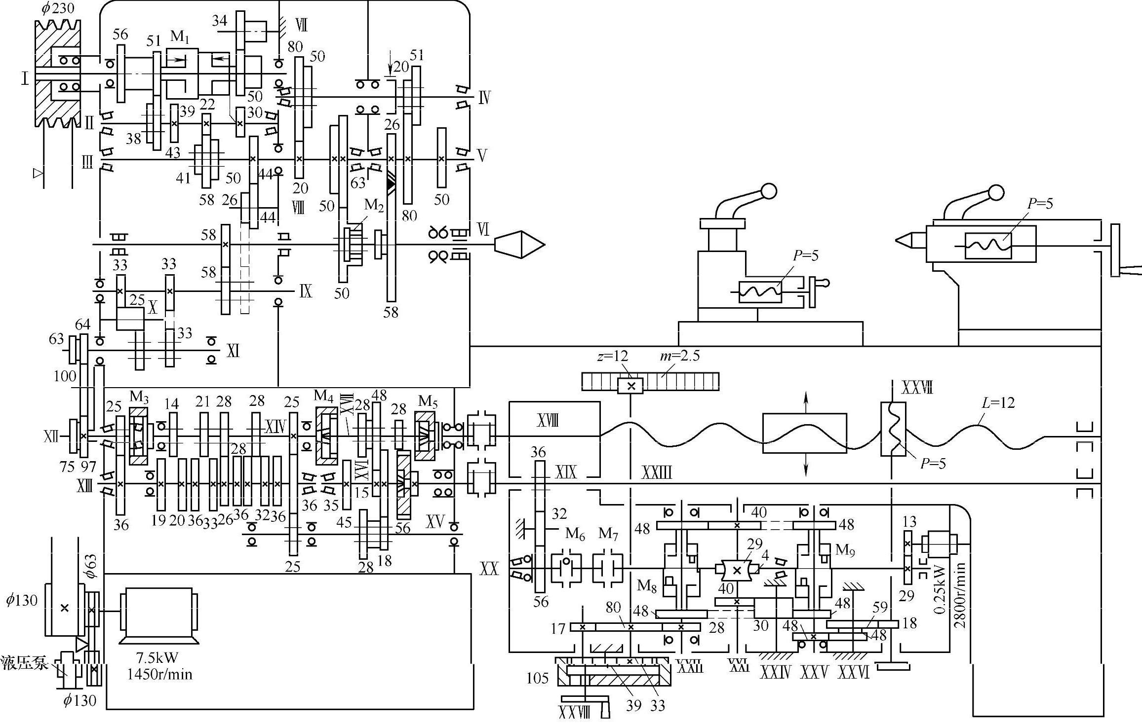
图3-1所示为CA6140型卧式车床的传动系统图,它可以分解为主运动传动链和进给运动传动链。进给运动传动链又可分解为纵向、横向、螺纹进给传动链,还有刀架快速移动传动链。

(1)主运动传动链 CA6140型卧式车床的主运动传动链可使主轴获得24级正转转速(10~1400r/min)及12级反转转速(14~1580r/min)。主运动传动链的两端件为主电动机和主轴。运动由电动机(7.5kW,1450r/min)经V带传至主轴箱中的轴Ⅰ。轴Ⅰ上装有双向摩擦片式离合器M1,其作用是控制主轴的起动、停止、正转和反转。

(2)螺纹进给传动链 CA6140型卧式车床的螺纹进给传动链使机床实现车削米制、寸制、模数制和径节制四种标准螺纹;此外还可车削大导程、非标准和较精密的螺纹。这些螺纹可以是右旋的,也可以是左旋的。

(3)纵向和横向进给传动链 当进行非螺纹工序车削加工时,可使用纵向和横向进给传动链。该传动链由主轴经过米制或寸制螺纹传动路线至进给箱ⅩⅦ,其后运动经齿轮副28/56传至光杠ⅩⅨ,再由光杆经溜板箱中的传动机构,分别传至齿轮齿条机构和横向进给丝杠ⅩⅩⅦ,使刀架作纵向或横向机动进给。

溜板箱中由双向牙嵌离合器M8、M9和齿轮副978-7-111-48239-0-Chapter03-1.jpg978-7-111-48239-0-Chapter03-2.jpg×978-7-111-48239-0-Chapter03-3.jpg组成两个换向机构,分别用于变换纵向和横向进给运动的方向。利用进给箱中的基本螺距机构和增倍机构,以及进给传动链的不同传动路线,可获得纵向和横向进给量各64种。

(4)刀架快速移动传动链 为了减轻工人的劳动强度和缩短辅助时间,刀架快速移动传动机构可使刀架实现机动快速移动。按下快速移动按钮,快速电动机(0.25kW,2800r/min)经齿轮副13/29使轴ⅩⅩ高速转动,再经蜗杆副4/29、溜板箱内的转换机构,使刀架实现纵向和横向的快速移动,方向仍由双向牙嵌离合器M8、M9控制。

978-7-111-48239-0-Chapter03-4.jpg

图3-1 CA6140型卧式车床的传动系统图